电脑桌面
添加小米粒文库到电脑桌面
安装后可以在桌面快捷访问

产业基地外脚手架施工方案

产业基地外脚手架施工方案_第1页
1/47
产业基地外脚手架施工方案_第2页
2/47
产业基地外脚手架施工方案_第3页
3/47
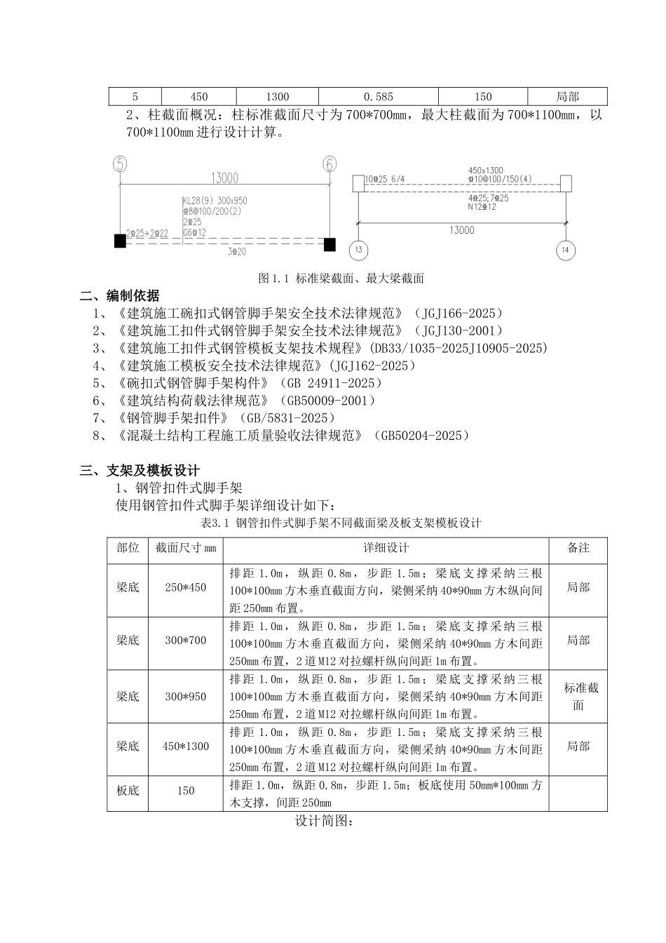
目 录一、工程概况...........................................................................................................1二、编制依据...........................................................................................................1三、支架及模板设计...............................................................................................1四、 设计计算.........................................................................................................6五、支架搭设技术要求.........................................................................................48六、支架使用要求.................................................................................................49七、施工安全措施及注意事项.............................................................................50八、浇筑混凝土时监测控制措施.........................................................................50九、应急预案.........................................................................................................51一、工程概况 工程名称:XX(合肥)产业基地新建工程 地址:合肥市 XX 区 XX 路与 XXX 路交叉口合肥出口加工区内 结构类型:框架结构;计划工期:330 天;建筑面积:165937m2 层数:2 层(局部 3 层);层高:一层 5.5m,二层 5m,三层,4.05m 基础:支撑架体直接落在一层、二层梁板混凝土面上。 1、梁板结构截面概况: 序号梁宽(mm)梁高(mm)梁体截面积(m2)板厚(mm)备注12504500.1125150局部23007000.21150局部33009500.285150标准430010000.3150局部545013000.585150局部2、柱截面概况:柱标准截面尺寸为 700*700mm,最大柱截面为 700*1100mm,以700*1100mm 进行设计计算。图 1.1 标准梁截面、最大梁截面二、编制依据1、《建筑施工碗扣式钢管脚手架安全技术法律规范》(JGJ166-2025)2、《建筑施工扣件式钢管脚手架安全技术法律规范》(JGJ130-2001)3、《建筑施工扣件式钢管模板支架技术规程》(DB33/1035-2025J10905-2025)4、《建筑施工模板安全技术法律规范》(JGJ162-2025)5、《碗扣式钢管脚手架构件》(GB 24911-2025)6、《建筑结构荷载法律规范》(GB50009-2001)7、《钢管脚手架扣件》(GB/583...

1、当您付费下载文档后,您只拥有了使用权限,并不意味着购买了版权,文档只能用于自身使用,不得用于其他商业用途(如 [转卖]进行直接盈利或[编辑后售卖]进行间接盈利)。
2、本站所有内容均由合作方或网友上传,本站不对文档的完整性、权威性及其观点立场正确性做任何保证或承诺!文档内容仅供研究参考,付费前请自行鉴别。
3、如文档内容存在违规,或者侵犯商业秘密、侵犯著作权等,请点击“违规举报”。

碎片内容

产业基地外脚手架施工方案

确认删除?
VIP
微信客服
  • 扫码咨询
会员Q群
  • 会员专属群点击这里加入QQ群
客服邮箱
回到顶部