电脑桌面
添加小米粒文库到电脑桌面
安装后可以在桌面快捷访问

企业市场动火证

企业市场动火证_第1页
1/2
企业市场动火证_第2页
2/2
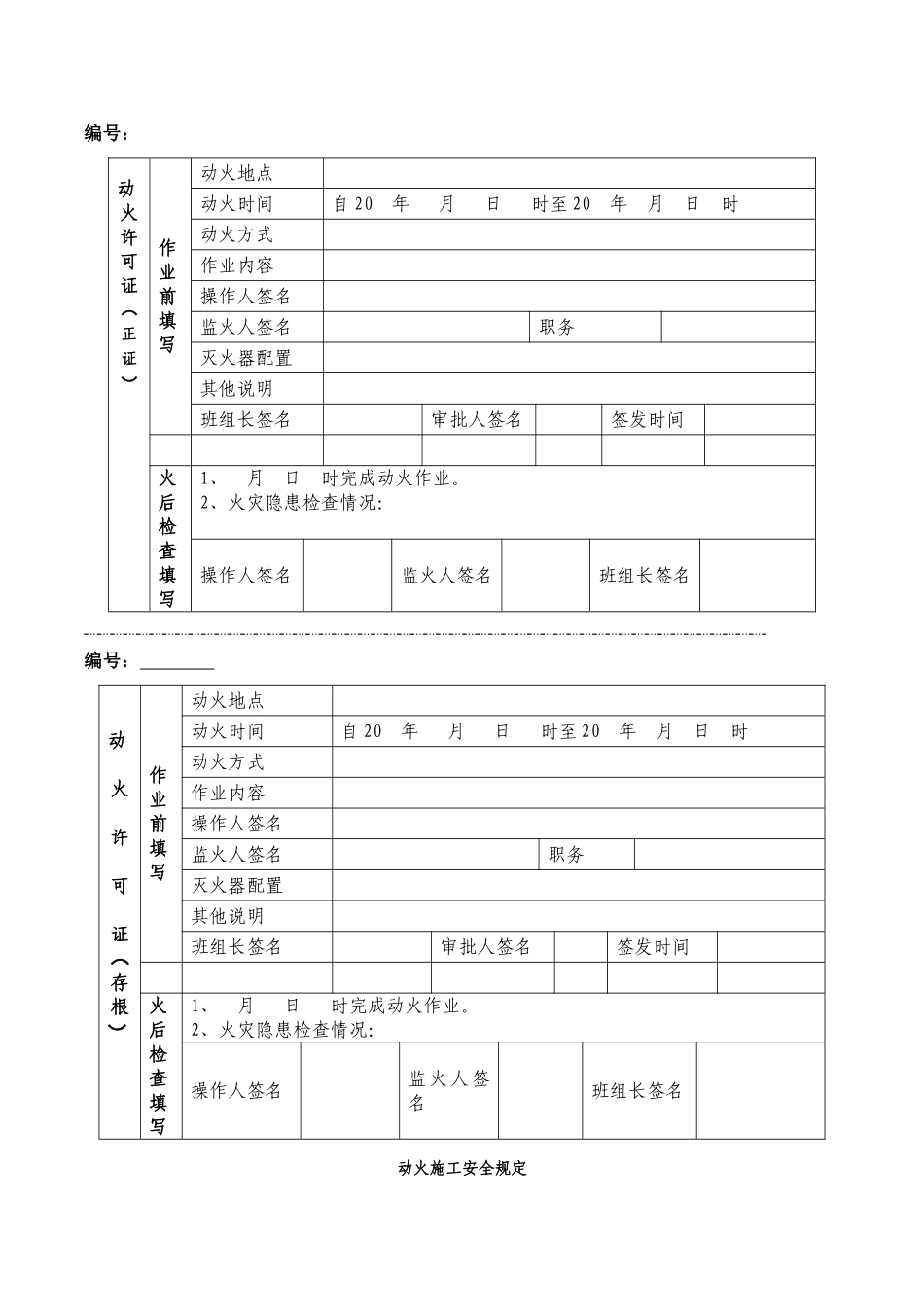
编号: 动火许可证︵正证︶作业前填写动火地点动火时间自 20 年 月 日 时至 20 年 月 日 时动火方式作业内容操作人签名监火人签名职务灭火器配置其他说明班组长签名审批人签名签发时间火后检查填写1、 月 日 时完成动火作业。2、火灾隐患检查情况:操作人签名监火人签名班组长签名 编号: 动火许可证︵存根︶作业前填写动火地点动火时间自 20 年 月 日 时至 20 年 月 日 时动火方式作业内容操作人签名监火人签名职务灭火器配置其他说明班组长签名审批人签名签发时间火后检查填写1、 月 日 时完成动火作业。2、火灾隐患检查情况:操作人签名监火人签名班组长签名动火施工安全规定动火前应做到“八不”;动火中应做到“四要”;动火后要做到“一 清”。 一、动火前“八不”:1.防火、灭火措施不落实不动火;2.周围的易燃杂物未清除不动火;3.附近难以移动的易燃结构未实行安全防范措施不动火;4.凡盛装过油类等易燃液体的容器、管道,未经洗刷洁净、排除残存的油质不动火;5.凡盛装过气体受热膨胀有爆炸危险的容器和管道不动火;6.凡储存有易燃、易爆物品的车间、仓库和场所,未经排除易燃、易爆危险的不动火; 7.在高空进行焊接或切割作业时,下面的可燃物品未清理或未实行防护措施的不动火;8.未有配备相应的灭火器材不动火。二、动火中“四要”:1.动火前要指定现场监火人;2.现场监火人和动火人员必须常常注意动火情况,发现不安全苗头时,要立即停止动火;3.发生火灾、爆炸事故时,要及时扑救;4.动火人员要严格执行安全操作规程。三、动火后“一清”:动火人员和现场监火人在动火后,应彻底清理现场火种后,才能离开现场。此证使用期限为***天,从年月 日 时至 年月 日时。(此证应妥善保管,作业完成后交回发证部门)动火施工安全规定动火前应做到“八不”;动火中应做到“四要”;动火后要做到“一 清”。 一、动火前“八不”:1.防火、灭火措施不落实不动火;2.周围的易燃杂物未清除不动火;3.附近难以移动的易燃结构未实行安全防范措施不动火;4.凡盛装过油类等易燃液体的容器、管道,未经洗刷洁净、排除残存的油质不动火;5.凡盛装过气体受热膨胀有爆炸危险的容器和管道不动火;6.凡储存有易燃、易爆物品的车间、仓库和场所,未经排除易燃、易爆危险的不动火; 7.在高空进行焊接或切割作业时,下面的可燃物品未清理或未实行防护措施的不动火;8.未有配备相应的灭火器材不动火。二、动火中“四要”...

1、当您付费下载文档后,您只拥有了使用权限,并不意味着购买了版权,文档只能用于自身使用,不得用于其他商业用途(如 [转卖]进行直接盈利或[编辑后售卖]进行间接盈利)。
2、本站所有内容均由合作方或网友上传,本站不对文档的完整性、权威性及其观点立场正确性做任何保证或承诺!文档内容仅供研究参考,付费前请自行鉴别。
3、如文档内容存在违规,或者侵犯商业秘密、侵犯著作权等,请点击“违规举报”。

碎片内容

企业市场动火证

办公文档专营+ 关注
实名认证
内容提供者

大量办公文档,欢迎选择

确认删除?
VIP
微信客服
  • 扫码咨询
会员Q群
  • 会员专属群点击这里加入QQ群
客服邮箱
回到顶部