电脑桌面
添加小米粒文库到电脑桌面
安装后可以在桌面快捷访问

住宅工程实体检测施工方案

住宅工程实体检测施工方案_第1页
1/8
住宅工程实体检测施工方案_第2页
2/8
住宅工程实体检测施工方案_第3页
3/8
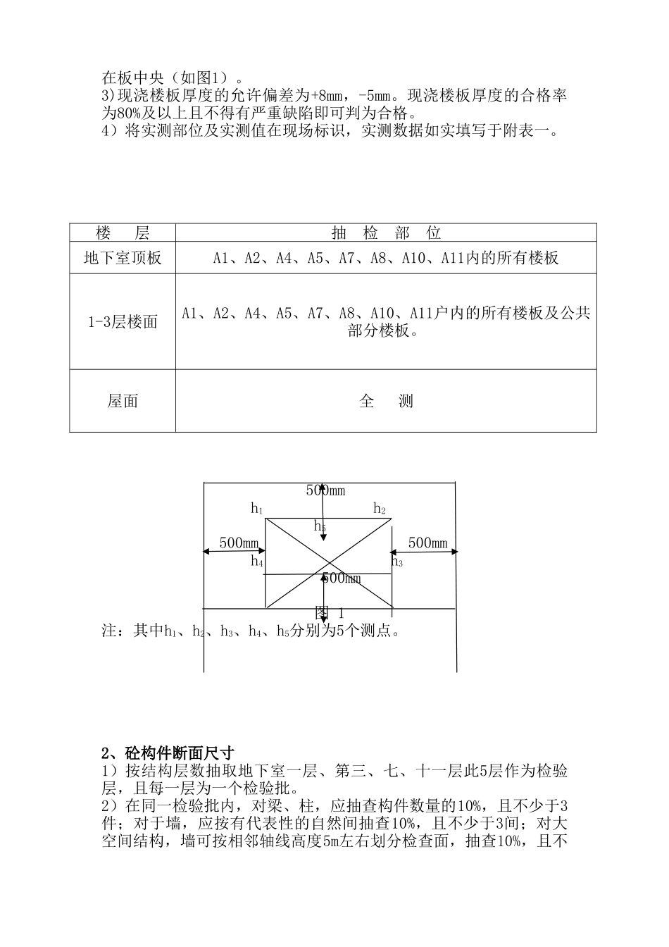
住宅工程实体检测方案一、 编制依据1、龙塘岸 D 块土建、水电安装二标段 47#、49#、50#房住宅工程设计图纸2、 本工程施工组织总设计3、《混凝土结构工程施工质量验收法律规范》GB50204-2025、《混凝土强度检验评定标准》GBJ107-874、锡质监字[2025]07 号 关于进一步加强主体工程、单位工程验收工作的若干规定二、 工程概况 xxxx建设集团有限公司承建的龙塘岸D块土建、水电安装二标段47#、49#、50#房住宅工程地处xx市北塘区广石路以北、水澄路以西龙塘岸家园小区内。由xx市北塘城市投资进展有限公司投资,xx华诚建设监理有限公司实施监理。47#、49#、50#房小高层住宅建筑面积5070.34㎡,主体结构为11层剪力墙结构。该工程抗震设防烈度为6度,设计使用年限为50年。三、实体抽测各方人员实体抽测领导小组组 长: 四、结构实体检测的内容实体检测内容主要包括楼板厚度、砼构件断面尺寸、钢筋保护层厚度、楼面标高、砼构件强度5项指标的检测。1、楼板厚度1)现浇楼板厚度的抽测不得低于住宅工程总户数的30%。一到十一层每层抽测,机房层和屋面全测。2)有地下室的单位工程顶层、底层必测,中间层次兼顾每个单元不同的楼层及公共部位,包括阳台、空调板。对于选定的板,每块抽检5个点,其中4个测点分别设在板跨的50cm纵横交点处,另1测点设在板中央(如图1)。3)现浇楼板厚度的允许偏差为+8mm,-5mm。现浇楼板厚度的合格率为80%及以上且不得有严重缺陷即可判为合格。4)将实测部位及实测值在现场标识,实测数据如实填写于附表一。楼 层抽 检 部 位地下室顶板A1、A2、A4、A5、A7、A8、A10、A11内的所有楼板1-3层楼面A1、A2、A4、A5、A7、A8、A10、A11户内的所有楼板及公共部分楼板。屋面全 测 500mm h1 h2 h5 500mm 500mm h4 h3 500mm 图 1注:其中h1、h2、h3、h4、h5分别为5个测点。2、砼构件断面尺寸1)按结构层数抽取地下室一层、第三、七、十一层此5层作为检验层,且每一层为一个检验批。2)在同一检验批内,对梁、柱,应抽查构件数量的10%,且不少于3件;对于墙,应按有代表性的自然间抽查10%,且不少于3间;对大空间结构,墙可按相邻轴线高度5m左右划分检查面,抽查10%,且不少于3面;对于电梯井,应全面检查;对于设备基础,应全数检查。3)截面尺寸的允许偏差为+8mm、-5mm。4)将实测部位及实测值在现场标识,实测数据如实填写于附表二。楼 层抽 检 部 位地下室墙柱、梁(含电梯井)C-D轴交29轴 JLQ11G-J轴交29轴 ...

1、当您付费下载文档后,您只拥有了使用权限,并不意味着购买了版权,文档只能用于自身使用,不得用于其他商业用途(如 [转卖]进行直接盈利或[编辑后售卖]进行间接盈利)。
2、本站所有内容均由合作方或网友上传,本站不对文档的完整性、权威性及其观点立场正确性做任何保证或承诺!文档内容仅供研究参考,付费前请自行鉴别。
3、如文档内容存在违规,或者侵犯商业秘密、侵犯著作权等,请点击“违规举报”。

碎片内容

住宅工程实体检测施工方案

您可能关注的文档

确认删除?
VIP
微信客服
  • 扫码咨询
会员Q群
  • 会员专属群点击这里加入QQ群
客服邮箱
回到顶部