电脑桌面
添加小米粒文库到电脑桌面
安装后可以在桌面快捷访问

冷凝水系统安装检验批质量验收记录

冷凝水系统安装检验批质量验收记录_第1页
1/3
冷凝水系统安装检验批质量验收记录_第2页
2/3
冷凝水系统安装检验批质量验收记录_第3页
3/3
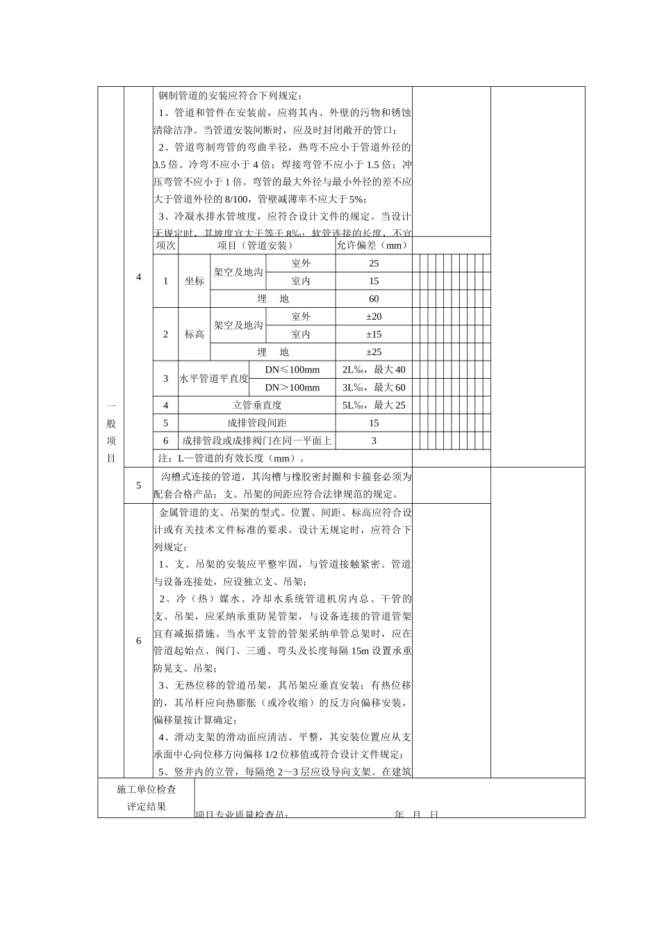
冷凝水系统(金属管道)安装检验批质量验收记录 KT3.7.3.1工程名称检验批部位项目经理工程施工单位名称分包项目经理专业工长分包单位施工执行标准名称及编号施工班组长序号GB50243-2025 的规定施工单位检查评定资料监理(建设)单位验收记录主控项目1 空调工程水系统的设备与附属设备、管道、管配件及阀门的型号、规格、材质及连接形式应符合设计规定。2 管道与设备的连接,应在设备安装完毕后进行,与水泵、制冷机组的接管必须为柔性接口。柔性短管不得强行对口连接,与其连接的管道应设置独立支架。3 固定在建筑结构上的管道支、吊架,不得影响结构的安全。管道穿越墙体或楼板处应设钢制套管,管道接口不得置于套管内,钢制套管应与墙体饰面或楼板底部齐平,上部应高出楼层地面 20~50mm,并不得将套管做管道支撑。4 阀门的安装位置、高度、进出口方向必须符合设计要求,连接应牢固紧密; 安装在保温管道上的各类手动阀门,手柄均不得向下。5 管道系统安装完毕、外观检查合格后,应按设计要求进行水压试验。当设计无规定时,应符合下列规定: 1、凝聚水系统采纳冲水试验,应以不渗漏为合格。6 隐蔽管道在隐蔽前必须经监理人员验收及认可签证。一般项目1 金属管道的焊接应符合下列规定: 1、管道焊接材料的品种、规格、性能应符合设计要求。管道对接焊口的组对和坡口形式等应符合表 9.3.2 的规定;对口的平直度为 1/100,全长不大于 10mm。管道的固定焊口应远离设备,且不宜与设备接口中心线相重合。管道对接焊缝与支、吊架的距离应大于 50mm; 2、管道焊缝表面应清理洁净,并进行外观质量的检查。焊缝外观质量不得低于现行国家标准《现场设备、工业管道焊接工程施工及验收规程》GB50236 中第 11.3.3 条的Ⅳ级2 螺纹连接的管道,螺纹应清洁、规整,断丝或缺丝不大于螺纹全扣数的 10%;连接应牢固;接口处根部外露螺纹为 2~3 扣,无外露填料;镀锌管道的镀锌层应注意保护,对局部的破损处,应做防腐处理。3 法兰连接的管道,法兰面应于管道中心线垂直,并同心。法兰对接应平行,其偏差不应大于其外径的 1.5/1000,且不得大于 2mm;连接螺栓长度应一致、螺母在同侧、均匀拧紧。螺栓紧固后不应低于螺母平面。法兰的衬垫规格、品种和厚度应符合设计要求。一般项目4 钢制管道的安装应符合下列规定: 1、管道和管件在安装前,应将其内、外壁的污物和锈蚀清除洁净。当管道安装间断时,应及时封闭敞开的管口; 2、管道弯...

1、当您付费下载文档后,您只拥有了使用权限,并不意味着购买了版权,文档只能用于自身使用,不得用于其他商业用途(如 [转卖]进行直接盈利或[编辑后售卖]进行间接盈利)。
2、本站所有内容均由合作方或网友上传,本站不对文档的完整性、权威性及其观点立场正确性做任何保证或承诺!文档内容仅供研究参考,付费前请自行鉴别。
3、如文档内容存在违规,或者侵犯商业秘密、侵犯著作权等,请点击“违规举报”。

碎片内容

冷凝水系统安装检验批质量验收记录

确认删除?
VIP
微信客服
  • 扫码咨询
会员Q群
  • 会员专属群点击这里加入QQ群
客服邮箱
回到顶部