电脑桌面
添加小米粒文库到电脑桌面
安装后可以在桌面快捷访问

压铆螺母柱PEM标准

压铆螺母柱PEM标准_第1页
1/5
压铆螺母柱PEM标准_第2页
2/5
压铆螺母柱PEM标准_第3页
3/5
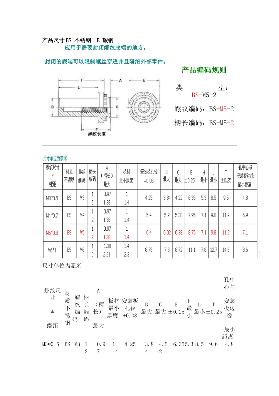
产品尺寸 BS 不锈钢 B 碳钢应用于需要封闭螺纹底端的地方。封闭的底端可以限制螺丝穿透并且隔绝外部零件。产品编码规则类 型:BS-M5-2螺纹编码:BS-M5-2柄长编码:BS-M5-2尺寸单位为豪米螺纹尺寸*螺距材质不锈钢螺纹编码 柄长 编码A(柄长)最大板材最小厚度 安装板孔径+0.08B 最大C最大E±0.25H最小L最小T±0.25孔中心与安装板边缘最小距离 M3*0.5 BS M312 0.9711.44.25 3.84 4.22 6.355.3 8.59.64.81.38M4*0.7 BS M412 0.971.3811.45.4 5.2 5.38 7.957.1 9.8 11.26.9M5*0.8 BS M512 0.971.3811.46.4 6.02 6.38 8.757.1 9.8 11.27.1M6*1 BS M612 1.382.211.42.38.75 7.8 8.72 11.17.812.7 14.88.6尺寸单位为英寸螺纹尺寸材质不锈钢螺纹编码柄长编码A(柄长)最大板材最小厚度 安装板孔径+.003 -.000B最大C最大E±.01H最小L最小T±.01孔中心与安装板边缘最小距离 .122-40(#4-40) BS 440 12 .038.054.040.056 .166 .150 .165 .25.21 .335 .38 .19 .138-32(#6-32) BS 632 12 .038.054.040.056 .187 .169 .187 .28.23.335 .38.22.164-32(#8-32) BS 832 12 .038.054.040.056 .213 .204 .212 .31.28 .385 .44 .27 .190-32(#10-32)BS 032 12 .038.054.040.056 .250 .235 .249 .34.28 .385 .44 .28 .250-20(1/4-20)BS0420 12 .054.087.056.090.344 .305 .343 .43.31.500 .56 .34 原材料和表面处理规格 产品系列外螺纹 紧固件材质 表面处理 安装板度BSANSIB1.1,2AANSI/ASMEB1.13M6g300 系列不锈钢按 ASTMA380 钝化 洛氏 B 制硬度不大于70 产品与板的铆接在安装施压过程中,需要注意的是: 1.在安装板上冲出或钻出相应尺寸的安装孔,不允许进行诸如去毛刺之类的二次加工。 2.如右图所示,将紧固件放入下模孔内,并将安装孔与紧固件的杆部对准。 3.保持上下模平行施加挤压力,使产品的头部完全进入板材中。产品的性能数据安装板材质-5052-H34 铝板 螺纹编码柄长编码板厚(in.) 安装力(lbs.) 最小推出力(lbs.)最小扭出力(in.lbs.) 44012 .040.05616002000 100170 1213 63212 .040.056 18002800 105190 1722 83212 .040.056 20003000 110220 2535 03212 .040.056 21003500 110270 3450042012.056.0904000315100安装板材质-冷轧钢板 螺纹编码柄长编码板厚(in.) 安装力(lbs.) 最小推出力(lbs.) 最小扭出力(in.lbs.) 44012 .040.056 25003500125230 1318 63212 .040.056 30004000 130260 1828 83212 .040.056 35005000 135285 3045 03212 .040.056 40005000 140320 3560042012.056.0906000400105 安装板材质-5052-H34 铝板 螺纹编码柄长编玛 板厚(mm) 安装力(KN) 最小推出力(N)最小扭出力(N.m)M3121.01.47.194407501.41.47M4121.01.48.912.54909702.84M5121.01.49.31449011903.85.7M6121.42.317.8140011.3安装板材质-冷轧钢板 螺纹编码柄长编玛 板厚(mm) 安装力(KN) 最小推出力(N) 最小扭出力(N.m)M3121.01.411.11456010101.52.13M4121.01.4 15.62060012503.45.1M5121.01.417.825620141046.8M6121.42.3 25.7178011.9B 碳钢

1、当您付费下载文档后,您只拥有了使用权限,并不意味着购买了版权,文档只能用于自身使用,不得用于其他商业用途(如 [转卖]进行直接盈利或[编辑后售卖]进行间接盈利)。
2、本站所有内容均由合作方或网友上传,本站不对文档的完整性、权威性及其观点立场正确性做任何保证或承诺!文档内容仅供研究参考,付费前请自行鉴别。
3、如文档内容存在违规,或者侵犯商业秘密、侵犯著作权等,请点击“违规举报”。

碎片内容

压铆螺母柱PEM标准

您可能关注的文档

确认删除?
VIP
微信客服
  • 扫码咨询
会员Q群
  • 会员专属群点击这里加入QQ群
客服邮箱
回到顶部