电脑桌面
添加小米粒文库到电脑桌面
安装后可以在桌面快捷访问

各专业监理员监理程序

各专业监理员监理程序_第1页
1/34
各专业监理员监理程序_第2页
2/34
各专业监理员监理程序_第3页
3/34
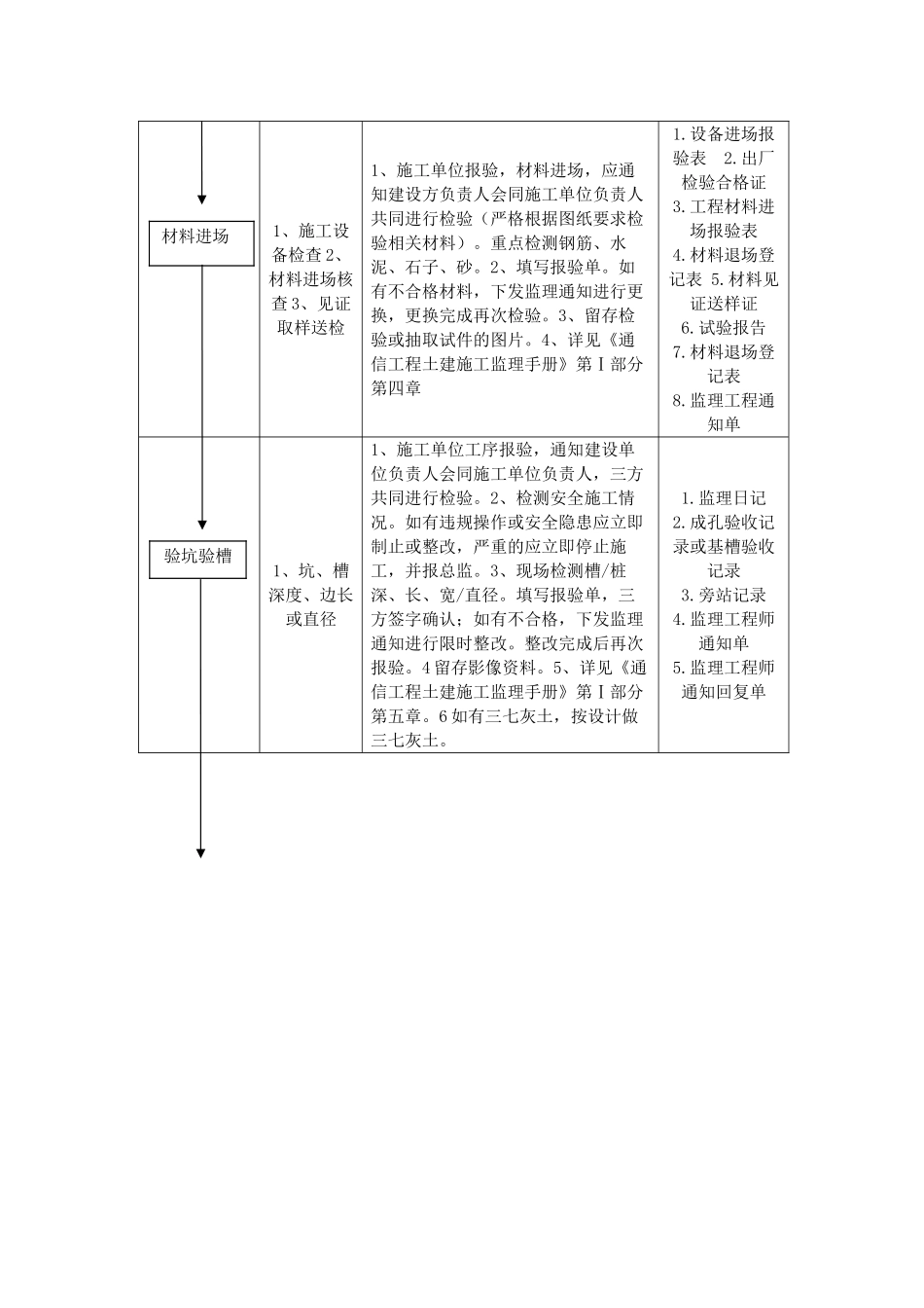
第一部分通信工程土建施工监理员监理流程工作流程控制点监理工作内容相关文件和记录 1、设计图纸是否合理。2、相关单位负责人及联系方式1、交底时必须能够将设计图纸上的所有图示、数据、说明及施工步骤完全明白。2、能够了解和掌握本工程的施工重点、难点等方面;如对图纸不清楚、不明白或感觉图纸中有错误或冲突的要向总监提出。3、所承担的监理任务的建设方主管、县公司联系人及联系方式;施工单位主管负责人及联系方式。1、设计图纸 2、监理日志 1、电话联系建设方负责人和施工单位负责人、技术负责人,告知你是负责该工程的监理人员,约定时间与两方进行见面沟通,有必要的可以针对工程召开一次碰头会。2、听取建设方和施工单位的相关意见,约定勘察现场时间。3、现场监督技术负责人向一线施工人员下发安全交底,施工负责人签字确认。1、监理日志1、现场基本情况(高压线、道路、周围建筑)2、确定合理标高1、施工单位工序报验,通知建设单位负责人会同施工单位负责人,三方共同进行检验。2、要将现场情况以图片的方式留存(主要体现地势、附着物等)。3、根据设计图纸与建设单位、施工单位共同确定合理标高,确定铁塔、机房位置,做好标记放线确认。4、如有需求,测量经纬度,并进行记录。5、详见《通信工程土建施工监理手册》第Ⅰ部分第三章1、放线记录 2、监理日记总监组织交底联系相关单位人员勘察现场(定位放线) 1、施工设备检查 2、材料进场核查 3、见证取样送检1、施工单位报验,材料进场,应通知建设方负责人会同施工单位负责人共同进行检验(严格根据图纸要求检验相关材料)。重点检测钢筋、水泥、石子、砂。2、填写报验单。如有不合格材料,下发监理通知进行更换,更换完成再次检验。3、留存检验或抽取试件的图片。4、详见《通信工程土建施工监理手册》第Ⅰ部分第四章1.设备进场报验表 2.出厂检验合格证3.工程材料进场报验表4.材料退场登记表 5.材料见证送样证6.试验报告7.材料退场登记表8.监理工程通知单1、坑、槽深度、边长或直径1、施工单位工序报验,通知建设单位负责人会同施工单位负责人,三方共同进行检验。2、检测安全施工情况。如有违规操作或安全隐患应立即制止或整改,严重的应立即停止施工,并报总监。3、现场检测槽/桩深、长、宽/直径。填写报验单,三方签字确认;如有不合格,下发监理通知进行限时整改。整改完成后再次报验。4 留存影像资料。5、详见《通信工程土建施工监理手册》第Ⅰ部分第五章。6 如...

1、当您付费下载文档后,您只拥有了使用权限,并不意味着购买了版权,文档只能用于自身使用,不得用于其他商业用途(如 [转卖]进行直接盈利或[编辑后售卖]进行间接盈利)。
2、本站所有内容均由合作方或网友上传,本站不对文档的完整性、权威性及其观点立场正确性做任何保证或承诺!文档内容仅供研究参考,付费前请自行鉴别。
3、如文档内容存在违规,或者侵犯商业秘密、侵犯著作权等,请点击“违规举报”。

碎片内容

各专业监理员监理程序

确认删除?
VIP
微信客服
  • 扫码咨询
会员Q群
  • 会员专属群点击这里加入QQ群
客服邮箱
回到顶部