电脑桌面
添加小米粒文库到电脑桌面
安装后可以在桌面快捷访问

各房间室内风量测试记录

各房间室内风量测试记录_第1页
1/2
各房间室内风量测试记录_第2页
2/2
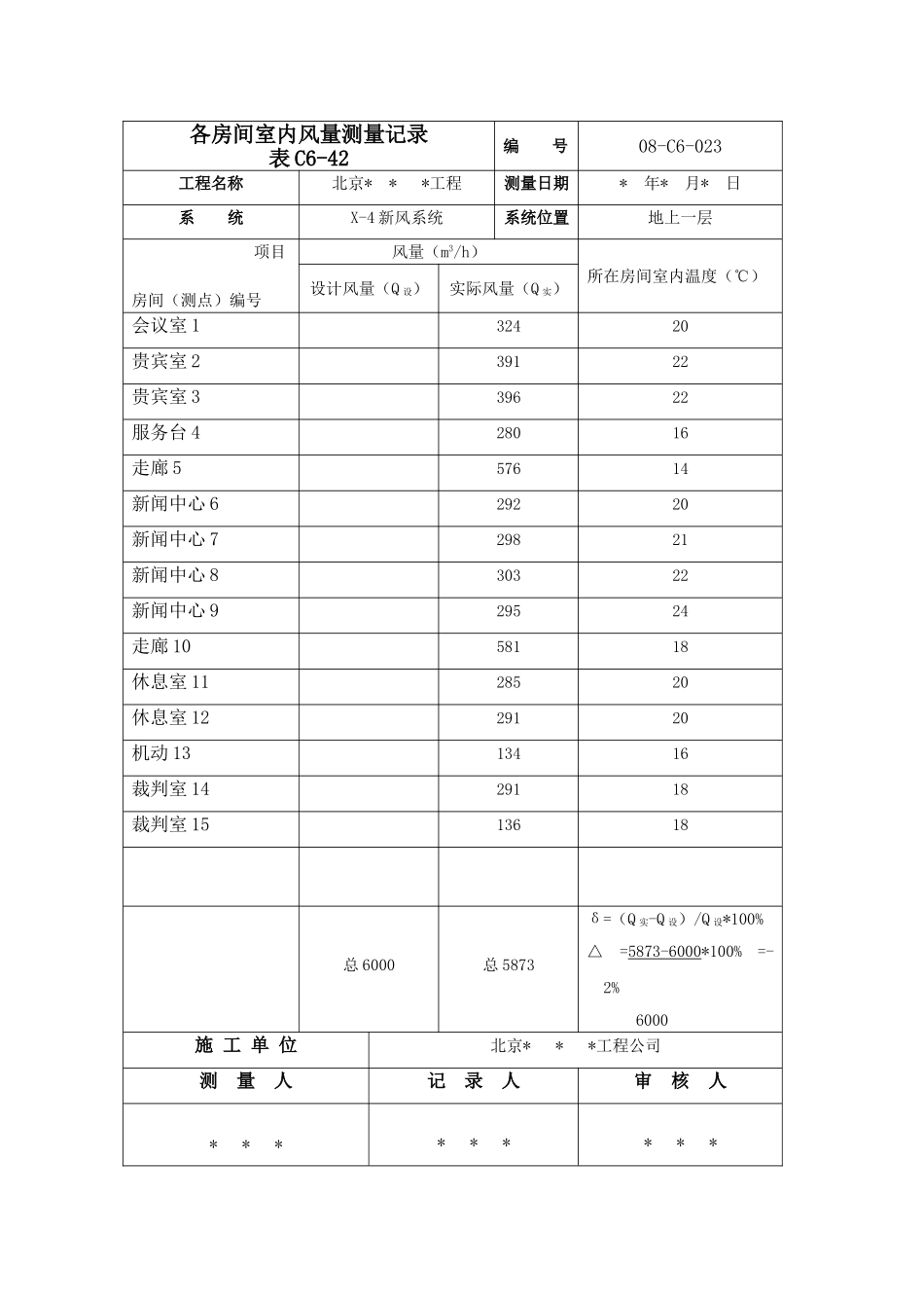
各房间室内风量测量记录表 C6-42编 号08-C6-023工程名称北京* * *工程测量日期* 年* 月* 日系 统X-4 新风系统系统位置地上一层 项目 房间(测点)编号风量(m3/h)所在房间室内温度(℃)设计风量(Q 设)实际风量(Q 实)会议室 132420贵宾室 239122贵宾室 339622服务台 428016走廊 557614新闻中心 629220新闻中心 729821新闻中心 830322新闻中心 929524走廊 1058118休息室 1128520休息室 1229120机动 1313416裁判室 1429118裁判室 1513618总 6000总 5873δ=(Q 实-Q 设)/Q 设*100%△=5873-6000*100% =-2% 6000施 工 单 位北京* * *工程公司测 量 人记 录 人审 核 人* * ** * ** * *本表由施工单位填写,建设单位、施工单位各保存一份。

1、当您付费下载文档后,您只拥有了使用权限,并不意味着购买了版权,文档只能用于自身使用,不得用于其他商业用途(如 [转卖]进行直接盈利或[编辑后售卖]进行间接盈利)。
2、本站所有内容均由合作方或网友上传,本站不对文档的完整性、权威性及其观点立场正确性做任何保证或承诺!文档内容仅供研究参考,付费前请自行鉴别。
3、如文档内容存在违规,或者侵犯商业秘密、侵犯著作权等,请点击“违规举报”。

碎片内容

各房间室内风量测试记录

确认删除?
VIP
微信客服
  • 扫码咨询
会员Q群
  • 会员专属群点击这里加入QQ群
客服邮箱
回到顶部