电脑桌面
添加小米粒文库到电脑桌面
安装后可以在桌面快捷访问

合肥市某中心建筑工程监理交底书

合肥市某中心建筑工程监理交底书_第1页
1/5
合肥市某中心建筑工程监理交底书_第2页
2/5
合肥市某中心建筑工程监理交底书_第3页
3/5
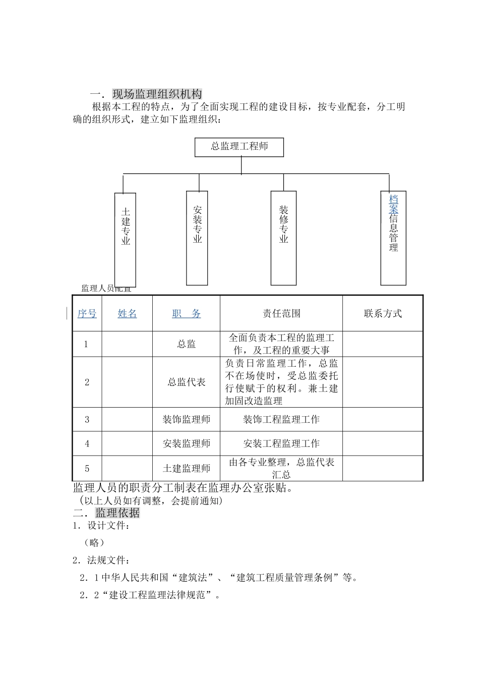
附件一 合肥市**中心工程监理交底书一. 监理组织机构……………………………………………………2二. 监理工作依据……………………………………………………2三. 监理单位的权利(法规、合同授权) …………………………3四. 监理工作的内容(监理合同范围简介)·…………………… 4五. 监理工作的基本程序和方法(监理规划简介)…………………5六. 有关报表的报审要求……………………………………………5七. 监理与施工方的配合要求………………………………………6一.现场监理组织机构根据本工程的特点,为了全面实现工程的建设目标,按专业配套,分工明确的组织形式,建立如下监理组织: 监理人员配置序号姓名职 务责任范围联系方式1总监全面负责本工程的监理工作,及工程的重要大事2总监代表负责日常监理工作,总监不在场使时,受总监委托行使赋于的权利。兼土建加固改造监理3 装饰监理师装饰工程监理工作4安装监理师安装工程监理工作5土建监理师由各专业整理,总监代表汇总监理人员的职责分工制表在监理办公室张贴。 (以上人员如有调整,会提前通知)二.监理依据1.设计文件:(略)2.法规文件:2.1 中华人民共和国“建筑法”、“建筑工程质量管理条例”等。2.2“建设工程监理法律规范”。总监理工程师土建专业安装专业档案信息管理装修专业2.3 其它地方规定。3.技术标准、法律规范:本工程需要使用的标准及法律规范(见监理规划)4.合同4.1 “本工程承包合同”及构成合同的文件(补充协议、招投标文件、批准的施工组织设计等) 4.2 “本工程监理合同”4.3 建设单位指定分包合同或供货合同。三.监理单位的权利:根据建设单位在监理合同中对委托监理内容和有关法律法规,监理享有以下权利:(1)选择工程分包人的认可权。(2)审查总包单位现场管理机构人员资质、质量保证体系。对不符合工程需要的,有权要求补充、更换。(3) 审批工程施工组织设计和技术方案,根据保质量、保工期和降低成本的原则,向承包人提出建议,但不免除承包人的责任。(4) 征得建设单位同意,监理人有权发布开工令、停工令、复工今。(5) 工程上使用的材料和施工质量的检验权。对于不符合设计要求和合同约定及国家质量标准的材料、构配件、设备,有权通知承包人停止使用;对于不符合法律规范和质量标准的工序、分部、分项工程和不安全施工作业,有权通知承包人停工整改、返工。承包人得到监理机构复工令后才能复工。(6) 工程...

1、当您付费下载文档后,您只拥有了使用权限,并不意味着购买了版权,文档只能用于自身使用,不得用于其他商业用途(如 [转卖]进行直接盈利或[编辑后售卖]进行间接盈利)。
2、本站所有内容均由合作方或网友上传,本站不对文档的完整性、权威性及其观点立场正确性做任何保证或承诺!文档内容仅供研究参考,付费前请自行鉴别。
3、如文档内容存在违规,或者侵犯商业秘密、侵犯著作权等,请点击“违规举报”。

碎片内容

合肥市某中心建筑工程监理交底书

确认删除?
VIP
微信客服
  • 扫码咨询
会员Q群
  • 会员专属群点击这里加入QQ群
客服邮箱
回到顶部