电脑桌面
添加小米粒文库到电脑桌面
安装后可以在桌面快捷访问

吊装专项施工方案

吊装专项施工方案_第1页
1/8
吊装专项施工方案_第2页
2/8
吊装专项施工方案_第3页
3/8
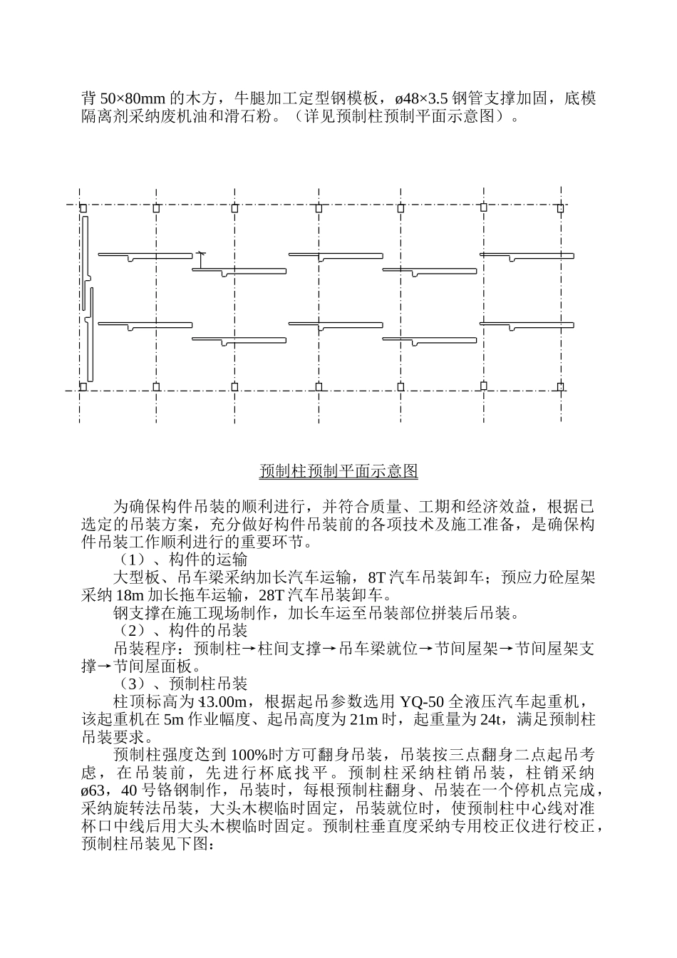
砼排架施工吊装方案施工方案一、结构吊装工程预制柱在现场就地就近预制,采纳两层叠浇法。地模采纳砖砌胎模(铺砖上抹 1:2.5 水泥砂浆),侧模采纳 12mm 厚的高强覆面竹胶板,外背 50×80mm 的木方,牛腿加工定型钢模板,ø48×3.5 钢管支撑加固,底模隔离剂采纳废机油和滑石粉。(详见预制柱预制平面示意图)。 预制柱预制平面示意图为确保构件吊装的顺利进行,并符合质量、工期和经济效益,根据已选定的吊装方案,充分做好构件吊装前的各项技术及施工准备,是确保构件吊装工作顺利进行的重要环节。(1)、构件的运输大型板、吊车梁采纳加长汽车运输,8T 汽车吊装卸车;预应力砼屋架采纳 18m 加长拖车运输,28T 汽车吊装卸车。钢支撑在施工现场制作,加长车运至吊装部位拼装后吊装。(2)、构件的吊装吊装程序:预制柱→柱间支撑→吊车梁就位→节间屋架→节间屋架支撑→节间屋面板。(3)、预制柱吊装柱顶标高为 13.00m,根据起吊参数选用 YQ-50 全液压汽车起重机,该起重机在 5m 作业幅度、起吊高度为 21m 时,起重量为 24t,满足预制柱吊装要求。预制柱强度达到 100%时方可翻身吊装,吊装按三点翻身二点起吊考虑,在吊装前,先进行杯底找平。预制柱采纳柱销吊装,柱销采纳ø63,40 号铬钢制作,吊装时,每根预制柱翻身、吊装在一个停机点完成,采纳旋转法吊装,大头木楔临时固定,吊装就位时,使预制柱中心线对准杯口中线后用大头木楔临时固定。预制柱垂直度采纳专用校正仪进行校正,预制柱吊装见下图: 停机点 吊车行车方向 说明:吊装选用 QY-50 汽车吊,回转半径 5m 时,吊装高度 18m,起重量为 18t。预制柱吊装平面示意图-预制柱校正时,采纳两台经纬仪在两个相互垂直的方向配合,其长向观测角度点与轴线的夹角应小于 15°,预制柱校正好后打紧大头木楔,随即进行杯口灌浆,灌浆前清理洁净木屑等垃圾用水湿润柱和杯口,第一次灌至楔子底部,灌浆后立即进行预制柱复测,如发现预制柱移位,应立即进行二次校正,待灌浆砼强度达到设计值 25%后,拔出楔子进行二次灌浆。(4)、柱间支撑安装柱间支撑安装采纳地面拼装组对之后,待预制柱第二次灌浆后整体安装,以减少高空作业。(5)、屋面系统安装屋面系统安装采纳跨内分节间混合吊装法,屋架、支撑及大型屋面板随运随吊,屋架支撑随屋架吊装进行安装。吊装程序:第一榀屋架就位固定→第二榀屋架就位固定→支撑安装→屋面板安装→循环以上程序,直至屋面系统...

1、当您付费下载文档后,您只拥有了使用权限,并不意味着购买了版权,文档只能用于自身使用,不得用于其他商业用途(如 [转卖]进行直接盈利或[编辑后售卖]进行间接盈利)。
2、本站所有内容均由合作方或网友上传,本站不对文档的完整性、权威性及其观点立场正确性做任何保证或承诺!文档内容仅供研究参考,付费前请自行鉴别。
3、如文档内容存在违规,或者侵犯商业秘密、侵犯著作权等,请点击“违规举报”。

碎片内容

吊装专项施工方案

确认删除?
VIP
微信客服
  • 扫码咨询
会员Q群
  • 会员专属群点击这里加入QQ群
客服邮箱
回到顶部