电脑桌面
添加小米粒文库到电脑桌面
安装后可以在桌面快捷访问

商住楼工程施工旁站监理方案

商住楼工程施工旁站监理方案_第1页
1/5
商住楼工程施工旁站监理方案_第2页
2/5
商住楼工程施工旁站监理方案_第3页
3/5
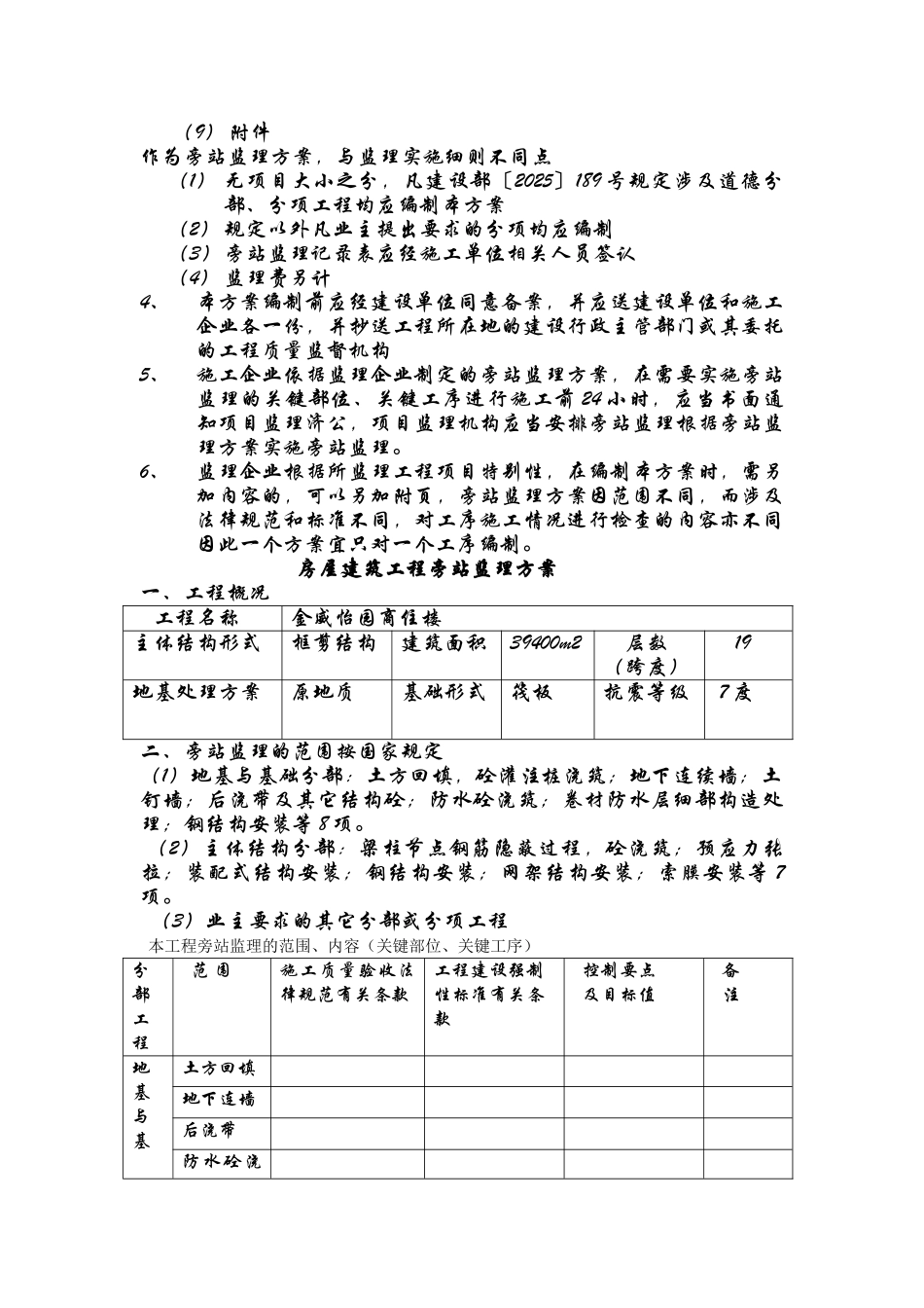
房屋建筑工程施工旁站监理方案基础、主体、防水、后浇带、土方回填分项(分部)工程 工程名称:金威怡园商住楼 编制单位:山东宜华建设咨询有限公司编 制 人: 审 核 人: 编制日期: 年 月 日送 建设单位:威海市志诚房地产开发有限公司 施工单位:烟台恒基建设有限公司抄送 建设行政主管单位: (工程质量监督机构) 编制说明1、为加强对房屋建筑工程施工旁站监理的管理,依据《房屋建筑工程施工旁站监理管理办法(试行)》建市〔2025〕189 号文件的规定,编制本方案。2、本方案所涉及要进行旁站监理的关键部位、关键工序执行前应与建设单位商定,必须严格根据国家建设部建市〔2025〕189号文件有关规定执行,对超出本方案规定的范围,建设单位要求监理企业实施旁站监理的,建设单位应当另行支付监理费用具体标准双方合同中约定。3、本方案作为监理规划的重要组成部分,比监理实施细则更具体更有针对性,应在相应分项工序施工前由专业监理工程师编制完成,应经总监理工程师审批。其内容包括:(1) 工程概况(2)本工程旁站监理的范围、内容、关键部位、关键工序(3)旁站依据(4)旁站监理人员的安排及主要职责(5)旁站监理程序(6) 旁站监理方法(7)旁站监理记录表(8)旁站监理记录及确认(9)附件作为旁站监理方案,与监理实施细则不同点(1) 无项目大小之分,凡建设部〔2025〕189 号规定涉及道德分部、分项工程均应编制本方案(2)规定以外凡业主提出要求的分项均应编制(3)旁站监理记录表应经施工单位相关人员签认(4)监理费另计4、本方案编制前应经建设单位同意备案,并应送建设单位和施工企业各一份,并抄送工程所在地的建设行政主管部门或其委托的工程质量监督机构5、施工企业依据监理企业制定的旁站监理方案,在需要实施旁站监理的关键部位、关键工序进行施工前 24 小时,应当书面通知项目监理济公,项目监理机构应当安排旁站监理根据旁站监理方案实施旁站监理。6、监理企业根据所监理工程项目特别性,在编制本方案时,需另加内容的,可以另加附页,旁站监理方案因范围不同,而涉及法律规范和标准不同,对工序施工情况进行检查的内容亦不同因此一个方案宜只对一个工序编制。 房屋建筑工程旁站监理方案一、工程概况工程名称金威怡园商住楼主体结构形式框剪结构建筑面积39400m2层数(跨度)19地基处理方案原地质基础形式筏板抗震等级 7 度二、旁站监理的范围按国家规定(1)地基与基础分部:土方回填,砼...

1、当您付费下载文档后,您只拥有了使用权限,并不意味着购买了版权,文档只能用于自身使用,不得用于其他商业用途(如 [转卖]进行直接盈利或[编辑后售卖]进行间接盈利)。
2、本站所有内容均由合作方或网友上传,本站不对文档的完整性、权威性及其观点立场正确性做任何保证或承诺!文档内容仅供研究参考,付费前请自行鉴别。
3、如文档内容存在违规,或者侵犯商业秘密、侵犯著作权等,请点击“违规举报”。

碎片内容

商住楼工程施工旁站监理方案

确认删除?
VIP
微信客服
  • 扫码咨询
会员Q群
  • 会员专属群点击这里加入QQ群
客服邮箱
回到顶部