电脑桌面
添加小米粒文库到电脑桌面
安装后可以在桌面快捷访问

喷、锚支护喷射混凝土质量工序评定表

喷、锚支护喷射混凝土质量工序评定表_第1页
1/2
喷、锚支护喷射混凝土质量工序评定表_第2页
2/2
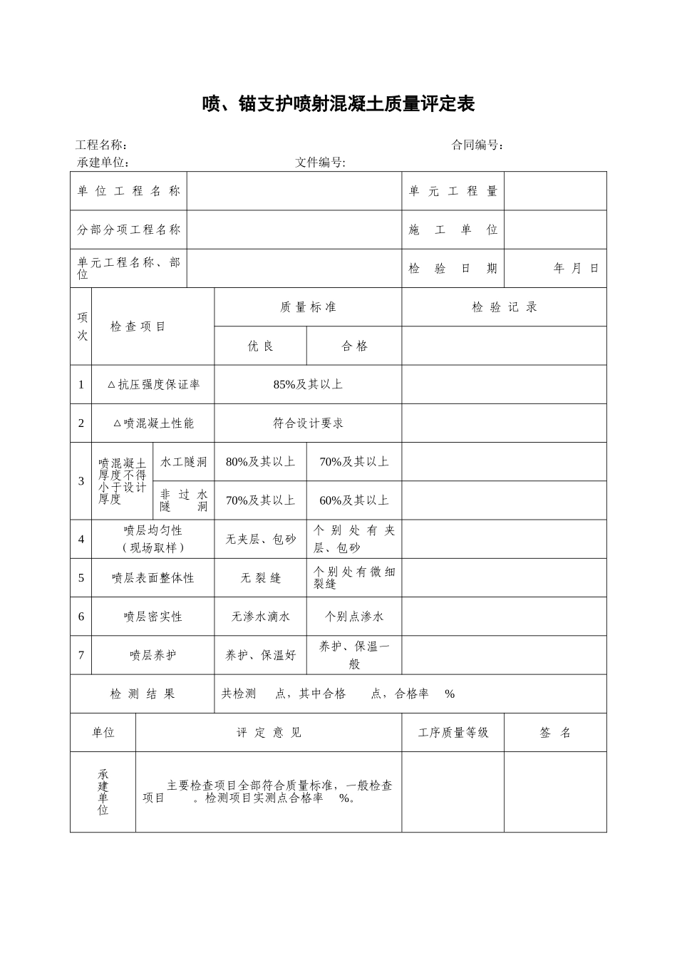
喷、锚支护喷射混凝土质量评定表工程名称: 合同编号:承建单位: 文件编号:单 位 工 程 名 称单 元 工 程 量分部分项工程名称施工单位单元工程名称、部位检验日期 年 月 日项次检 查 项 目质 量 标 准检 验 记 录优 良合 格1△抗压强度保证率85%及其以上2△喷混凝土性能符合设计要求3喷混凝土厚度不得小于设计厚度水工隧洞80%及其以上70%及其以上非 过 水隧洞70%及其以上60%及其以上4喷层均匀性(现场取样)无夹层、包砂个 别 处 有 夹层、包砂5喷层表面整体性无 裂 缝个 别 处 有 微 细裂缝6喷层密实性无渗水滴水个别点渗水7喷层养护养护、保温好养护、保温一般检 测 结 果共检测 点,其中合格 点,合格率 %单位评 定 意 见工序质量等级签 名承建单位主要检查项目全部符合质量标准,一般检查项目 。检测项目实测点合格率 %。监理单位主要检查项目全部符合质量标准,一般检查项目 。检测项目实测点合格率 %。由承建单位呈报四份,验收后监理部留二份,返承建单位二份。

1、当您付费下载文档后,您只拥有了使用权限,并不意味着购买了版权,文档只能用于自身使用,不得用于其他商业用途(如 [转卖]进行直接盈利或[编辑后售卖]进行间接盈利)。
2、本站所有内容均由合作方或网友上传,本站不对文档的完整性、权威性及其观点立场正确性做任何保证或承诺!文档内容仅供研究参考,付费前请自行鉴别。
3、如文档内容存在违规,或者侵犯商业秘密、侵犯著作权等,请点击“违规举报”。

碎片内容

喷、锚支护喷射混凝土质量工序评定表

范哲铺+ 关注
实名认证
内容提供者

想你所想,急你所急,你需要的都在店铺里可以找到。

确认删除?
VIP
微信客服
  • 扫码咨询
会员Q群
  • 会员专属群点击这里加入QQ群
客服邮箱
回到顶部