电脑桌面
添加小米粒文库到电脑桌面
安装后可以在桌面快捷访问

回填土技术交底

回填土技术交底_第1页
1/10
回填土技术交底_第2页
2/10
回填土技术交底_第3页
3/10
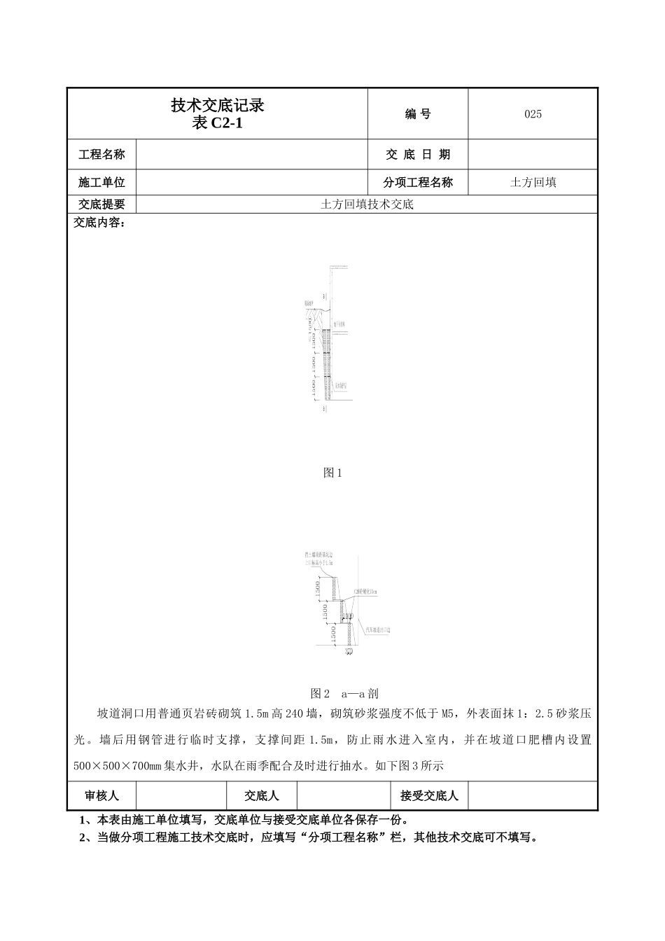
技术交底记录表 C2-1编 号025工程名称交 底 日 期施工单位分项工程名称土方回填交底提要土方回填技术交底交底内容: 一、材料要求粘土、熟石灰。二、主要机具挖掘机、自卸卡车、手推车、蛙式打夯机、铁锹、筛子、自制木夯。三、作业条件1、现浇混凝土达到设计强度,地下室外墙防水及防水保护层施工完毕,并办理完毕隐检等验收手续,肥槽内多余垃圾、杂物及其材料(尤其是周转料)清理洁净,无积水。2、水电专业在外墙上预埋的管道处理完毕。3、测量人员作好水平高程标志布置(在边坡上每隔 3 米钉上填土上平的木橛)。4、现场存土处与回填部位之间道路畅通,无阻碍,施工期间,派专人及时清理现场遗洒土。5、室内房心回填前,应先完成墙体、管道等的安装加固措施,地面清理洁净,办理完毕工序交接手续。四、回填要求1、肥槽回填标高主要以基坑上口为准,与现场地坪填平。肥槽回填材料为距离防水保护层外表面800mm 范围内为 2∶8 灰土,之外为素土回填。2、地下二层外墙西侧 D-E 轴以及北侧 14-15 轴间有汽车坡道出口,坡道结构尚未进行施工,出口两侧砌挡土墙,然后进行土方回填施工。构造如下图 1、2 所示审核人交底人接受交底人1、本表由施工单位填写,交底单位与接受交底单位各保存一份。2、当做分项工程施工技术交底时,应填写“分项工程名称”栏,其他技术交底可不填写。技术交底记录表 C2-1编 号025工程名称交 底 日 期施工单位分项工程名称土方回填交底提要土方回填技术交底交底内容: 图 1图 2 a—a 剖坡道洞口用普通页岩砖砌筑 1.5m 高 240 墙,砌筑砂浆强度不低于 M5,外表面抹 1:2.5 砂浆压光。墙后用钢管进行临时支撑,支撑间距 1.5m,防止雨水进入室内,并在坡道口肥槽内设置500×500×700mm 集水井,水队在雨季配合及时进行抽水。如下图 3 所示审核人交底人接受交底人1、本表由施工单位填写,交底单位与接受交底单位各保存一份。2、当做分项工程施工技术交底时,应填写“分项工程名称”栏,其他技术交底可不填写。技术交底记录表 C2-1编 号025工程名称交 底 日 期施工单位分项工程名称土方回填交底提要土方回填技术交底交底内容: 图 3 坡道挡水墙示意图3、地下一层外墙有多个风井结构及通道,由于地下一层外墙已部分高出基坑外地面,外墙口部结构回填至结构口部下口,从该标高回填土向基坑上口进行找坡。地下一层外墙洞口底标高若高于该部位基坑上口标高,与基坑地坪填平找坡,如下...

1、当您付费下载文档后,您只拥有了使用权限,并不意味着购买了版权,文档只能用于自身使用,不得用于其他商业用途(如 [转卖]进行直接盈利或[编辑后售卖]进行间接盈利)。
2、本站所有内容均由合作方或网友上传,本站不对文档的完整性、权威性及其观点立场正确性做任何保证或承诺!文档内容仅供研究参考,付费前请自行鉴别。
3、如文档内容存在违规,或者侵犯商业秘密、侵犯著作权等,请点击“违规举报”。

碎片内容

回填土技术交底

确认删除?
VIP
微信客服
  • 扫码咨询
会员Q群
  • 会员专属群点击这里加入QQ群
客服邮箱
回到顶部