电脑桌面
添加小米粒文库到电脑桌面
安装后可以在桌面快捷访问

土建工程预算定额套价规范

土建工程预算定额套价规范_第1页
1/70
土建工程预算定额套价规范_第2页
2/70
土建工程预算定额套价规范_第3页
3/70
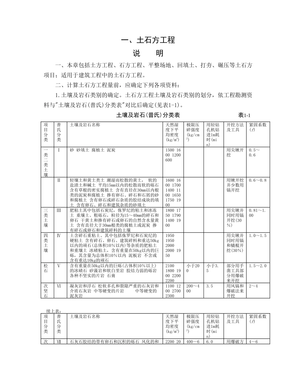
一、土石方工程说 明一、本章包括土方工程、石方工程、平整场地、回填土、打夯、碾压等土石方项目;适用于建筑工程中的土石方工程。二、计算土石方工程量前,应确定下列各项资料:1.土壤及岩石类别的确定。土石方工程土壤及岩石类别的划分,依工程勘测资料与"土壤及岩石(普氏)分类表"对比后确定(见表1-1)。 土壤及岩石(普氏)分类表 表1-1 项目分类普氏分类土壤及岩石名称天然湿度下平均密度(kg/m3)极限压 碎强度(kg/cm2)用轻钻孔机钻进1m耗时(min)开挖方法 及工具紧固系数 (f)一 类 二 类 土 壤Ⅰ砂 砂填土 腐植土 泥炭1500 1600 1200 600用尖锹开挖0.5~ 0.6Ⅱ轻壤土和黄土类土 潮湿而松散的黄土, 软的盐渍土和碱土 平均15mm以内的松散而软的砾石 含有草根的密实腐植土 含有直径在30mm以内根类的泥炭和腐植土 掺有卵石、碎石和石屑的砂和腐植土 含有卵石或碎石杂质的胶结成块的填土 含有卵石、碎石和建筑杂质的砂填土1600 1600 1700 1400 1100 1650 1750 1900用锹开挖并少数用镐开挖0.6~0.8三 类 土 壤Ⅲ肥粘土其中包括石炭纪,侏罗纪的粘土和冰冻土 重壤土、粗砾石,粒径为15~40mm的碎石和卵石 干黄土和掺有碎石或卵石的自然含水量黄土 含有直径大于30mm根类的腐植土或泥炭 掺有碎石或卵石和建筑碎料的土壤1800 1750 1790 1400 1900用尖锹并同时用镐开挖(30%)0.81~1.00四 类 土 壤Ⅳ土含碎石重粘土、其中包括侏罗纪和石炭纪的硬粘土 含有碎石、卵石、建筑碎料和重达50kg以内的顽石(总体积10%以内)等杂质的肥粘土和重壤土 冰碛粘土,含有重量在50kg以内的巨砾,其含量为总体积10%以内 泥板岩 不含或含有重达10kg的顽石1950 1950 2000 2000 1950用尖锹并同时用镐和橇棍开挖(30%)1.0~1.5松 石Ⅴ含有重量在50kg以内的巨砾(占体积10%以上)的冰碛石 矽藻岩和软白垩岩 胶结力弱的砾岩 各种不坚实的片岩 石膏2100 1800 1900 2200 2200小于200小于3.5部分用手凿工具部分用爆破来开挖1.5~2.0次 坚 石Ⅵ凝灰岩和浮石 松软多孔和裂隙严重的石灰岩和介质石灰岩 中等硬变的片岩 中等硬变的泥灰岩 1100 1200 2700 2300200~4003.5用风镐和爆破法来开挖2~4续上表:项目分类普氏分类土壤及岩石名称天然湿度下平均密度(kg/m3)极限压 碎强度(kg/cm2)用轻钻孔机钻进1m耗时(min)开挖方法 及工具紧固系数 (f)次 Ⅶ石灰石胶结的带有卵石和沉积的砾石 风化的和2200 20400~...

1、当您付费下载文档后,您只拥有了使用权限,并不意味着购买了版权,文档只能用于自身使用,不得用于其他商业用途(如 [转卖]进行直接盈利或[编辑后售卖]进行间接盈利)。
2、本站所有内容均由合作方或网友上传,本站不对文档的完整性、权威性及其观点立场正确性做任何保证或承诺!文档内容仅供研究参考,付费前请自行鉴别。
3、如文档内容存在违规,或者侵犯商业秘密、侵犯著作权等,请点击“违规举报”。

碎片内容

土建工程预算定额套价规范

办公文档专营+ 关注
实名认证
内容提供者

大量办公文档,欢迎选择

确认删除?
VIP
微信客服
  • 扫码咨询
会员Q群
  • 会员专属群点击这里加入QQ群
客服邮箱
回到顶部