电脑桌面
添加小米粒文库到电脑桌面
安装后可以在桌面快捷访问

地下脚手架技术交底

地下脚手架技术交底_第1页
1/8
地下脚手架技术交底_第2页
2/8
地下脚手架技术交底_第3页
3/8
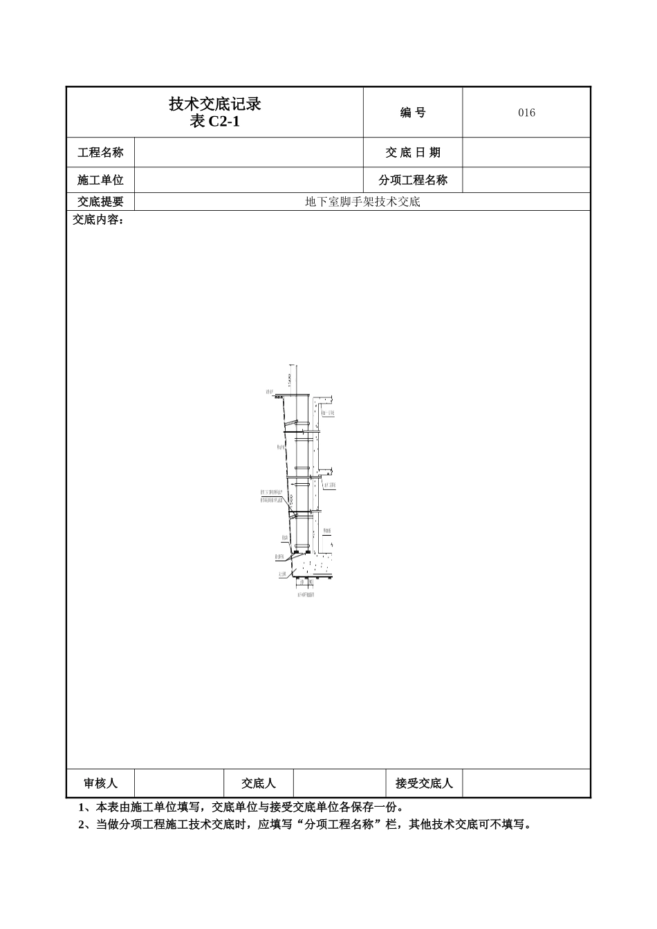
技术交底记录表 C2-1编 号016工程名称交 底 日 期施工单位分项工程名称交底提要地下室脚手架技术交底交底内容: 一、材料要求3.5×48mm 钢管、卡子、50mm 厚脚手板、1.5×6m 绿色密目安全网、3×6m 安全平网等。二、主要机具主要机具:扳手、安全带等。三、作业条件基础底板施工完毕,地下室外墙开始施工,肥槽回填夯实并做好肥槽排水措施。四、脚手架设计1、地下室施工阶段,肥槽内搭设落地式单立杆双排脚手架,并与拆模完毕结构墙以及边坡抵紧,其中,地下一层中部结构断开,此部分架体直接落在地下二层顶板上,并设斜撑支顶在地面上。如遇肥槽宽度不够搭设脚手架情况下,可将架子直接落在边坡第二步台阶上。地下室脚手架搭设参数如下:1.1 立杆的纵距为 1.5 米,立杆的横距为 0.9 米,大小横杆的步距为 1.5 米;1.2 内排架距离墙长度为 0.30 米,立杆下铺设通长 50mm 厚脚手板; 1.3 连墙件在肥槽内采纳两端杆件支顶的形式,间距根据三步三跨设置,竖向间距 4.5 米,水平间距4.5 米,呈梅花形布置;1.4 剪刀撑斜杆与地面夹角为 45 度,在脚手架外侧立面整个长度和高度设置剪刀撑。1.5 同时施工 1 层,脚手板共铺设 1 层。1.6 地下一层回收部分,该部分脚手架直接架设在地下二层顶板上,搭设一层高至地下一层顶,立杆纵距 1.5m,立杆排距 1.05m,步距 1.5m,内侧杆离墙 0.3m,下铺脚手板,沿全长全高设置剪刀撑。纵向每隔 6m 设置斜撑,支撑杆支撑在架子中部,与地面呈 45 角,纵向并设一道横向连接。审核人交底人接受交底人1、本表由施工单位填写,交底单位与接受交底单位各保存一份。2、当做分项工程施工技术交底时,应填写“分项工程名称”栏,其他技术交底可不填写。技术交底记录表 C2-1编 号016工程名称交 底 日 期施工单位分项工程名称交底提要地下室脚手架技术交底交底内容: 审核人交底人接受交底人1、本表由施工单位填写,交底单位与接受交底单位各保存一份。2、当做分项工程施工技术交底时,应填写“分项工程名称”栏,其他技术交底可不填写。技术交底记录表 C2-1编 号016工程名称交 底 日 期施工单位分项工程名称交底提要地下室脚手架技术交底交底内容: 地下一层脚手架剖面图单面模部位脚手架剖面图审核人交底人接受交底人1、本表由施工单位填写,交底单位与接受交底单位各保存一份。2、当做分项工程施工技术交底时,应填写“分项工程名称”栏,其他技术交底可不填写。技术...

1、当您付费下载文档后,您只拥有了使用权限,并不意味着购买了版权,文档只能用于自身使用,不得用于其他商业用途(如 [转卖]进行直接盈利或[编辑后售卖]进行间接盈利)。
2、本站所有内容均由合作方或网友上传,本站不对文档的完整性、权威性及其观点立场正确性做任何保证或承诺!文档内容仅供研究参考,付费前请自行鉴别。
3、如文档内容存在违规,或者侵犯商业秘密、侵犯著作权等,请点击“违规举报”。

碎片内容

地下脚手架技术交底

您可能关注的文档

确认删除?
VIP
微信客服
  • 扫码咨询
会员Q群
  • 会员专属群点击这里加入QQ群
客服邮箱
回到顶部