电脑桌面
添加小米粒文库到电脑桌面
安装后可以在桌面快捷访问

地产项目市政配套设计作业指引

地产项目市政配套设计作业指引_第1页
1/6
地产项目市政配套设计作业指引_第2页
2/6
地产项目市政配套设计作业指引_第3页
3/6
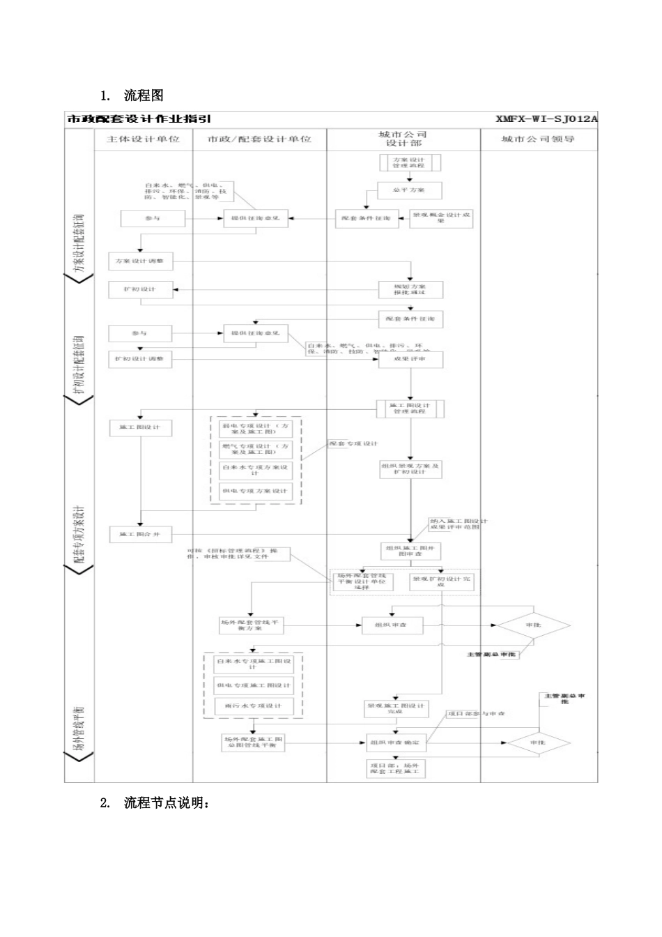
市政配套设计作业指引编制: 日期: 审核: 日期: 批准: 日期: 修订记录日期修订状态修改内容修改人审核人批准人流程概述流程目的明确市政配套设计的操作流程、与主体设计的时间配合关系,确保市政配套设计的有效性,减少由于设计安排不合理造成的施工更改和工期拖延。流程范围适用于公司自来水、燃气、供电、排污、环保、消防、技防、智能化、景观等市政配套及场外配套管线设计管理。定义无流程主导部门(岗位)城市公司设计部各职能部门的主要职责城市公司设计部负责方案及扩初设计阶段征询市政/配套设计单位相关意见;负责场外配套管线平衡设计单位的选择与确定;组织施工图配套方案的并图审查;组织场外配套管线施工图的平衡设计审查。公司领导审批场外配套管线平衡方案及场外配套管理施工图总图平衡。流程 KPI责任部门/岗位数据来源流程关键点关键点说明支持文件1. 流程图2. 流程节点说明:步骤工作内容的简要叙述重要输入重要输出1、方案阶段意见征询1.总部产品研发部组织规划设计。总平方案确定后,城市公司设计部组织市政配套设计单位的配套条件征询,需征询单位包括:自来水、燃气、供电、排污、环保、消防、技防、智能化、景观等。征询方式可实行文件送审或邀请参加规划设计评审会等。征询需提供的资料按当地政府主管部门要求。2.总平方案确定后,总部产品研发部组织景观概念设计。景观概念设计也应与市政配套条件相适应,并根据市政配套条件的要求及时调整。3.城市公司设计部汇总、整理市政配套设计单位的征询意见,交主体规划设计单位进行方案设计修改,直至规划设计成果报批通过。2、扩初阶段意见征询1.总部产品研发部组织扩初设计。扩初设计成果确定后,城市公司设计部组织市政配套设计单位的配套条件征询,需征询单位包括:自来水、燃气、供电、排污、环保、消防、技防、智能化、景观等。征询方式可实行文件送审或邀请参加扩初设计评审会等。征询需提供的资料按当地政府主管部门要求。2.城市公司设计部汇总、整理市政配套设计单位的征询意见,交主体扩初设计单位进行扩初设计修改,直至扩初设计成果报批通过。3.规划设计报批通过后,总部产品研发部组织景观方案及扩初设计。景观方案及扩初设计应充分考虑各配套专项设计中管线、设备布局对景观的影响。至场外配套管线平衡设计方案完成前,景观扩初设计应完成。至场外配套施工图总图管线平衡前,景观施工图设计应完成。3、施工图阶段专项设计1.城市公司设计部组织施...

1、当您付费下载文档后,您只拥有了使用权限,并不意味着购买了版权,文档只能用于自身使用,不得用于其他商业用途(如 [转卖]进行直接盈利或[编辑后售卖]进行间接盈利)。
2、本站所有内容均由合作方或网友上传,本站不对文档的完整性、权威性及其观点立场正确性做任何保证或承诺!文档内容仅供研究参考,付费前请自行鉴别。
3、如文档内容存在违规,或者侵犯商业秘密、侵犯著作权等,请点击“违规举报”。

碎片内容

地产项目市政配套设计作业指引

您可能关注的文档

元素商铺+ 关注
实名认证
内容提供者

欢迎挑选合适的文档

确认删除?
VIP
微信客服
  • 扫码咨询
会员Q群
  • 会员专属群点击这里加入QQ群
客服邮箱
回到顶部