电脑桌面
添加小米粒文库到电脑桌面
安装后可以在桌面快捷访问

墙体模板技术交底

墙体模板技术交底_第1页
1/20
墙体模板技术交底_第2页
2/20
墙体模板技术交底_第3页
3/20
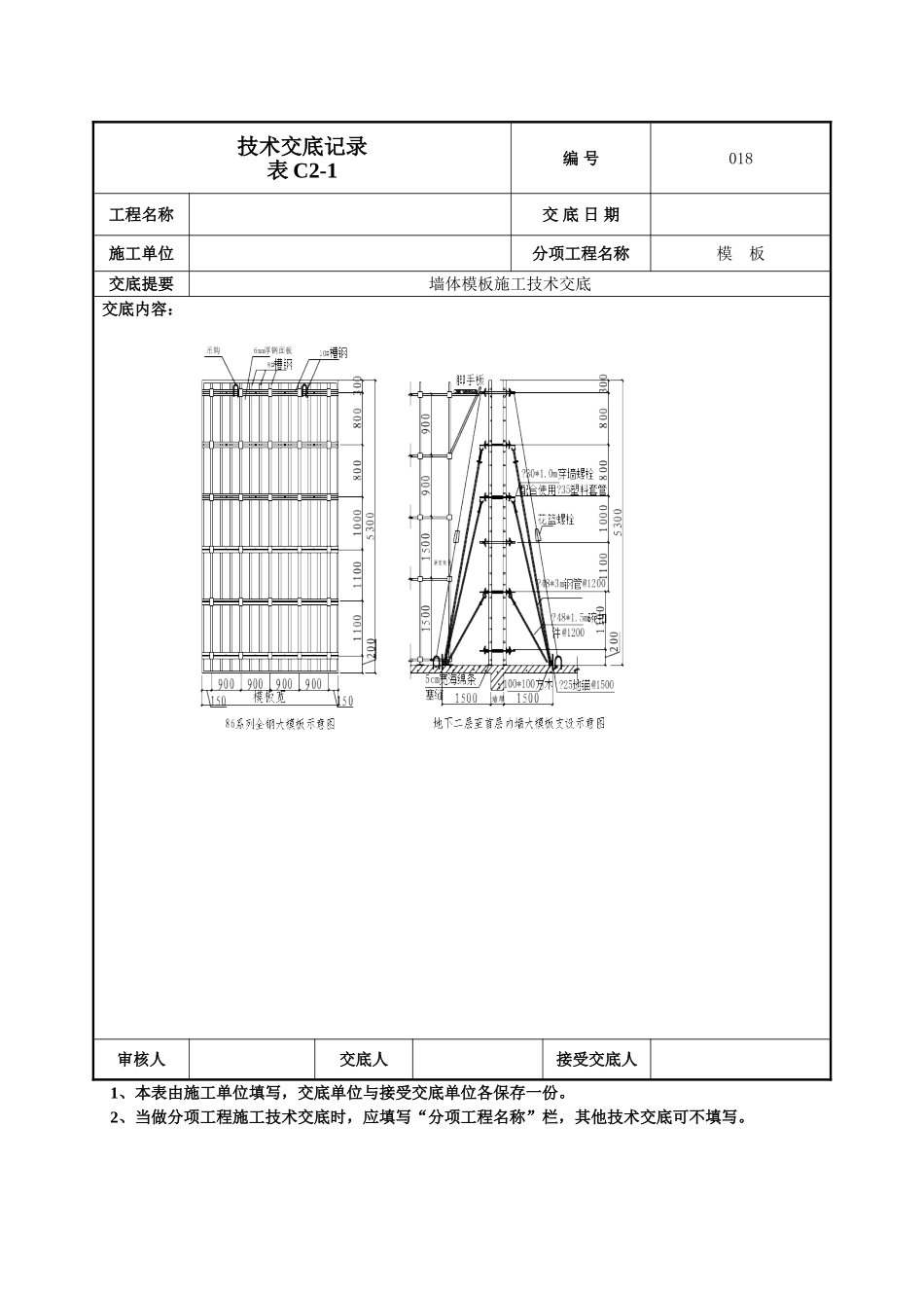
技术交底记录表 C2-1编 号018工程名称交 底 日 期施工单位分项工程名称模 板交底提要墙体模板施工技术交底交底内容: 一、材料要求U 托、穿墙螺杆、3 型卡、花篮螺栓、钢绞线、钩头螺栓、55 型组合钢模板、86 型定型钢模板、大模板配件等二、主要机具塔吊、手锤、扳手、撬棍、大绳、塑料套管、安全带、安全帽、绝缘鞋等。三、作业条件:1、墙体钢筋施工完毕,经过验收并办理隐检、交验手续;2、门窗洞口模板安装完毕,并经检查位置、形状准确无误。两侧用顶模撑按门窗洞口线校正并固定牢固可靠。门窗洞口模板及水电预留盒子的外侧四周贴好海绵条(紧贴外侧一周粘贴好)并刷好脱模剂。3、顶模撑安装牢固、位置准确。利用梯子筋上中下三道横向钢筋兼作顶模撑。顶模撑间距不大于 2.5米且每道墙不少于两道墙间支撑。顶模撑顶端涂好防锈漆。4、楼板板面弹出墙体 50 控制线及模板控制边线,并经验线合格,作为模板定位校核的依据。5、墙体大模板清理洁净,均匀涂刷脱模剂(严禁使用废机油),并经项目质检验收通过,准许吊装上楼使用。四、操作工艺1、工艺流程(墙体大模板)1.1 先立角模,定位、并用铁丝在上头绑扎,临时固定;1.2 然后吊装墙体一面平面大模按墙体 50 线就位,调整大模板与大模板或大模板与角模的接缝。用铁丝与钢筋连接临时固定,待该侧大模板吊装完毕加固连接板,并用扁销上紧;1.3 大模板穿墙螺栓加设硬塑料套管,循环倒用;审核人交底人接受交底人1、本表由施工单位填写,交底单位与接受交底单位各保存一份。2、当做分项工程施工技术交底时,应填写“分项工程名称”栏,其他技术交底可不填写。技术交底记录表 C2-1编 号018工程名称交 底 日 期施工单位分项工程名称模 板交底提要墙体模板施工技术交底交底内容: 1.4 立另一侧模板,根据墙体 50 线调整模板位置、模板垂直度及模板间接缝,并初步上穿墙螺杆;施工时要严查螺栓连接。1.5 调紧角模,使角模紧贴大板,阳角与大板用 φ16 螺栓连接,竖向每 600 一道。角模与角模、大板与大板,大板与阴(阳)角模(肢长大于 600mm)之间,均用 φ16 螺栓连接;1.6 连墙柱宽度小于 1000,加固不采纳穿墙螺栓,利用螺栓在两侧大模板主龙骨上加固。1.7 模板穿墙螺杆孔大于 900mm 时,用钢管、U 托、方木等加固。2、施工工艺:(大钢模、小钢模、木模板、预制门洞模)2.1 大钢模:(含:施工流水、斜撑加固措施、楼梯踏步下返处理、大模板拼缝处...

1、当您付费下载文档后,您只拥有了使用权限,并不意味着购买了版权,文档只能用于自身使用,不得用于其他商业用途(如 [转卖]进行直接盈利或[编辑后售卖]进行间接盈利)。
2、本站所有内容均由合作方或网友上传,本站不对文档的完整性、权威性及其观点立场正确性做任何保证或承诺!文档内容仅供研究参考,付费前请自行鉴别。
3、如文档内容存在违规,或者侵犯商业秘密、侵犯著作权等,请点击“违规举报”。

碎片内容

墙体模板技术交底

阳光书坊+ 关注
实名认证
内容提供者

阳光书坊,传播未来

确认删除?
VIP
微信客服
  • 扫码咨询
会员Q群
  • 会员专属群点击这里加入QQ群
客服邮箱
回到顶部