电脑桌面
添加小米粒文库到电脑桌面
安装后可以在桌面快捷访问

备案制验收资料

备案制验收资料_第1页
1/8
备案制验收资料_第2页
2/8
备案制验收资料_第3页
3/8
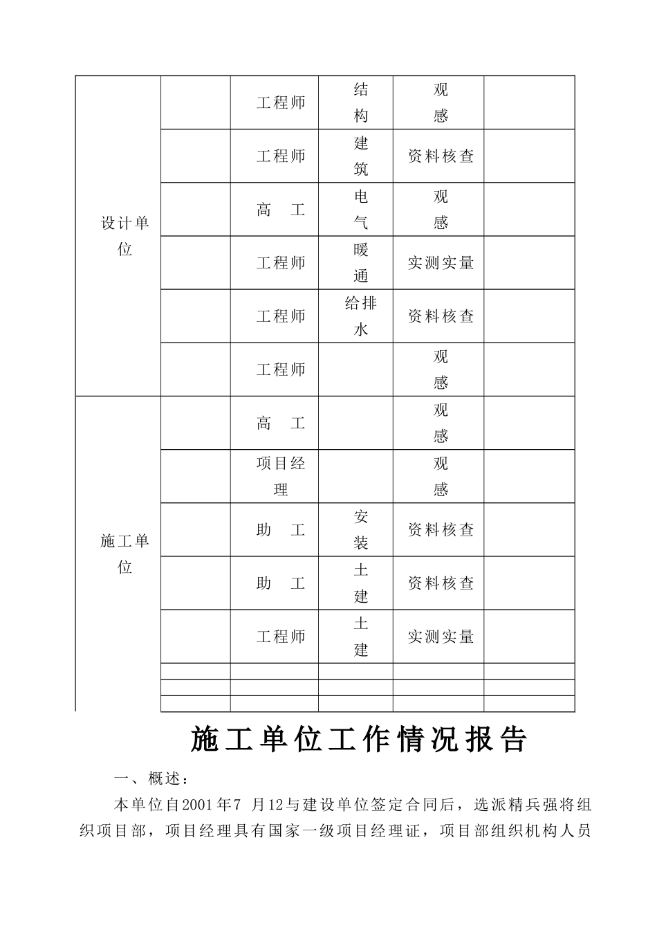
****—**** 苑 A 区 工 程 竣 工 验 收 组 成 员签 到 表单位名称姓 名职务(职称)职 责验收分工签 名建设单位项目经理资料核查高 工观 感工程师土 建实测实量工程师电 气观 感工程师电 气资料核查工程师水 暖实测实量监理单位项目经理观 感工程师土 建资料核查工程师土 建实测实量工程师水 暖资料核查工程师电 气实测实量勘察单位助 工资料核查设计单位工程师结 构观 感工程师建 筑资料核查高 工电 气观 感工程师暖 通实测实量工程师给排水资料核查工程师观 感施工单位高 工观 感项目经理观 感助 工安 装资料核查助 工土 建资料核查工程师土 建实测实量施 工 单 位 工 作 情 况 报 告一、概述:本单位自2001 年7 月12与建设单位签定合同后,选派精兵强将组织项目部,项目经理具有国家一级项目经理证,项目部组织机构人员到位,质量保证体系健全,并能按监理单位审批后的施工组织设计组织施工,现场施工各工种齐全,并且有相应岗位证书。在施工过程中,本单位严格按设计图纸、国家法律规范及强制性条文施工,严格实行质量控制措施,执行班组自检、互检、交接检制度,仔细整理工程质量控制资料,对建筑原材料、构配件进行进场检验,严格执行见证取样制度,且所有检验报告反映原材料、构配件均为合格产品。在施工期间,由于质量控制措施严格,管理到位,没有发生工程质量隐患和工程质量事故。本工程1#、2#楼均有地基与基础,主体结构,建筑装饰装修,建筑屋面,建筑给水、排水及采暖,建筑电气,智能建筑,通风与空调和电梯共9 个分部工程,经过企业自评全部合格,质量控制资料完整,观感质量良好,工程安全和功能检验资料全部符合要求。本工程地下车库工程有地基与基础,建筑装饰装修,建筑给水、排水,建筑电气,智能建筑,通风与空调共6 个分部工程,经过企业自评全部合格,质量控制资料完整,观感质量良好,工程安全和功能检验资料全部符合要求。本工程符合竣工条件,已于2003 年6 月15日出具《竣工报告》,且竣工报告已经监理单位签认。二、工程概况1 、工程简介:****—**** 苑A 区工程位于**** 南路与**** 北路之间,**** 路西侧,是郑州市的一项重点建设项目。本工程设计单位:1 #楼:**** 工业部郑州设计讨论院;2 #楼:河南**** 设计院;A 区地下车库(一期):河南**** 设计院。监理公司:河南**** 工程建设监理公司;施工单位:中建八局**** 公司。2 、...

1、当您付费下载文档后,您只拥有了使用权限,并不意味着购买了版权,文档只能用于自身使用,不得用于其他商业用途(如 [转卖]进行直接盈利或[编辑后售卖]进行间接盈利)。
2、本站所有内容均由合作方或网友上传,本站不对文档的完整性、权威性及其观点立场正确性做任何保证或承诺!文档内容仅供研究参考,付费前请自行鉴别。
3、如文档内容存在违规,或者侵犯商业秘密、侵犯著作权等,请点击“违规举报”。

碎片内容

备案制验收资料

确认删除?
VIP
微信客服
  • 扫码咨询
会员Q群
  • 会员专属群点击这里加入QQ群
客服邮箱
回到顶部