电脑桌面
添加小米粒文库到电脑桌面
安装后可以在桌面快捷访问

外墙抹灰质量验收记录

外墙抹灰质量验收记录_第1页
1/3
外墙抹灰质量验收记录_第2页
2/3
外墙抹灰质量验收记录_第3页
3/3
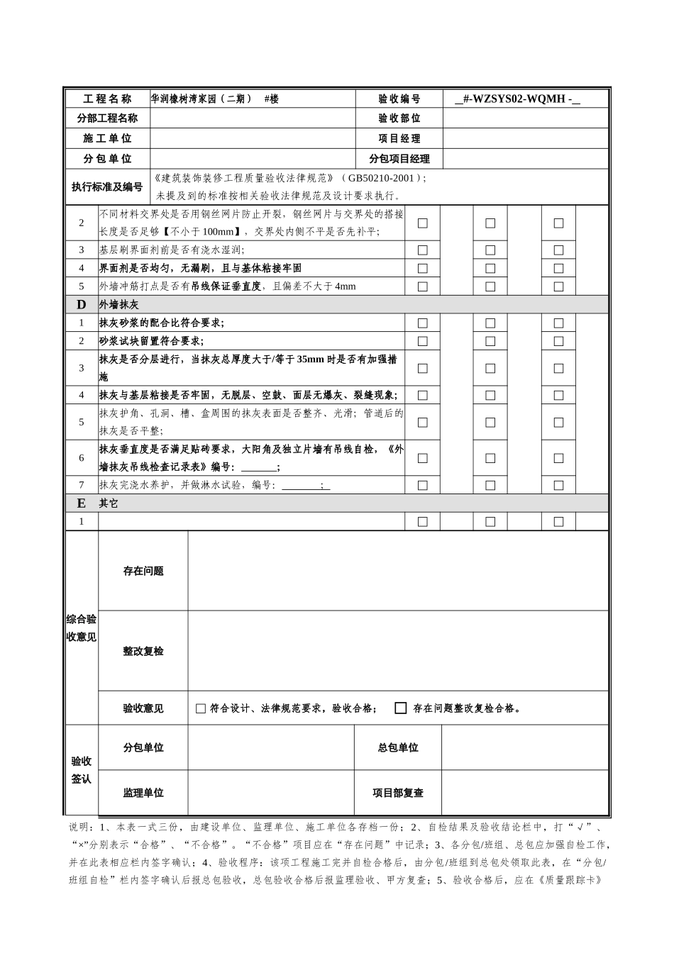
外墙抹灰质量验收记录工 程 名 称华润橡树湾家园(二期) #楼验 收 编 号 #-WZSYS02-WQMH - 分部工程名称验 收 部 位施 工 单 位项 目 经 理分 包 单 位分包项目经理执行标准及编号《建筑装饰装修工程质量验收法律规范》(GB50210-2001);未提及到的标准按相关验收法律规范及设计要求执行。检查项目检查内容及要求分包/班组自检总包专检验收结果结论签字结论签字结论签字A准备工作1施工方案是否已获批准□□□2样板是否施工完成并获得批准,样板编号: □□□3是否有进行技术交底并有相关文件□□□4进场材料验收合格并有验收记录,砌体: 水泥: □□□5上一道工序【副框安装封堵、玻璃栏板 U 型槽、百叶主框安装封堵】是否完成并验收移交; □□□B螺栓孔钻孔、打发泡剂 【监理】1螺栓孔孔洞是否有用专用工具将外墙洞口往内 30~40mm 范围内的PVC 管清除,并将洞口做成喇叭口□□□2洞口是否有用专业工具将灰尘等残留物质清除洁净□□□3发泡剂施工时力道是否控制得当(以不满出洞口 30~40mm 为宜)□□□C螺栓孔防水砂浆封堵、淋水试验1洞口是否有用防水砂浆(内掺微膨胀剂)封堵,配比适中,填压密实;□□□2螺栓孔封堵完是否有做淋水试验,记录编号: □□□D外墙砌筑 【监理】1线条上的砌筑下口是否有 200 素砼反口;□□□2砌筑墙体是否有设皮数杆□□□3砌筑墙体设置拉结筋规格尺寸数量及位置是否正确:沿墙高每隔400mm 设 2Φ6【按砖的模数】,不应小于墙长的 1/5,且不小于700mm;拉结筋无弯折或切断□□□4砌筑组砌方法是否正确:内外搭砌,上下错缝【小砌块为孔对孔、肋对肋错缝】□□□5水平与竖向灰缝厚度是否控制在 8~12mm【以 10mm 为宜】;竖向灰缝是否不出现瞎缝、透明缝和假缝;水平灰缝饱满度是否不低于80%□□□6墙体转角处或交接处是否有同时砌筑,若不满足时是否有按规定留槎;□□□7正常施工条件下每日砌筑高度是否不超过 1.5m 或一步脚手架高度□□□8顶砌时,底部养护及沉降时间是否足够【最少 7d】,砂浆饱满;□□□9轴线偏差是否不超过 10mm;垂直度每层不大于 5mm,外墙窗上下层偏移不超过 20mm□□□D外墙抹灰基底处理1基层是否清理洁净,有否去除尘土、污垢、油渍等□□□工 程 名 称华润橡树湾家园(二期) #楼验 收 编 号 #-WZSYS02-WQMH - 分部工程名称验 收 部 位施 工 单 位项 目 经 理分 包 单 位分包项目经理执行标准及编号《...

1、当您付费下载文档后,您只拥有了使用权限,并不意味着购买了版权,文档只能用于自身使用,不得用于其他商业用途(如 [转卖]进行直接盈利或[编辑后售卖]进行间接盈利)。
2、本站所有内容均由合作方或网友上传,本站不对文档的完整性、权威性及其观点立场正确性做任何保证或承诺!文档内容仅供研究参考,付费前请自行鉴别。
3、如文档内容存在违规,或者侵犯商业秘密、侵犯著作权等,请点击“违规举报”。

碎片内容

外墙抹灰质量验收记录

您可能关注的文档

确认删除?
VIP
微信客服
  • 扫码咨询
会员Q群
  • 会员专属群点击这里加入QQ群
客服邮箱
回到顶部