电脑桌面
添加小米粒文库到电脑桌面
安装后可以在桌面快捷访问

技术、质量交底记录钢管敷设工程

技术、质量交底记录钢管敷设工程_第1页
1/7
技术、质量交底记录钢管敷设工程_第2页
2/7
技术、质量交底记录钢管敷设工程_第3页
3/7
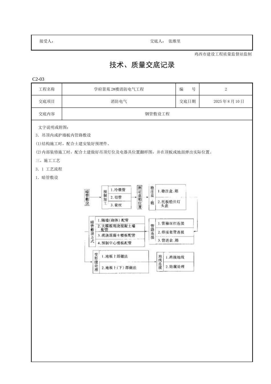
技术、质量交底记录C2-03工程名称学府景苑 2#楼消防电气工程编 号1交底项目消防电气交底日期 2025 年 8 月 10 日交底内容钢管敷设工程文字说明:(2)预制混凝土板上配管,在做地面以前弹好水平线。(3)现浇混凝土板内配管,在底层钢筋绑扎完后,上层钢筋未绑扎前,根据施工图尺寸位置,配合土建施工。(4)预制大楼板就位完毕,及时配合土建在整理板缝锚固筋时,将管路弯曲连接部位按要求做好。(5)预制空心板,配合土建就位同时配管。(6)随墙(砌体)配合施工立管。(7)随大模板现浇混凝土墙配管,土建钢筋网片绑扎完毕,按墙体线配管。2. 明管敷设(1)配合土建结构安装好预埋件。(2)配合上建内装修油漆、浆活完成后进行明配管。采纳胀管安装时,应在土建抹灰完成后进行。接受人: 交底人: 张维里鸡西市建设工程质量监督站监制技术、质量交底记录C2-03工程名称学府景苑 2#楼消防电气工程编 号2交底项目消防电气交底日期 2025 年 8 月 10 日交底内容钢管敷设工程文字说明或附图:3.吊顶内或护墙板内管路敷设(1)结构施工时,配合土建安装好预埋件。(2)内部装修施工时,配合土建做好吊顶灯位及电器具位置翻样图,并在顶板或地面弹出实际位置。三、施工工艺3.1 工艺流程1.暗管敷设接受人: 交底人: 张维里鸡西市建设工程质量监督站监制技术、质量交底记录C2-03工程名称学府景苑 2#楼消防电气工程编 号3交底项目消防电气交底日期 2025 年 8 月 10 日交底内容钢管敷设工程文字说明或附图:3.2 操作工艺1.暗管敷设(1)基本要求1)敷设于多尘和潮湿场所的电线管路、管口、管子连接处均做密封处理。2)暗配的电线管路宜沿最近路线敷设并应减少弯曲;埋人墙或混凝土内的管,距砌体表面的净距不应小于 15mm。3)进入落地式配电箱的管路,排列应整齐,管口应高出基础面 50mm~80mm。4)埋入地下的电线管路不宜穿过设备基础,在穿过建筑物基础时,应加保护管。(2)预制加工:根据设计图,加工好各种盒、箱、管弯。钢管煨弯可采纳冷煨法。1)冷煨法:一般管径为 20mm 及以下时,用手扳煨管器。尢将管子插入煨管器,逐步煨出所需弯度。管径为 25mm 及以上时,使用液压煨管器,先将管子放入模具,扳动煨管器,煨出所需弯度。2)切管:管子切断常用钢锯、无齿锯、砂轮锯,将需要切断的管子长度量准确,放在钳口内卡牢切割,断口处应平齐不歪斜,管口刮锉光滑,无毛刺,清除管内铁屑。3)套丝:采纳套丝板、套管机,根据管外径选择相应板...

1、当您付费下载文档后,您只拥有了使用权限,并不意味着购买了版权,文档只能用于自身使用,不得用于其他商业用途(如 [转卖]进行直接盈利或[编辑后售卖]进行间接盈利)。
2、本站所有内容均由合作方或网友上传,本站不对文档的完整性、权威性及其观点立场正确性做任何保证或承诺!文档内容仅供研究参考,付费前请自行鉴别。
3、如文档内容存在违规,或者侵犯商业秘密、侵犯著作权等,请点击“违规举报”。

碎片内容

技术、质量交底记录钢管敷设工程

确认删除?
VIP
微信客服
  • 扫码咨询
会员Q群
  • 会员专属群点击这里加入QQ群
客服邮箱
回到顶部