电脑桌面
添加小米粒文库到电脑桌面
安装后可以在桌面快捷访问

提高地下防水工程施工质量合格率

提高地下防水工程施工质量合格率_第1页
1/12
提高地下防水工程施工质量合格率_第2页
2/12
提高地下防水工程施工质量合格率_第3页
3/12
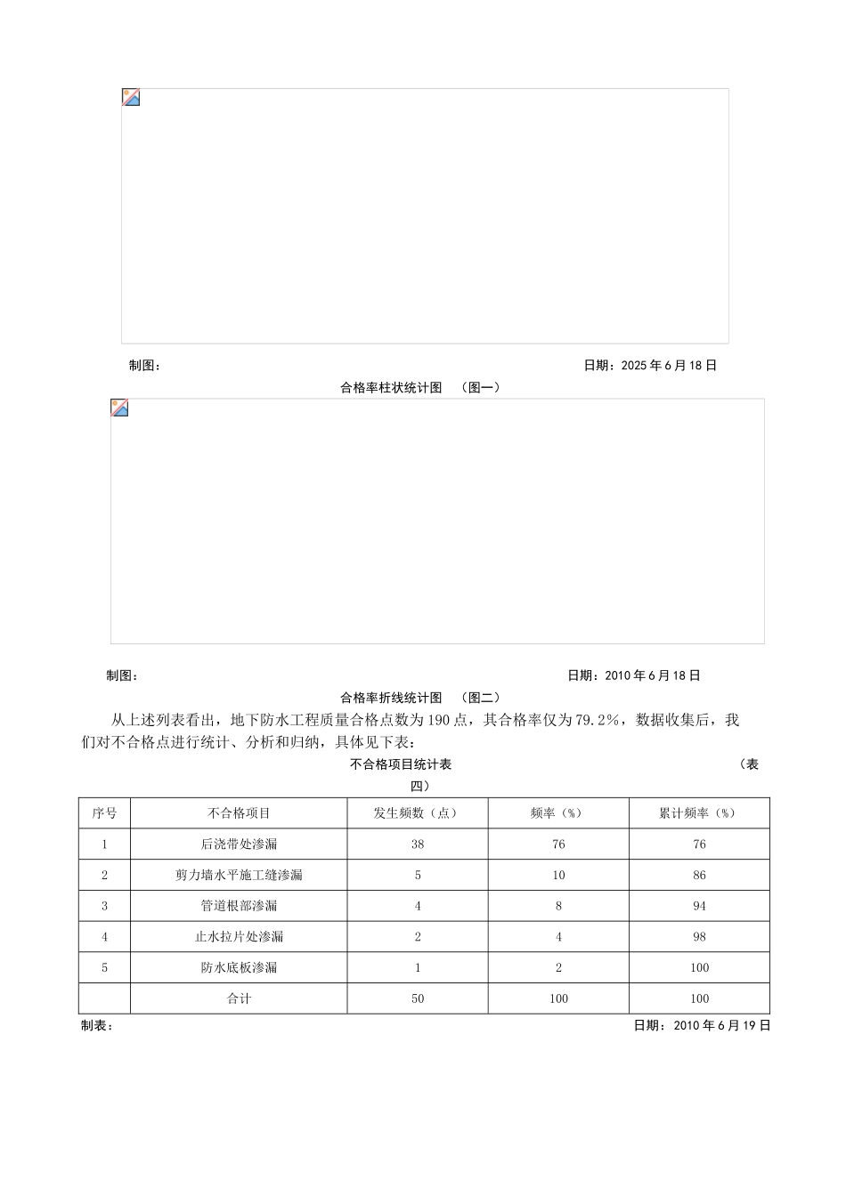
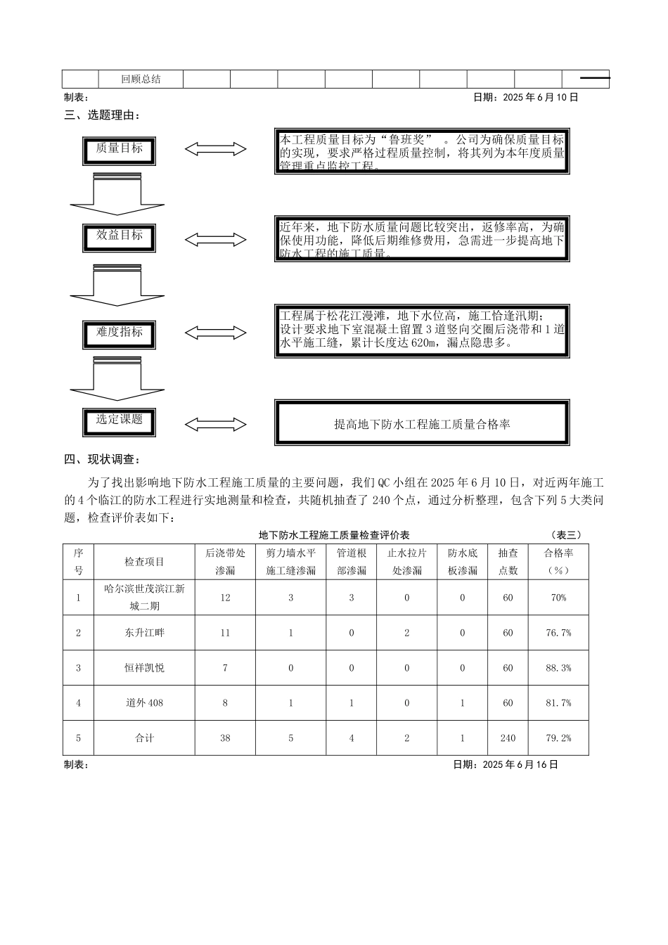
提高地下防水工程施工质量合格率第六公司 QC 小组一、工程概况及选题背景:科技办公室技术综合楼位于。建筑面积 30771.22㎡,建筑物总高度 83.4m。地下 1 层,地上 21 层,地下 1 层为车库用房。本工程邻近江边,属。施施工场地下防水等级为一级,地下防水施工将在 7 月下旬施工,此时哈尔滨恰逢汛期,自然地下水位为-3.5m,地下车库地面标高为-5.1m。为保证地下车库正常投入使用,并满足有用功能要求,提高该地下防水工程施工质量事在必行。二、小组概况:1.小组简介表 (表一)小组名称公司 QC 小组课题名称提高地下防水工程施工质量合格率注册编号1005 成立时间2010 年 5 月 25 日课题类型现场型小组人员10 人活动频率2 次/周小组活动时间2010 年 6 月 1 日至 2010 年 8 月 31 日出勤率100%小组接受 TQC 教育情况本活动小组成员均经过 TQC 教育学习课时36 小时成 员 简 介序号姓名性别文化程度职务职称组内职务小组分工1男本科总工程师高级工程师组长总体策划,指挥决策2男本科质检部长高级工程师副组长制定解决方案,质量监督,分析问题3男专科技术负责高级工程师组员组织施工生产,落实方案实施4男专科项目经理高级工程师组员方案实施5男大专技 术 员工程师组员方案实施6男大专技 术 员工程师组员方案实施7男大专质检负责工程师组员质量验收8女大专施 工 员助理工程师组员方案实施9女大专技 术 员助理工程师组员方案实施10女大专预 算 员助理工程师组员经济成本核算制表: 日期:2025 年 6 月 10 日2.小组活动计划表 (表二) 活动项目活动时间(2010 年 6 月 1 日~2010 年 8 月 31 日)6 月7 月8 月102030102031102031P选择课题现状调查设定目标原因分析要因确定制定对策D实施对策C效果检查A巩固措施回顾总结制表: 日期:2025 年 6 月 10 日三、选题理由:四、现状调查:为了找出影响地下防水工程施工质量的主要问题,我们 QC 小组在 2025 年 6 月 10 日,对近两年施工的 4 个临江的防水工程进行实地测量和检查,共随机抽查了 240 个点,通过分析整理,包含下列 5 大类问题,检查评价表如下: 地下防水工程施工质量检查评价表 (表三)序号检查项目后浇带处渗漏剪力墙水平施工缝渗漏管道根部渗漏止水拉片处渗漏防水底板渗漏抽查点数合格率(%)1哈尔滨世茂滨江新城二期1233006070%2东升江畔1110206076.7%3恒祥凯悦700006088.3%4道外 40...

1、当您付费下载文档后,您只拥有了使用权限,并不意味着购买了版权,文档只能用于自身使用,不得用于其他商业用途(如 [转卖]进行直接盈利或[编辑后售卖]进行间接盈利)。
2、本站所有内容均由合作方或网友上传,本站不对文档的完整性、权威性及其观点立场正确性做任何保证或承诺!文档内容仅供研究参考,付费前请自行鉴别。
3、如文档内容存在违规,或者侵犯商业秘密、侵犯著作权等,请点击“违规举报”。

碎片内容

提高地下防水工程施工质量合格率

不二商店+ 关注
实名认证
内容提供者

我是你的不二选择

确认删除?
VIP
微信客服
  • 扫码咨询
会员Q群
  • 会员专属群点击这里加入QQ群
客服邮箱
回到顶部