电脑桌面
添加小米粒文库到电脑桌面
安装后可以在桌面快捷访问

无功补偿装置安装单位工程

无功补偿装置安装单位工程_第1页
1/55
无功补偿装置安装单位工程_第2页
2/55
无功补偿装置安装单位工程_第3页
3/55
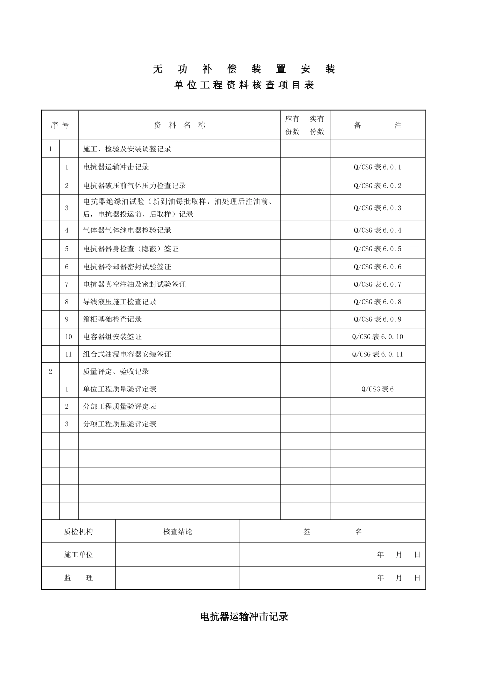
工 程 名 称: ××× kV 变电站 工程电气装置安装 无 功 补 偿 装 置 安 装单位工程竣工资料 编制单位: 编制日期: 无功补偿装置安装 单位工程竣工资料卷内目录序号文件编号责任人资料名称日期页次备注1单位工程资料核查项目表2施工、检验及安装调整记录3质量评定、验收记录1无功补偿装置安装单位工程质量验评定表2干式电抗器安装分部工程质量验评定表分项工程质量验评定表3油浸电抗器安装分部工程质量验收评定表分项工程质量验评定表4电容器隔离安装分部工程质量验收评定表分项工程质量验评定表5网栏安装分部工程质量验收评定表分项工程质量验评定表10电容器组带电试运行质量检验评定(签证)表油浸电抗器带电试运行质量检验评定(签证)表无 功 补 偿 装 置 安 装单 位 工 程 资 料 核 查 项 目 表序 号资 料 名 称应有份数实有份数备 注1施工、检验及安装调整记录1电抗器运输冲击记录Q/CSG 表 6.0.12电抗器破压前气体压力检查记录Q/CSG 表 6.0.23电抗器绝缘油试验(新到油每批取样,油处理后注油前、后,电抗器投运前、后取样)记录Q/CSG 表 6.0.34气体器气体继电器检验记录Q/CSG 表 6.0.45电抗器器身检查(隐蔽)签证Q/CSG 表 6.0.56电抗器冷却器密封试验签证Q/CSG 表 6.0.67电抗器真空注油及密封试验签证Q/CSG 表 6.0.78导线液压施工检查记录Q/CSG 表 6.0.89箱柜基础检查记录Q/CSG 表 6.0.910电容器组安装签证Q/CSG 表 6.0.1011组合式油浸电容器安装签证Q/CSG 表 6.0.112质量评定、验收记录1单位工程质量验评定表Q/CSG 表 62分部工程质量验评定表3分项工程质量验评定表质检机构核查结论签 名施工单位年 月 日监 理年 月 日电抗器运输冲击记录 Q/ CSG 表6.0.1电抗器型号额定电压 kV接线方式额定容量MVA额定电流A冷却方式短路阻抗%调压方式油 重t制造厂家出厂编号出厂日期电抗器运输和装卸过程中冲击记录值:注:1.冲击记录仪应在电抗器就位后,方可拆下2.应附厂家冲击记录仪的记录复印件3.如电抗器未装设冲击记录仪, 应在此注明,并应填写电抗器外观检查结果质检机构验 收 意 见签 名制造厂代表年 月 日项 目 部年 月 日监 理 年 月 日电抗器破压前气体压力检查记录Q/ CSG 表 6.0.2电抗器型号额定电压 kV接线方式额定容量MVA额定电流A冷却方式短路阻抗%调压方式油 重t制造厂家出厂编号出厂日期检 查 项 目油箱内气体压力各阶段气体压力值...

1、当您付费下载文档后,您只拥有了使用权限,并不意味着购买了版权,文档只能用于自身使用,不得用于其他商业用途(如 [转卖]进行直接盈利或[编辑后售卖]进行间接盈利)。
2、本站所有内容均由合作方或网友上传,本站不对文档的完整性、权威性及其观点立场正确性做任何保证或承诺!文档内容仅供研究参考,付费前请自行鉴别。
3、如文档内容存在违规,或者侵犯商业秘密、侵犯著作权等,请点击“违规举报”。

碎片内容

无功补偿装置安装单位工程

您可能关注的文档

一二三四传媒+ 关注
实名认证
内容提供者

大量资料供您选择,没有合适的可以联系小二。

确认删除?
VIP
微信客服
  • 扫码咨询
会员Q群
  • 会员专属群点击这里加入QQ群
客服邮箱
回到顶部