电脑桌面
添加小米粒文库到电脑桌面
安装后可以在桌面快捷访问

普通货物粮食类风险点风险辨析登记汇总表

普通货物粮食类风险点风险辨析登记汇总表_第1页
1/56
普通货物粮食类风险点风险辨析登记汇总表_第2页
2/56
普通货物粮食类风险点风险辨析登记汇总表_第3页
3/56
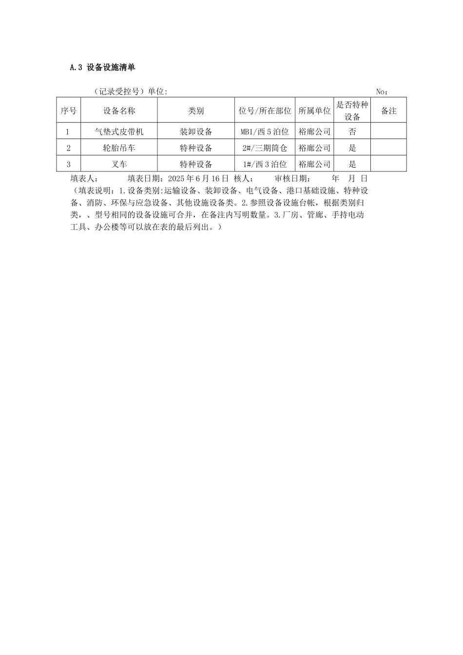
普通货物粮食类风险管理分析记录表格A.2 作业活动清单(记录受控号)单位: No:序号作业活动名称作业活动内容岗位/地点实施单位活动频率备注1灌包作业将灌包设备移动到作业场地、作业前进行设备线路连接、接电完成后需要进行试车、将散货称重后装进编织袋并缝包、装车、断电灌包维修工装卸工理货员运行队特定时间进行2临时接电作业维修人员进行现场环境及操作箱安全确认、断电、验电确认、接电、送电试验维修监管人员维修人员现场管理人员运行队频繁进行3动火作业办理动火手续、检查动火设备、、通知监管人员、安全告知、现场安全措施确认、接电、动火维修、清理现场维修监管人员安全员维修人员现场管理人员运行队频繁进行4植物油船舶装卸作业接管、进行管路气密性试验、开泵、管道传输植物油,巡视现场、拆管泄压等作业过程液体操作工操作队特定时间进行5货垛作业袋装货物落垛、取垛等作业过程操作司机操作队频繁进行6工属具搬运作业使用托盘车或叉车转运曲臂吊、抓斗、框架类吊具的作业过程操作司机操作队频繁进行7清仓作业清仓前劳保穿清仓员库场队频繁进行戴,仓内测氧、测尘至清仓过程中的安全监护、现场控制、线路检查; 人员上下扶梯及余料清扫作业等内容.装卸工安全员龙发公司8放料作业筒仓放料人员劳保穿戴、作业环境确认、操作手动阀进行发料作业及人员上下扶梯、余料清扫等内容货管员装卸工大车司机库场队明运公司频繁进行9库内装车作业货管员作业中环境确认、现场封闭及人员安全站位至机械装车作业完毕后场地清扫等作业内容。货管员装卸工大车司机机械司机库场队明运公司操作队频繁进行10车皮装车作业对车到位开始,经过一次验车、取货倒运至股道边、货物装车、起脊封车、二次验车,到排车结束,实现大豆、木薯干货物从前沿、库场或筒仓到装车入车皮进行疏港的整个作业过程。岗位:调度员、理货员、机械司机、灌包装车员、装卸人员。地点:公司所属股道,装车货物所在前沿、库场或筒仓。调度中心操作队库场队运行队频繁进行填表人: 填表日期:2025 年 6 月 16 日 审核人: 审核日期:年 月 日(活动频率:频繁进行、特定时间进行、定期进行。)A.3 设备设施清单(记录受控号)单位: No:序号设备名称类别位号/所在部位所属单位 是否特种设备备注1气垫式皮带机装卸设备MB1/西 5 泊位裕廊公司否2轮胎吊车特种设备2#/三期筒仓裕廊公司是3叉车特种设备1#/西 3 泊位裕廊公司是填表人: 填表日期:2025 年 6 月 16...

1、当您付费下载文档后,您只拥有了使用权限,并不意味着购买了版权,文档只能用于自身使用,不得用于其他商业用途(如 [转卖]进行直接盈利或[编辑后售卖]进行间接盈利)。
2、本站所有内容均由合作方或网友上传,本站不对文档的完整性、权威性及其观点立场正确性做任何保证或承诺!文档内容仅供研究参考,付费前请自行鉴别。
3、如文档内容存在违规,或者侵犯商业秘密、侵犯著作权等,请点击“违规举报”。

碎片内容

普通货物粮食类风险点风险辨析登记汇总表

确认删除?
VIP
微信客服
  • 扫码咨询
会员Q群
  • 会员专属群点击这里加入QQ群
客服邮箱
回到顶部