电脑桌面
添加小米粒文库到电脑桌面
安装后可以在桌面快捷访问

暖通工程一些施工表格

暖通工程一些施工表格_第1页
1/41
暖通工程一些施工表格_第2页
2/41
暖通工程一些施工表格_第3页
3/41
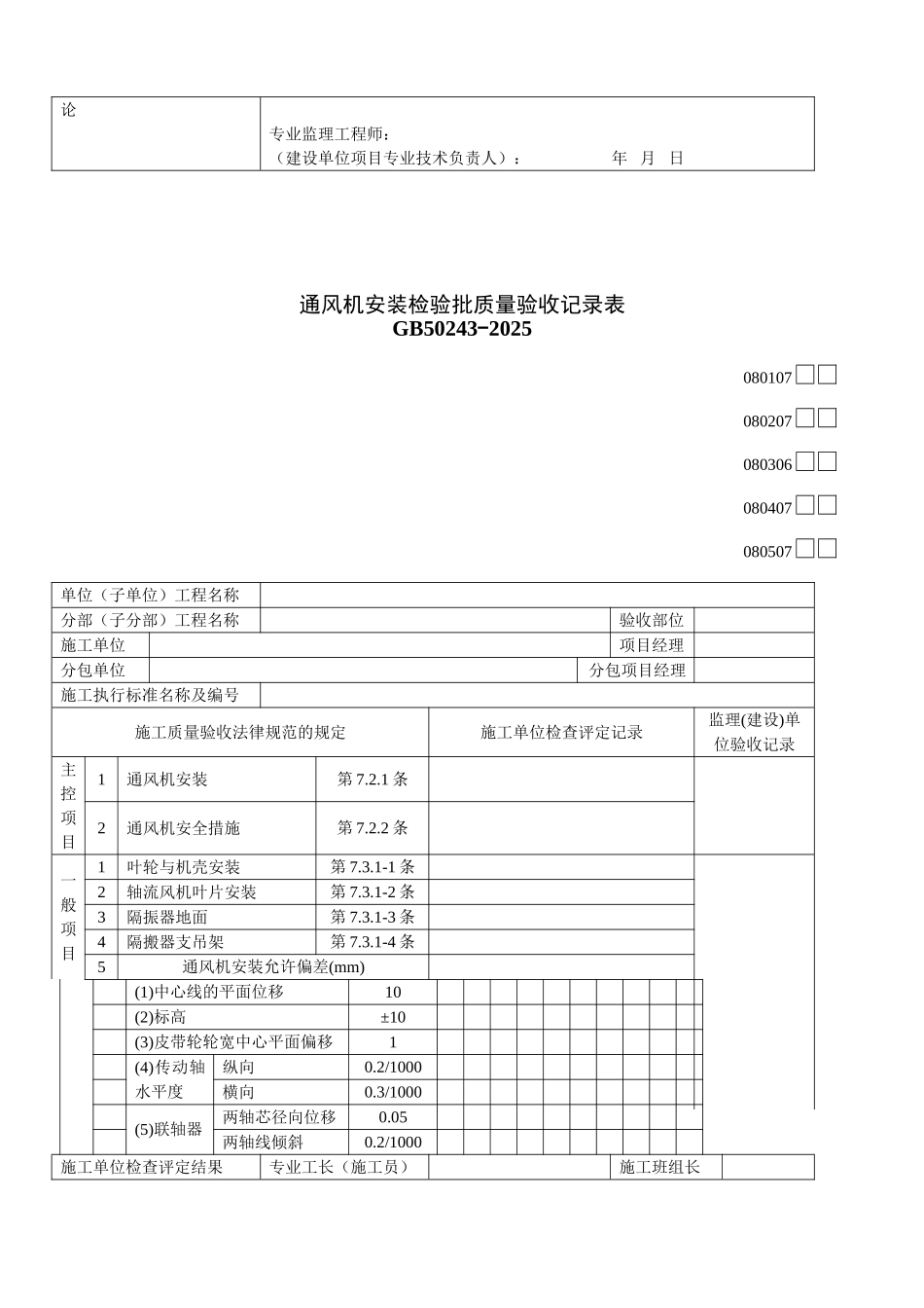
风管系统安装检验批质量验收记录表(送、排风,防排烟,除尘系统)GB50243-2025(Ⅰ) 080103080203080303080403080503单位(子单位)工程名称分部(子分部)工程名称验收部位施工单位项目经理分包单位分包项目经理施工执行标准名称及编号施工质量验收法律规范的规定施工单位检查评定记录监理(建设)单位验收记录主控项目1风管穿越防火、防爆墙第 6.2.1 条2风管内严禁其他管线穿越第 6.2.2 条3易燃、易爆环境风管第 6.2.2-2 条4室外立管的固定拉索第 6.2.2-3 条5高于 80℃风管系统第 6.2.3 条6风管部件安装第 6.2.4 条7手动密闭阀安装第 6.2.9 条8风管严密性检验第 6.2.8 条一般项目1风管系统安装第 6.3.1 条2无法兰风管系统安装第 6.3.2 条3风管连接的水平、垂直质量第 6.3.3 条4风管支、吊架安装第 6.3.4 条5铝板、不锈钢板风管安装第 6.3.1-8 条6非金属风管安装第 6.3.5 条7风阀安装第 6.3.8 条8风帽安装第 6.3.9 条9吸、排风罩安装第 6.3.10 条10风口安装第 6.3.11 条施工单位检查评定结果专业工长(施工员)施工班组长项目专业质量检查员: 年 月 日 监理(建设)单位验收结论专业监理工程师:(建设单位项目专业技术负责人): 年 月 日风管部件与消声器制作检验批质量验收记录表GB50243-2025080105080405080505单位(子单位)工程名称分部(子分部)工程名称验收部位施工单位项目经理分包单位分包项目经理施工执行标准名称及编号施工质量验收法律规范的规定施工单位检查评定记录监理(建设)单位验收记录主控项目1一般风阀第 5.2.1 条2电动风阀第 5.2.2 条3防火阀、排烟阀(口)第 5.2.3 条4防爆风阀第 5.2.4 条5净化空调系统风阀第 5.2.5 条6特别风阀第 5.2.6 条7防排烟柔性短管第 5.2.7 条8消防弯管、消声器第 5.2.8 条一般项目1调节风阀第 5.3.1 条2止回风阀第 5.3.2 条3插板风阀第 5.3.3 条4三通调节阀第 5.3.4 条5风量平衡阀第 5.3.5 条6风罩第 5.3.6 条7风帽第 5.3.7 条8矩形弯管导流叶片第 5.3.8 条9柔性短管第 5.3.9 条10消声器第 5.3.10 条11检查门第 5.3.11 条12风口验收第 5.3.12 条施工单位检查评定结果专业工长(施工员)施工班组长项目专业质量检查员: 年 月 日 监理(建设)单位验收结论专业监理工程师:(建设单位项目专业技术负责人): 年 月 日通风机安装检验批质量验收记录表GB50243-2025 080107080207080306080407080507单...

1、当您付费下载文档后,您只拥有了使用权限,并不意味着购买了版权,文档只能用于自身使用,不得用于其他商业用途(如 [转卖]进行直接盈利或[编辑后售卖]进行间接盈利)。
2、本站所有内容均由合作方或网友上传,本站不对文档的完整性、权威性及其观点立场正确性做任何保证或承诺!文档内容仅供研究参考,付费前请自行鉴别。
3、如文档内容存在违规,或者侵犯商业秘密、侵犯著作权等,请点击“违规举报”。

碎片内容

暖通工程一些施工表格

您可能关注的文档

确认删除?
VIP
微信客服
  • 扫码咨询
会员Q群
  • 会员专属群点击这里加入QQ群
客服邮箱
回到顶部