电脑桌面
添加小米粒文库到电脑桌面
安装后可以在桌面快捷访问

机械动力设备一级保养书

机械动力设备一级保养书_第1页
1/1
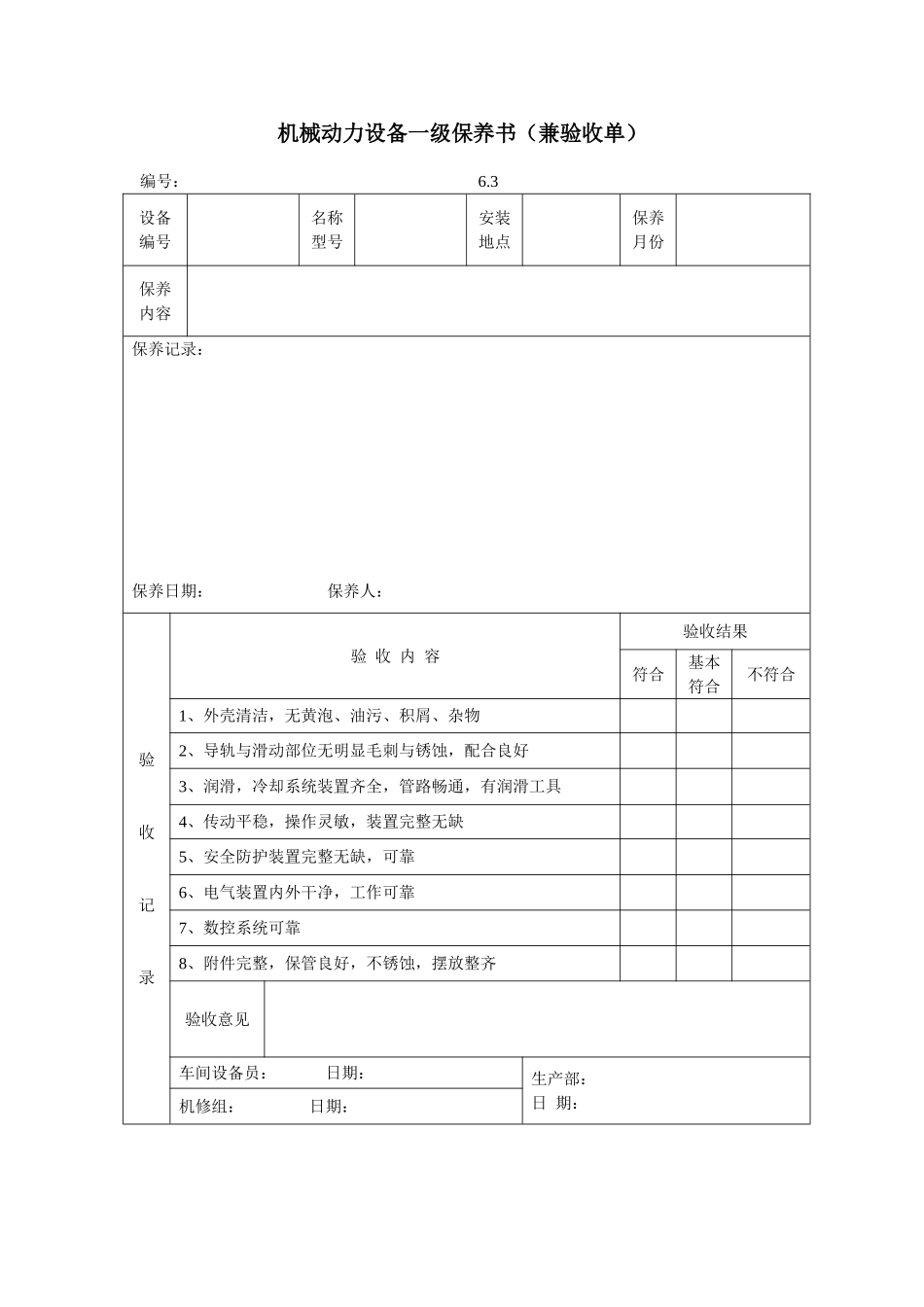
机械动力设备一级保养书(兼验收单)编号: 6.3 设备编号名称型号安装地点保养月份保养内容保养记录:保养日期: 保养人:验 收 记录验 收 内 容验收结果符合基本符合不符合1、外壳清洁,无黄泡、油污、积屑、杂物2、导轨与滑动部位无明显毛刺与锈蚀,配合良好3、润滑,冷却系统装置齐全,管路畅通,有润滑工具4、传动平稳,操作灵敏,装置完整无缺5、安全防护装置完整无缺,可靠6、电气装置内外干净,工作可靠7、数控系统可靠8、附件完整,保管良好,不锈蚀,摆放整齐验收意见车间设备员: 日期:生产部:日 期:机修组: 日期:

1、当您付费下载文档后,您只拥有了使用权限,并不意味着购买了版权,文档只能用于自身使用,不得用于其他商业用途(如 [转卖]进行直接盈利或[编辑后售卖]进行间接盈利)。
2、本站所有内容均由合作方或网友上传,本站不对文档的完整性、权威性及其观点立场正确性做任何保证或承诺!文档内容仅供研究参考,付费前请自行鉴别。
3、如文档内容存在违规,或者侵犯商业秘密、侵犯著作权等,请点击“违规举报”。

碎片内容

机械动力设备一级保养书

人从众+ 关注
实名认证
内容提供者

欢迎光临小店,本店以公文和教育为主,希望符合您的需求。

确认删除?
VIP
微信客服
  • 扫码咨询
会员Q群
  • 会员专属群点击这里加入QQ群
客服邮箱
回到顶部