电脑桌面
添加小米粒文库到电脑桌面
安装后可以在桌面快捷访问

机械劳动临时用地

机械劳动临时用地_第1页
1/4
机械劳动临时用地_第2页
2/4
机械劳动临时用地_第3页
3/4
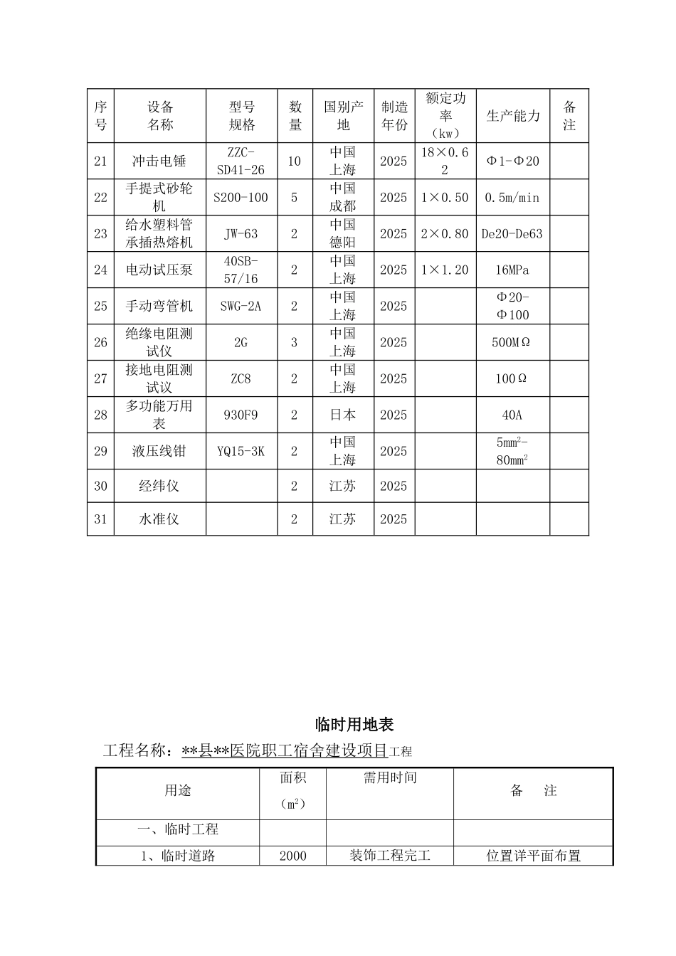
劳动力计划表单位:人工 种、级别按工程施工阶段投入劳动力情况基础主体屋面装饰、装修竣工收尾备注木架工10 6020//混凝土工1230125/钢筋工1230122/抹灰工18302012010砖工30 607905防水工2418装饰技工6010电焊工23222机修工22222水电工610102010机操工44442普工6060606020拟投入的主要施工机械设备表序号设备名称型号规格数量国别产地制造年份额定功率(kw)生产能力备注1自升式塔机C50151成都202538.62自升式塔机C45101成都2025153门架JZ-18成都2025114搅拌机JZC-3504雅安20255.5KW8-12m3/h5插入式振动器HZ-306雅安20251.1KW6插入式振动器HZ-506雅安20251.1KW7平板式振动器B11A2成都20251.1KW8闪光对焊机UN1-1002成都2025100KVA9沟通电焊机BX3-3002四川202530KVA10钢筋切断机QC40-12徐州20255.5KW11钢筋调直机JM-3372徐州20257.5KW12钢筋弯曲机GW40-12徐州20253.5KW13圆盘锯MJ1044无锡20253KW14水泵3BA-61德阳20257.5KW15打夯机HV-606四川20252.8KW16压路机YZ161徐州2001115KW17套丝机TQ100-A2中国成都20252×0.75DN15-DN10018切管机Q200-A4中国成都20253×1.25Φ5-Φ15019切割机4中国成都202520潜水泵WQ10×20-2.22中国成都20252×2.220m3/h序号设备名称型号规格数量国别产地制造年份额定功率(kw)生产能力备注21冲击电锤ZZC-SD41-2610中国上海202518×0.62Φ1-Φ2022手提式砂轮机S200-1005中国成都20251×0.500.5m/min23给水塑料管承插热熔机JW-632中国德阳20252×0.80De20-De6324电动试压泵40SB-57/162中国上海20251×1.2016MPa25手动弯管机SWG-2A2中国上海2025Φ20-Φ10026绝缘电阻测试仪2G3中国上海2025500MΩ27接地电阻测试议ZC82中国上海2025100Ω28多功能万用表930F92日本202540A29液压线钳YQ15-3K2中国上海20255mm2-80mm230经纬仪2江苏202531水准仪2江苏2025临时用地表工程名称:** 县 ** 医院职工宿舍建设项目 工程用途面积(m2)需用时间备 注一、临时工程1、临时道路2000装饰工程完工位置详平面布置二、生活及生产临时设施1、临时住房500开工至竣工位置详平面布置2、办公等公用房间180开工至竣工位置详平面布置3、库房50开工至竣工位置详平面布置4、搅 拌 棚200开工至竣工位置详平面布置5、木 工 房70根据工程进度位置详平面布置6、钢 筋 房150根据工程进度位置详平面布置7、门 卫 10开工至竣工位置详平面布置8、食堂厨房80开工至竣工位置详平面布置9、厕 所20开工至竣工分男、女厕所10、浴室20开工至竣工分男、女厕所合计3280

1、当您付费下载文档后,您只拥有了使用权限,并不意味着购买了版权,文档只能用于自身使用,不得用于其他商业用途(如 [转卖]进行直接盈利或[编辑后售卖]进行间接盈利)。
2、本站所有内容均由合作方或网友上传,本站不对文档的完整性、权威性及其观点立场正确性做任何保证或承诺!文档内容仅供研究参考,付费前请自行鉴别。
3、如文档内容存在违规,或者侵犯商业秘密、侵犯著作权等,请点击“违规举报”。

碎片内容

机械劳动临时用地

津创媒+ 关注
实名认证
内容提供者

欢迎交流文创,小店资料希望满足您的需要。

确认删除?
VIP
微信客服
  • 扫码咨询
会员Q群
  • 会员专属群点击这里加入QQ群
客服邮箱
回到顶部