电脑桌面
添加小米粒文库到电脑桌面
安装后可以在桌面快捷访问

某住宅工程井架搭设施工方案

某住宅工程井架搭设施工方案_第1页
1/5
某住宅工程井架搭设施工方案_第2页
2/5
某住宅工程井架搭设施工方案_第3页
3/5
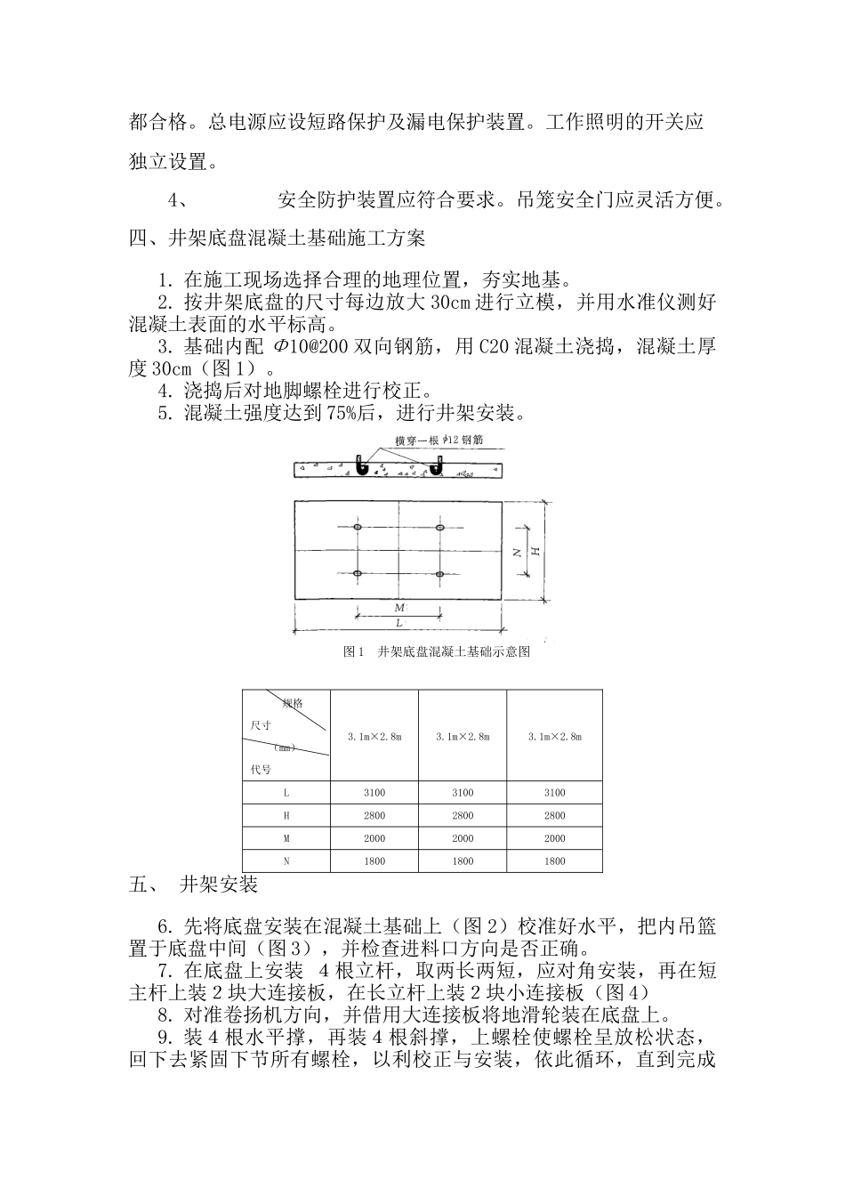
井架搭设施工方案一、 工程概况:丹阳市*****区二期工程建设单位为****村民委员会、****设计院设计****建设实业有限公司承建。本工程位于****区,计 40 幢楼,总建筑面积为 14 万平方米,建筑高度 17.0m(最高檐口高度).二、 组织工作井架物料提升机,不论是发装还是拆卸,作业前都要根据现场工作条件及设备情况详细编制作业方案,成立专业小组。各专业工程人员必须配备合理、齐全;主要由架子工、机械工、电工、操作司机、专职安全员、电焊工等组成,并确定负责人统一指挥,对作业人员进行周密分工交底,规定安全警戒区,设监护人员,排除作业障碍。三、 安装前的检查1、 金属结构的成套性和完好性。主要包括:架体(立柱、天梁)、吊笼、导轨及底盘。2、 捉升机构应完好。卷扬机的选用,应满足额定起重量、提升高度及提升速度等参数的要求;滑轮应采纳滚动轴承支承;滑轮组与架体(或吊笼)采纳刚性连接;提升钢丝绳不得接长使用;绳端部的固定必须符合法律规范要求。3、 电气设备应齐全可靠。选用的电气设备及电气元件必须符合提升机工作性能、工作环境等条件的要求,并全都合格。总电源应设短路保护及漏电保护装置。工作照明的开关应独立设置。4、 安全防护装置应符合要求。吊笼安全门应灵活方便。四、井架底盘混凝土基础施工方案1. 在施工现场选择合理的地理位置,夯实地基。2. 按井架底盘的尺寸每边放大 30cm 进行立模,并用水准仪测好混凝土表面的水平标高。3. 基础内配 Φ10@200 双向钢筋,用 C20 混凝土浇捣,混凝土厚度 30cm(图 1)。4. 浇捣后对地脚螺栓进行校正。5. 混凝土强度达到 75%后,进行井架安装。规格尺寸(mm)代号3.1m×2.8m3.1m×2.8m3.1m×2.8mL310031003100H280028002800M200020002000N180018001800五、 井架安装6. 先将底盘安装在混凝土基础上(图 2)校准好水平,把内吊篮置于底盘中间(图 3),并检查进料口方向是否正确。7. 在底盘上安装 4根立杆,取两长两短,应对角安装,再在短主杆上装2块大连接板,在长立杆上装2块小连接板(图 4)8. 对准卷扬机方向,并借用大连接板将地滑轮装在底盘上。9. 装4根水平撑,再装4根斜撑,上螺栓使螺栓呈放松状态,回下去紧固下节所有螺栓,以利校正与安装,依此循环,直到完成图 1 井架底盘混凝土基础示意图(图 5)。10.内吊篮装好第一节时,先把4根导轨装上去与有孔平撑紧固(图 6)。11.装顶上竖撑时,把2根短竖撑装上去,装...

1、当您付费下载文档后,您只拥有了使用权限,并不意味着购买了版权,文档只能用于自身使用,不得用于其他商业用途(如 [转卖]进行直接盈利或[编辑后售卖]进行间接盈利)。
2、本站所有内容均由合作方或网友上传,本站不对文档的完整性、权威性及其观点立场正确性做任何保证或承诺!文档内容仅供研究参考,付费前请自行鉴别。
3、如文档内容存在违规,或者侵犯商业秘密、侵犯著作权等,请点击“违规举报”。

碎片内容

某住宅工程井架搭设施工方案

确认删除?
VIP
微信客服
  • 扫码咨询
会员Q群
  • 会员专属群点击这里加入QQ群
客服邮箱
回到顶部