电脑桌面
添加小米粒文库到电脑桌面
安装后可以在桌面快捷访问

某厂区临时用电施工方案

某厂区临时用电施工方案_第1页
1/14
某厂区临时用电施工方案_第2页
2/14
某厂区临时用电施工方案_第3页
3/14
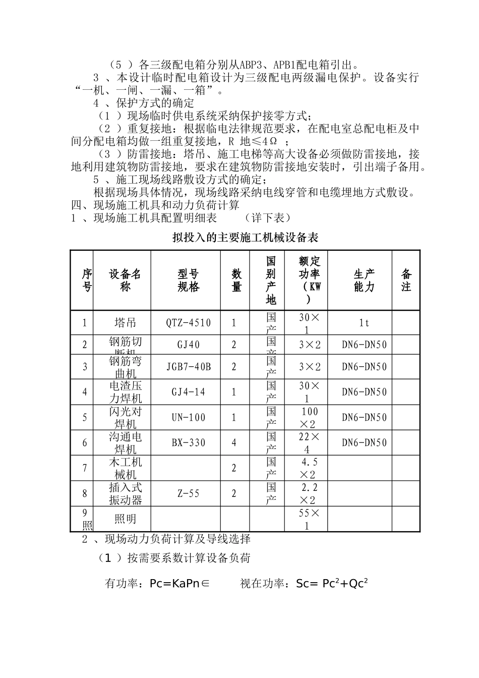
工 程 施 工 现 场 临 时 用 电 施 工 组 织 设计为加强对施工现场临时用电管理,保证施工用电安全可靠、经济合理,达到用电设备安装、维修方便和保障现场作业人员人身安全及机械设备安全运行的目的。根据《施工现场临时用电安全技术法律规范》(JGJ46-2025)要求,结合现场实际情况,编制施工现场临时用电施工组织设计。一、工程概况按施工合同划分规定,本公司施工包括1 、2#车间、1 、2#装配车间、研发车间及总坪土建及安装施工内容。1 、2#车间为钢结构,总计建筑面积为77677.00m2 。1 、2#装配车间,研发车间均为地上3 层,建筑总高度92.40m。施工现场所处场地平整,施工场地已修建好的临时配电房约9 ㎡。根据工程的平面布置,我公司所施工的范围,为了便于施工操作层移动配电箱,将供给电渣压力焊、电焊机、振动器及工作面的局部照明使用,将上述几个电源的二级配电箱设在一个钢筋制作房及1 、2#车间,1 、2#装配车间,研发车间附近。用于本工程的设备主要有塔吊、钢筋制作设备及焊接机械、木工机械等。二、编制依据 1 、《施工现场临时用电安全技术法律规范》(JGJ46-2025)的有关规定; 2 、《建筑施工安全检查标准》(JGJ59-99)的有关规定; 3 、广德设计有限公司设计(下简称工程)施工设计图纸; 4 、已编制好的《成都市黑马安业车辆部件系统有限公司施工组织设计》(下简称施工设计)。5 、除执行上面提及的法律规范外,还要执行现行的国家有关标准、法律规范的规定。三、施工现场临时供电方案的确定1 、供电系统的确定:380/220V市电由业主方配电室(接零保护)提供,以电缆埋地穿钢管配线引至施工场地配电室,在总配电柜处做一组重复接地,施工现场采纳TN-S三相五线制接零保护系统供电方式供电。2 、现场线路方案的确定本设计中临时供电方式选择放射式与树干式相结合的供电方式,根据实际施工场地布置确定线路如下:(1 )N1、N6回路由总配电柜分别引至APB1柜;(2 )N2、N4、N5、N7回路由总配电箱引至ABP3柜。(3 )N5回路由总配电箱引至AL1 、AL2 。(4 )N1、N8回路为备用回路。(5 )各三级配电箱分别从ABP3、APB1配电箱引出。3 、本设计临时配电箱设计为三级配电两级漏电保护。设备实行“一机、一闸、一漏、一箱”。4 、保护方式的确定(1 )现场临时供电系统采纳保护接零方式;(2 )重复接地:根据临电法律规范要求,在配电室总配电柜及中间分配电箱均做一组重复接地,R 地≤...

1、当您付费下载文档后,您只拥有了使用权限,并不意味着购买了版权,文档只能用于自身使用,不得用于其他商业用途(如 [转卖]进行直接盈利或[编辑后售卖]进行间接盈利)。
2、本站所有内容均由合作方或网友上传,本站不对文档的完整性、权威性及其观点立场正确性做任何保证或承诺!文档内容仅供研究参考,付费前请自行鉴别。
3、如文档内容存在违规,或者侵犯商业秘密、侵犯著作权等,请点击“违规举报”。

碎片内容

某厂区临时用电施工方案

您可能关注的文档

确认删除?
VIP
微信客服
  • 扫码咨询
会员Q群
  • 会员专属群点击这里加入QQ群
客服邮箱
回到顶部