电脑桌面
添加小米粒文库到电脑桌面
安装后可以在桌面快捷访问

某铁路特大桥旋挖钻孔灌注桩施工作业指导书

某铁路特大桥旋挖钻孔灌注桩施工作业指导书_第1页
1/10
某铁路特大桥旋挖钻孔灌注桩施工作业指导书_第2页
2/10
某铁路特大桥旋挖钻孔灌注桩施工作业指导书_第3页
3/10
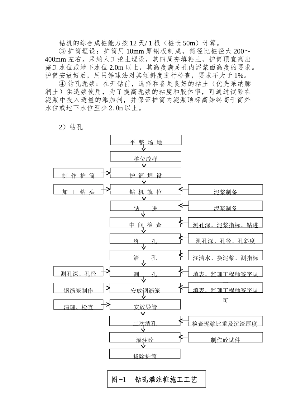
XX 铁路客运专线桥梁工程桥梁桩基施工作业指导书1. 目的明确桥梁桩基钻孔桩施工作业的工艺流程、操作要点和相应的工艺标准,指导、法律规范桩基作业施工。 2. 适用范围本作业指导书适用于 XX 客运专线站前 2 标桥梁桩基施工。3. 引用标准及执行文件Q/SD3-GLSC-2025 《管理手册》 (D 版)Q/SD3-CX-01-29-2008 《程序文件》 (D 版)Q/SD3-CX-2025 《工作环境控制程序》 (D 版)《客运专线桥涵工程施工技术指南》TZ213-2025《客运专线铁路桥涵工程施工质量验收暂行标准》铁建设(2025)160 号《铁路混凝土工程施工质量验收补充标准》铁建设[2025]160 号《铁路桥涵施工法律规范》TB10203-2025《铁路混凝土工程施工质量补充标准》铁建设(2025)160 号《铁路桥涵设计基本法律规范》TB10002.1-2025《铁路桥涵地基和基础设计法律规范》TB10002.5-2025《客运专线高性能混凝土暂行技术条件》4. 工程概况新建铁路 XX 至 XX 铁路客运专线工程站前施工Ⅱ标起讫里程为 DK211+192.9~DK260+000,全长 49.412km。主要工程包括桥梁15 座总长 27156.08 延米,特大桥梁 7 座 24903.28 延长米,大中桥 8座计 2252.80 延长米。5. 施工方案钻孔桩采纳旋挖钻、冲击式和反循环式钻机成孔,主要施工工序有:平整场地、桩位放样、护筒埋设,制备泥浆、钻孔、清孔、钢筋笼制作及就位、水下砼浇注等。钻孔灌注桩施工工艺流程见框图-11)施工准备① 钻孔场地:在旱地上,场地采纳人工清除杂物,人工配合机械整平钻机平台;在浅水中,宜用筑岛围堰法施工,筑岛面积要能保证钻机正常作业和灌注砼需要。② 桩位放样:测定桩位和地面标高,并在桩的前后左右距中心2m 处分别设置护桩,以供随时检测桩中心和标高。表 1 钻孔灌注桩分项作业进度指标分项工程钻机定位钻进第一次清孔吊放钢筋笼安装导管第二次清孔灌注水下砼合计单桩作业时间2h268h4h4h2h2h6h288h钻机的综合成桩能力按 12 天/ 1 根(桩长 50m)计算。③ 护筒埋设:护筒用 10mm 厚钢板制成,筒径比桩径大 200~400mm 左右。采纳人工挖土埋设,其四周夯填粘土,护筒顶宜高出施工水位或地下水位 2.0m 以上,其高度满足孔内泥浆面高度的要求。护筒安放好后,用吊锤球法对其倾斜度进行检查,要求不大于 1%。④ 钻孔泥浆:在开钻前,选择和备足良好的粘土(优先采纳膨润土)供造浆使用,为了提高泥浆的粘度和胶体率,可通过试验在泥浆中投入适量的添加剂,并保证...

1、当您付费下载文档后,您只拥有了使用权限,并不意味着购买了版权,文档只能用于自身使用,不得用于其他商业用途(如 [转卖]进行直接盈利或[编辑后售卖]进行间接盈利)。
2、本站所有内容均由合作方或网友上传,本站不对文档的完整性、权威性及其观点立场正确性做任何保证或承诺!文档内容仅供研究参考,付费前请自行鉴别。
3、如文档内容存在违规,或者侵犯商业秘密、侵犯著作权等,请点击“违规举报”。

碎片内容

某铁路特大桥旋挖钻孔灌注桩施工作业指导书

您可能关注的文档

确认删除?
VIP
微信客服
  • 扫码咨询
会员Q群
  • 会员专属群点击这里加入QQ群
客服邮箱
回到顶部