电脑桌面
添加小米粒文库到电脑桌面
安装后可以在桌面快捷访问

标准工程管理部考核表

标准工程管理部考核表_第1页
1/2
标准工程管理部考核表_第2页
2/2
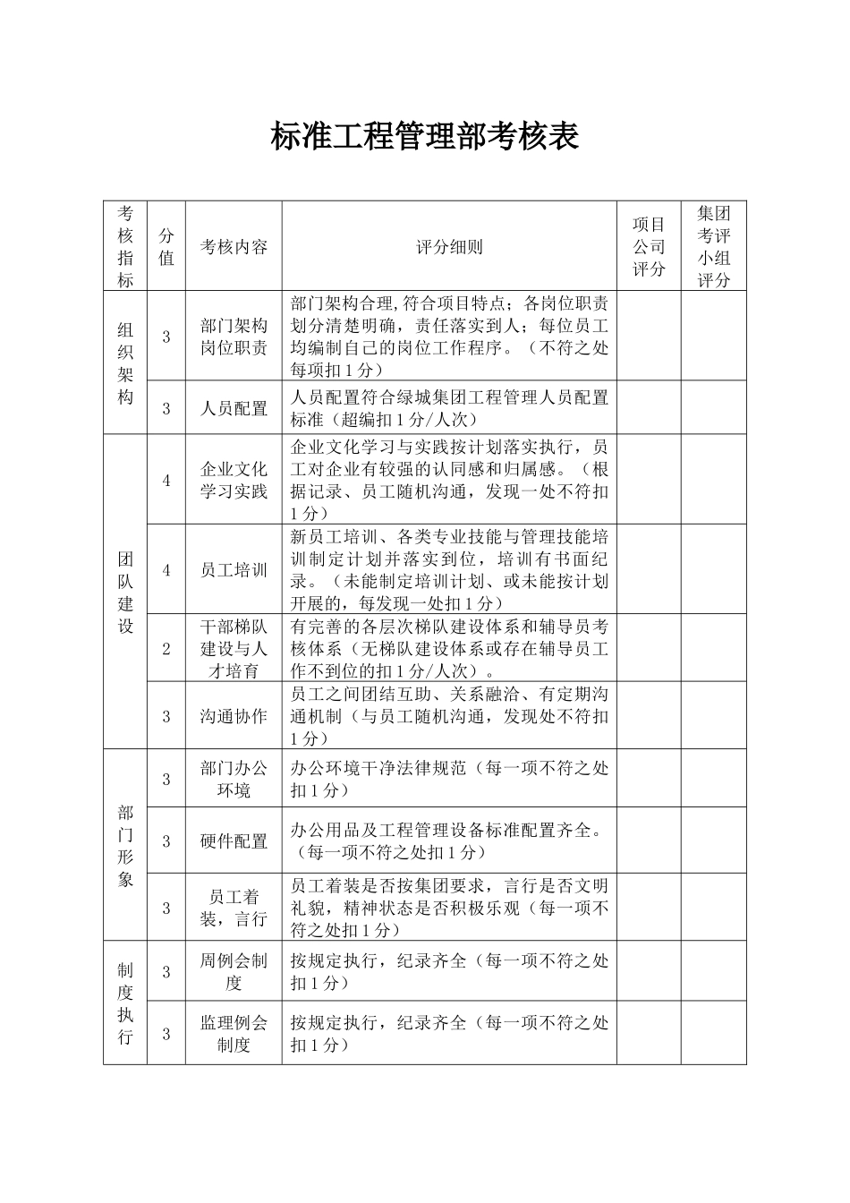
标准工程管理部考核表考核指标分值考核内容评分细则项目公司评分集团考评小组评分组织架构3部门架构岗位职责部门架构合理,符合项目特点;各岗位职责划分清楚明确,责任落实到人;每位员工均编制自己的岗位工作程序。(不符之处每项扣 1 分)3人员配置人员配置符合绿城集团工程管理人员配置标准(超编扣 1 分/人次)团队建设4企业文化学习实践企业文化学习与实践按计划落实执行,员工对企业有较强的认同感和归属感。(根据记录、员工随机沟通,发现一处不符扣1 分)4员工培训新员工培训、各类专业技能与管理技能培训制定计划并落实到位,培训有书面纪录。(未能制定培训计划、或未能按计划开展的,每发现一处扣 1 分)2干部梯队建设与人才培育有完善的各层次梯队建设体系和辅导员考核体系(无梯队建设体系或存在辅导员工作不到位的扣 1 分/人次)。3沟通协作员工之间团结互助、关系融洽、有定期沟通机制(与员工随机沟通,发现处不符扣1 分)部门形象3部门办公环境办公环境干净法律规范(每一项不符之处扣 1 分)3硬件配置办公用品及工程管理设备标准配置齐全。(每一项不符之处扣 1 分)3员工着装,言行员工着装是否按集团要求,言行是否文明礼貌,精神状态是否积极乐观(每一项不符之处扣 1 分)制度执行3周例会制度按规定执行,纪录齐全(每一项不符之处扣 1 分)3监理例会制度按规定执行,纪录齐全(每一项不符之处扣 1 分)2专题会议制度按规定执行,纪录齐全(每一项不符之处扣 1 分)3工作笔记制度按规定执行,纪录齐全(每一项不符之处扣 1 分)3技术交底制度按规定执行,纪录齐全(每一项不符之处扣 1 分)5现场巡查制度按规定执行,纪录齐全(每一项不符之处扣 1 分)工程管理20质量控制现场施工质量符合绿城集团各个专业的相关质量管理节点要求,并达到该项目上报的绿城集团精品工程目标要求。(现场检查每发现一处质量问题扣 2 分、严重问题每处扣 5 分)10进度控制阶段性进度控制符合年度计划控制目标要求。(重要节点每一处不符扣 2 分)6成本控制 阶段性成本控制符合成本控制目标要求,配合成本部实行成本动态跟踪。(每一专业不符扣 1 分)4安全文明管理现场安全文明施工符合当地安全文明双标化要求,并符合绿城集团现场安全文明施工标准要求。(每一处不符扣 1 分)5信息及合同管理各类文档资料齐全,归类清楚;工程管理中严格执行合同条款。(每一处不符扣 1分)其他5各 项 配 合工作...

1、当您付费下载文档后,您只拥有了使用权限,并不意味着购买了版权,文档只能用于自身使用,不得用于其他商业用途(如 [转卖]进行直接盈利或[编辑后售卖]进行间接盈利)。
2、本站所有内容均由合作方或网友上传,本站不对文档的完整性、权威性及其观点立场正确性做任何保证或承诺!文档内容仅供研究参考,付费前请自行鉴别。
3、如文档内容存在违规,或者侵犯商业秘密、侵犯著作权等,请点击“违规举报”。

碎片内容

标准工程管理部考核表

您可能关注的文档

确认删除?
VIP
微信客服
  • 扫码咨询
会员Q群
  • 会员专属群点击这里加入QQ群
客服邮箱
回到顶部