电脑桌面
添加小米粒文库到电脑桌面
安装后可以在桌面快捷访问

样板间施工方案

样板间施工方案_第1页
1/17
样板间施工方案_第2页
2/17
样板间施工方案_第3页
3/17
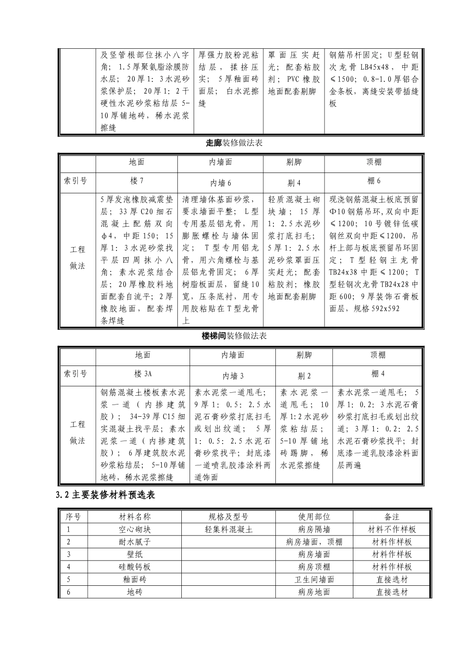
目 录1、 编制依据...............................................................12 、 工程概况 ............................................................... 0 3 、 样板间总体计划 ......................................................... 1 3.1 样板间主要工程做法 ........................................................... 1 3.2 主要装修材料预选表 ........................................................... 2 3.3 施工时间安排 ................................................................. 3 3.4 样板间施工主要特点难点 ....................................................... 3 4 、 样板间装修总承包施工管理 ............................................... 3 5 、 样板间各分项工程施工工艺 ............................................... 5 5.1 门窗工程 ..................................................................... 5 5.2 地面工程 ..................................................................... 7 5.3 吊顶工程 ..................................................................... 9 5.4 刮腻子涂料工程 .............................................................. 11 5.5 墙面工程 .................................................................... 12 5.6 卫生间装修工程 .............................................................. 14 5.7 楼梯间装修工程 .............................................................. 16 6 、 附件 .................................................................. 16 6.1 样板间内部装修做法平面图 .................................................... 16 6.2 样板间施工计划 .............................................................. 16 6.3 样板间验收单 ................................................................ 16 1、 编制依据序号名 称编 号1中元国际工程设计讨论院提供的施工图纸Q219G1-G00302建筑装饰装修工程质量验收法律规范GB50210-20013建筑地面工程施工质量验收法律规范GB50209-20254住宅装饰装修工程施工法律规范GB 50327-20015建筑涂饰工程施工及验收规程JGJ/T...

1、当您付费下载文档后,您只拥有了使用权限,并不意味着购买了版权,文档只能用于自身使用,不得用于其他商业用途(如 [转卖]进行直接盈利或[编辑后售卖]进行间接盈利)。
2、本站所有内容均由合作方或网友上传,本站不对文档的完整性、权威性及其观点立场正确性做任何保证或承诺!文档内容仅供研究参考,付费前请自行鉴别。
3、如文档内容存在违规,或者侵犯商业秘密、侵犯著作权等,请点击“违规举报”。

碎片内容

样板间施工方案

确认删除?
VIP
微信客服
  • 扫码咨询
会员Q群
  • 会员专属群点击这里加入QQ群
客服邮箱
回到顶部