电脑桌面
添加小米粒文库到电脑桌面
安装后可以在桌面快捷访问

框架结构建筑工程临时用电工程施工方案

框架结构建筑工程临时用电工程施工方案_第1页
1/29
框架结构建筑工程临时用电工程施工方案_第2页
2/29
框架结构建筑工程临时用电工程施工方案_第3页
3/29
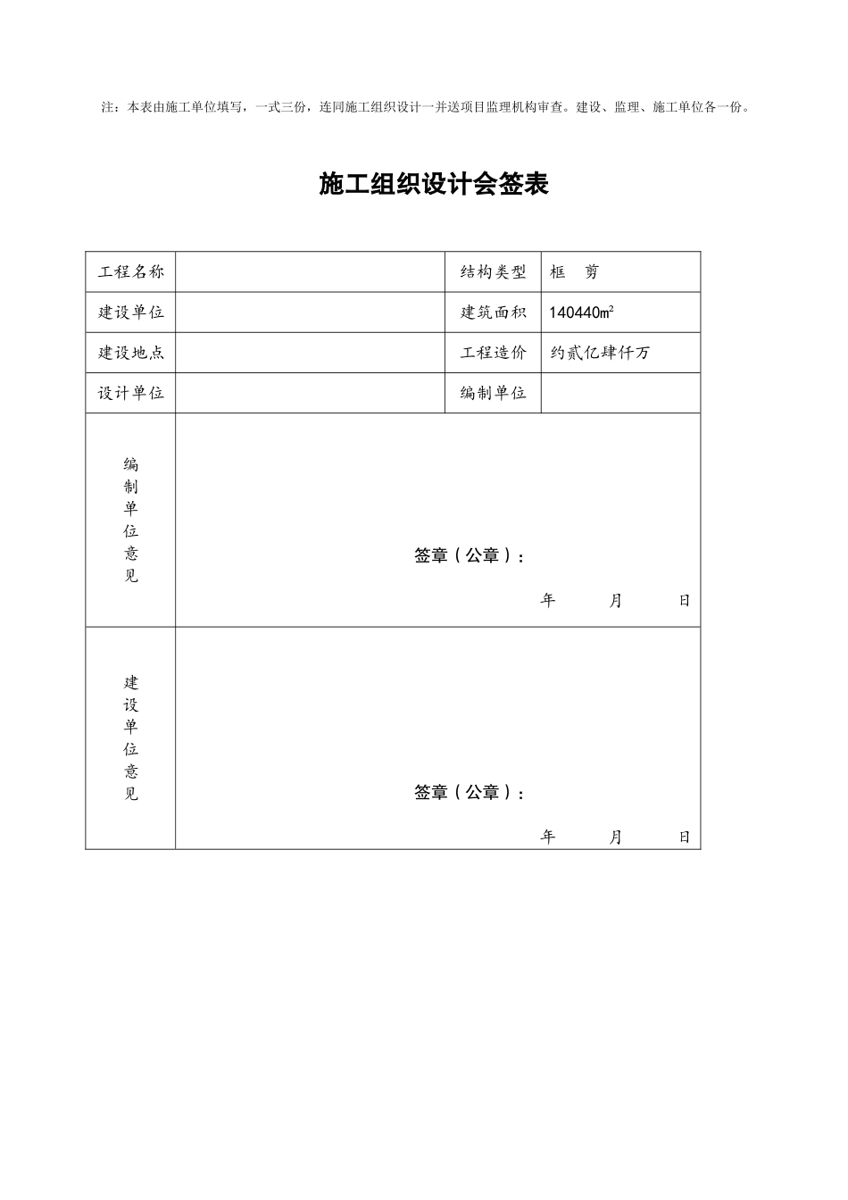
施工组织设计(方案)报审表 工程名称:xxxx 基地项目 编号:致四川飞红建设工程监理有限公司(监理单位): 现报上临时用电施工组织设计(方案)(全套、部分),已经我单位上级技术负责人审查批准,请予审查和批准。 附: 承包单位项目部(公章): 项目负责人(签字): 项目技术负责人(签字): 日 期: 专业监理工程师审查意见:1、同意 2、不同意 3、按以下主要内容修改补充专业监理工程师(签字): 日 期: 总监理工程师审查意见:1、同意 2、不同意 3、按以下主要内容修改补充并于 月 日前报来。 项目监理机构(公章): 总监理工程师(签字): 日 期: 注:本表由施工单位填写,一式三份,连同施工组织设计一并送项目监理机构审查。建设、监理、施工单位各一份。施工组织设计会签表工程名称结构类型框 剪建设单位建筑面积140440m²建设地点工程造价约贰亿肆仟万设计单位编制单位编制单位意见 签章(公章):年 月 日建设单位意见 签章(公章):年 月 日监理单位意见 签章(公章): 年 月 日注:本表由施工单位填写,一式三份,连同施工组织设计一并送项目监理机构审查。建设、监理、施工单位各一份。 目 录1.概况...........................................................................................................................................22.现场勘测:...............................................................................................................................23.进行负荷计算:.......................................................................................................................23.1 土建设备负荷表:.........................................................................................................23.2 安装设备负荷表:.........................................................................................................33.3 办公、生活区负荷:.....................................................................................................33.4 总有效负荷计算.............................................................................................................44.变压器容量校核...........................................................

1、当您付费下载文档后,您只拥有了使用权限,并不意味着购买了版权,文档只能用于自身使用,不得用于其他商业用途(如 [转卖]进行直接盈利或[编辑后售卖]进行间接盈利)。
2、本站所有内容均由合作方或网友上传,本站不对文档的完整性、权威性及其观点立场正确性做任何保证或承诺!文档内容仅供研究参考,付费前请自行鉴别。
3、如文档内容存在违规,或者侵犯商业秘密、侵犯著作权等,请点击“违规举报”。

碎片内容

框架结构建筑工程临时用电工程施工方案

确认删除?
VIP
微信客服
  • 扫码咨询
会员Q群
  • 会员专属群点击这里加入QQ群
客服邮箱
回到顶部