电脑桌面
添加小米粒文库到电脑桌面
安装后可以在桌面快捷访问

污水管道顶管工程项目监理细则

污水管道顶管工程项目监理细则_第1页
1/26
污水管道顶管工程项目监理细则_第2页
2/26
污水管道顶管工程项目监理细则_第3页
3/26
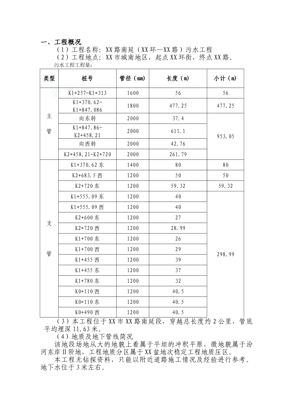
一、工程概况(1)工程名称:XX 路南延(XX 环—XX 路)污水工程(2)工程地点:XX 市城南地区,起点 XX 环街,终点 XX 路。污水工程工程量:类型桩号管径(mm)长度(m)小计(m)主管K1+257-K1+31316005656K1+370.62-K1+847.0861800477.25477.25向东转200037.4953.05K1+847.86-K2+458.212000611.1向西转200042.76K2+458.21-K2+7202000261.79支管K1+370.62 东14008080K2+683.5 西12005050K2+720 东120059.3259.32K1+555.09 东120040298.99K1+555.09 西120040K2+600 东120027K2+720 西120028.99K1+700 东120026K1+700 西120029K1+455 西120039K1+455 东120037K1+780 东120032K0+110 西120040.5K0+110 东120040.5K0+490 西120040.5(3)本工程位于 XX 市 XX 路南延段,穿越总长度约 2 公里,管底平均埋深 11.63 米。(4)地质及地下管线简况该地段场地从大的地貌上看属于平坦的冲积平原,微地貌属于汾河东岸Ⅱ阶地,工程地质分区属于 XX 盆地次稳定工程地质压区。本工程无钻探资料,只能以附近道路施工情况及经验进行参考。地下水位于 3 米左右。土层主要由第四系全新统晚期沉积的低液限粉土(粉土)、中液限粉质粘土(粉质粘土)与砂类土(粉砂、粉细砂)等构成。本工程管线需穿越排洪渠一条,坟地 300 余米,居民区 300 余米,而且坟地段、居民区及终点段征地、拆迁等尚未完成。根据管线及检查井的布置方式,分别设置不同类型的工作井及接收井,沿施工线需小范围打井降水,由于穿越阻力大,顶管方向难控制,因此要充分准备,精心施工,减小土方扰动,注意地下管线和施工安全。本工程地质情况不明确,所有地质及水文参数根据附近情况做一定的放大,等地质情况明确后,就有关系数做相应调整。本次管道施工采纳泥水平衡机械顶管工艺,只用最小的开挖量而实现管道的敷设,施工中保障管道周围小范围土层受到挠动,克服顶管时的大阻力。小于 φ0.8m 的管节无法进行泥水平衡顶管工艺,故建议小于 φ0.8m 的管节改为 φ0.8m 的管节。前期准备工作:①组织有关技术人员仔细学习本工程施工图;② 仔细学习有关标准、法律规范,熟悉标准、法律规范对本工程的要求;③组织有经验的施工队伍;④施工现场做到三通一平;⑤做好施工技术交底和安全交底。二、止水帷幕1、选择高压旋喷桩止水帷幕的原因:选择高压旋喷桩止水帷幕的原因:高压旋喷桩,是以高压旋转的喷嘴将水泥浆喷入土层与土体混合,形成连续搭接的水泥加...

1、当您付费下载文档后,您只拥有了使用权限,并不意味着购买了版权,文档只能用于自身使用,不得用于其他商业用途(如 [转卖]进行直接盈利或[编辑后售卖]进行间接盈利)。
2、本站所有内容均由合作方或网友上传,本站不对文档的完整性、权威性及其观点立场正确性做任何保证或承诺!文档内容仅供研究参考,付费前请自行鉴别。
3、如文档内容存在违规,或者侵犯商业秘密、侵犯著作权等,请点击“违规举报”。

碎片内容

污水管道顶管工程项目监理细则

您可能关注的文档

确认删除?
VIP
微信客服
  • 扫码咨询
会员Q群
  • 会员专属群点击这里加入QQ群
客服邮箱
回到顶部