电脑桌面
添加小米粒文库到电脑桌面
安装后可以在桌面快捷访问

油漆、涂料、裱糊工程

油漆、涂料、裱糊工程_第1页
1/5
油漆、涂料、裱糊工程_第2页
2/5
油漆、涂料、裱糊工程_第3页
3/5
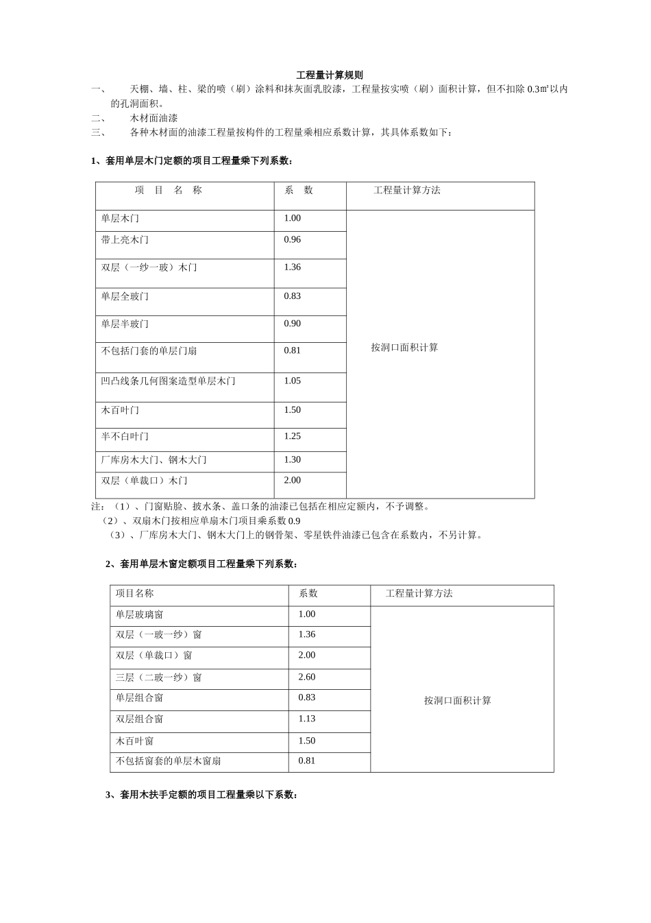
第十六章 油漆、涂料、裱糊工程说明一、本定额中涂料、油漆工程均采纳手工操作,喷塑、喷涂、喷油采纳机械喷枪操作,实际施工操作方法不同时,均按本定额执行。二、油漆项目中,已包括钉眼刷防锈漆的工、料并综合了各种油漆的颜色,设计油漆颜色与定额不符时,人工、材料均不调整。三、本定额已综合考虑了分色及门窗内、外分色的因素,假如需做美术图案者,可按实计算。四、定额中规定的喷、涂刷的遍数,如与设计不同时,可按每增减一遍相应定额子目执行。五、本定额对硝基清漆磨退出亮定额子目未具体要求刷理遍数,但应达到漆膜面上的白雾光清除、出亮为止,实际施工中不得因刷理遍数不同而调整本定额。六、色聚氨酯漆已经综合考虑不同色彩的因素,均按本定额执行。七、本定额抹灰面乳胶漆、裱糊墙纸饰面是根据现行工艺,将墙面封油刮腻子、清油封底、乳胶漆涂刷及墙纸裱糊分列子目,本定额乳胶漆、裱糊墙纸子目已包括再次找补腻子在内。八、喷塑(一塑三油)底油、装饰漆、面油其规格划分如下:1、大压花:喷点找平,点面积在 1.2 平方厘米以上;2、中压花:喷点找平,点面积在 1~1.2 平方厘米;3、喷中点、小点:喷点面积在 1 平方厘米以下。九、浮雕喷涂料小点、大点规格划分如下:1、小点:点面积在 1.2 平方厘米以下;2、大点:点面积在 1.2 平方厘米以上(含 1.2 平方厘米)。十、涂料定额是按常规品种编制的,设计用的品种与定额不符,单价何以换算,其余不变。十一、裱糊织棉缎定额中,已包括宣纸的裱糊工料费在内,不得另计。十二、木材面油漆设计有漂白处理时,由甲、乙双方另行协商。工程量计算规则一、天棚、墙、柱、梁的喷(刷)涂料和抹灰面乳胶漆,工程量按实喷(刷)面积计算,但不扣除 0.3㎡以内的孔洞面积。二、木材面油漆三、各种木材面的油漆工程量按构件的工程量乘相应系数计算,其具体系数如下:1、套用单层木门定额的项目工程量乘下列系数:项 目 名 称 系 数 工程量计算方法单层木门 1.00 按洞口面积计算带上亮木门 0.96双层(一纱一玻)木门 1.36单层全玻门 0.83单层半玻门 0.90不包括门套的单层门扇 0.81凹凸线条几何图案造型单层木门 1.05木百叶门 1.50半不白叶门 1.25厂库房木大门、钢木大门 1.30双层(单裁口)木门 2.00注:(1)、门窗贴脸、披水条、盖口条的油漆已包括在相应定额内,不予调整。 (2)、双扇木门按相应单扇木门项目乘系数 0.9(3)、厂库房木大门、钢木大门上的...

1、当您付费下载文档后,您只拥有了使用权限,并不意味着购买了版权,文档只能用于自身使用,不得用于其他商业用途(如 [转卖]进行直接盈利或[编辑后售卖]进行间接盈利)。
2、本站所有内容均由合作方或网友上传,本站不对文档的完整性、权威性及其观点立场正确性做任何保证或承诺!文档内容仅供研究参考,付费前请自行鉴别。
3、如文档内容存在违规,或者侵犯商业秘密、侵犯著作权等,请点击“违规举报”。

碎片内容

油漆、涂料、裱糊工程

确认删除?
VIP
微信客服
  • 扫码咨询
会员Q群
  • 会员专属群点击这里加入QQ群
客服邮箱
回到顶部