电脑桌面
添加小米粒文库到电脑桌面
安装后可以在桌面快捷访问

温州市地下粮库工程爆破施工设计方案

温州市地下粮库工程爆破施工设计方案_第1页
1/35
温州市地下粮库工程爆破施工设计方案_第2页
2/35
温州市地下粮库工程爆破施工设计方案_第3页
3/35
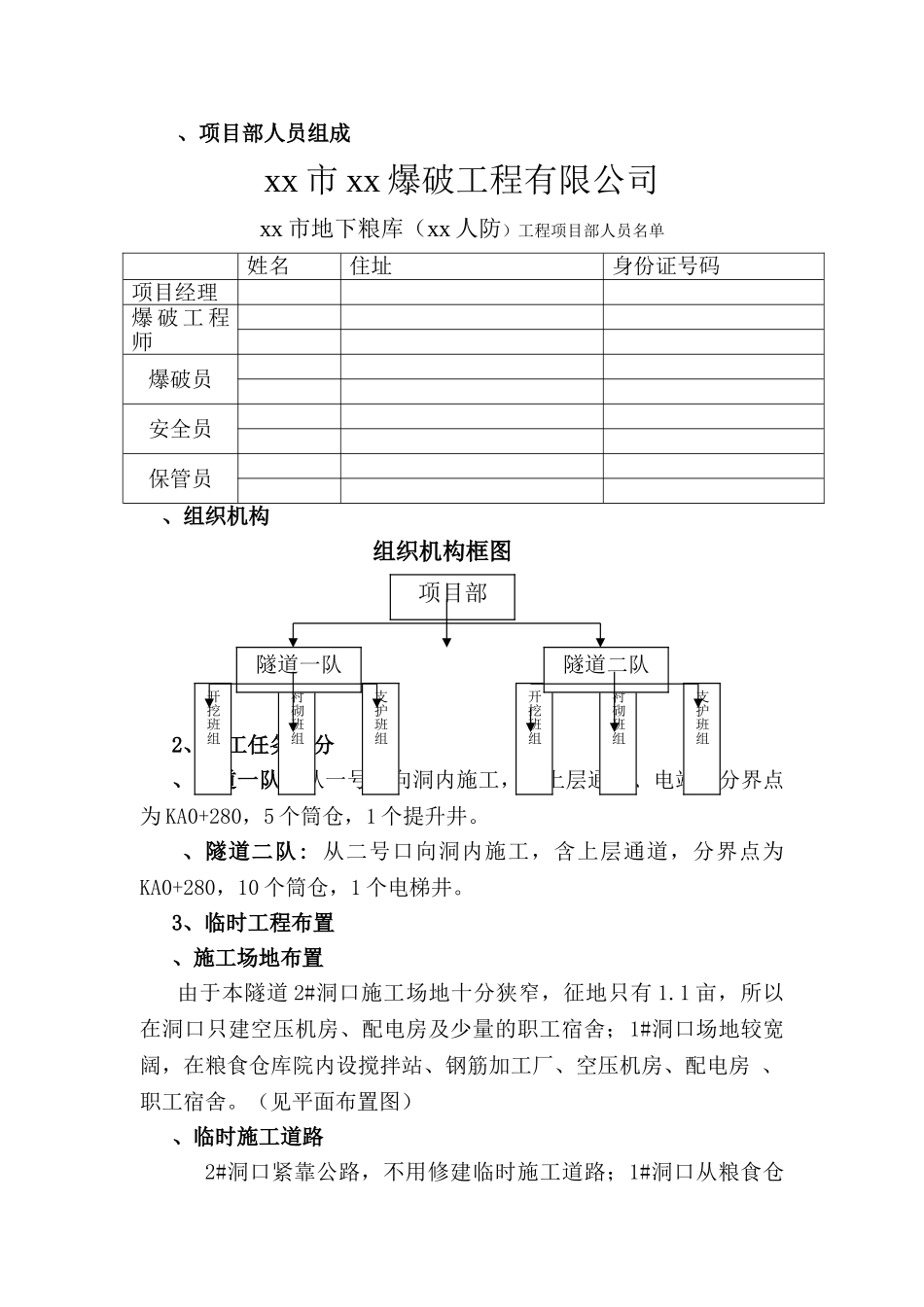
xx 市地下粮库(xx 人防)工程(坑道式)爆破施工设计方案设计: 参加设计:审核:审批:xx 市 xx 工程爆破有限公司 xx 年 xx 月 xx 日爆破施工专项方案一、编制依据: 1、《爆破安全规程》GB6722-20252、《民用爆炸物品安全管理条例》3、《公路隧道施工技术法律规范》 JTJ042-944、《人民防空工程施工及验收法律规范》GB50134-2025 5、国家、国家颁布的有关环保、水保、文保、土地、质量、合同等方面的法律法规 6、施工图 二、工程概况;1、工程名称:xx 市地下粮库(xx 人防)工程2、工程地点及周边环境: 工程位于 xx 市东南面的 xx 山体内,为平战结合的坑道式人防工程。工程建筑面积 17802 平方米,其中包装库建筑面积为 985 平方米,散装库建筑面积为 2940 平方米,通道建筑面积为 13220 平方米,电站建筑面积为 657 平方米;总仓容5.19 万吨;总爆破方量为 20 万立方米;其一号洞口位于 xx 下村粮库后门,一号洞口建筑包括变电房 1 座,距离洞口 50 米,施工用400kVA 变压器 1 台,距洞口 45 米,粮食储存库房 4 座(xx 江、烘干房、储存库两座),分别距离为 80 米、87 米、140 米、及 144 米。二号洞口位于 xx 村,二号洞口西边有乡村道路及民房,距洞口最近的两户民房为 50 米,居住人员已搬迁。南边有铁路及民房,洞口距铁路为 55 米,距民房为 122 米,洞口北侧有小型加工厂距离洞口最近建筑为 56 米,洞口上方有高压电线,由于已施工了明洞,爆破是在洞内,且洞口有防护门,飞石不会影响到高压线。3、气象水文:本地区属亚热带海洋型季风气候区,气候温暖湿润,雨量充沛,四季分明,全年无严寒酷暑。多年平均气温17.9°C 左右,极端最高气温 41.3°C, 最低-3.9°C。多年平均降雨量为 1769.6mm,降雨主要集中在 4~6 月份的梅雨期和 7~~9 月份的台风暴雨期。最长连续降雨达 23 天,在台风期最大风力可达 12级以上。4、地形地貌:本工程地势总体中部高,东、西低,属于 xx 山北部之丘陵地貌,地势总体较平缓,坡度 15~35°,山体表部植被发育。5、地质条件:地下洞室部位一般以中等风化凝灰岩为主,即以Ⅱ级围岩为主,上部以Ⅲ级围岩为主,局部为Ⅳ级。属于基岩山区,岩质硬,稳定性好。6、地下水情况;地下水为基岩裂隙水,较贫乏,隧道开挖时可产生滴水及渗水现象,对地下洞室无较大影响.。三、施工组织1、项目部人员组成及组织机构xx 项目部根据公...

1、当您付费下载文档后,您只拥有了使用权限,并不意味着购买了版权,文档只能用于自身使用,不得用于其他商业用途(如 [转卖]进行直接盈利或[编辑后售卖]进行间接盈利)。
2、本站所有内容均由合作方或网友上传,本站不对文档的完整性、权威性及其观点立场正确性做任何保证或承诺!文档内容仅供研究参考,付费前请自行鉴别。
3、如文档内容存在违规,或者侵犯商业秘密、侵犯著作权等,请点击“违规举报”。

碎片内容

温州市地下粮库工程爆破施工设计方案

您可能关注的文档

确认删除?
VIP
微信客服
  • 扫码咨询
会员Q群
  • 会员专属群点击这里加入QQ群
客服邮箱
回到顶部