电脑桌面
添加小米粒文库到电脑桌面
安装后可以在桌面快捷访问

温州市某大桥工程项目监理技术标

温州市某大桥工程项目监理技术标_第1页
1/50
温州市某大桥工程项目监理技术标_第2页
2/50
温州市某大桥工程项目监理技术标_第3页
3/50
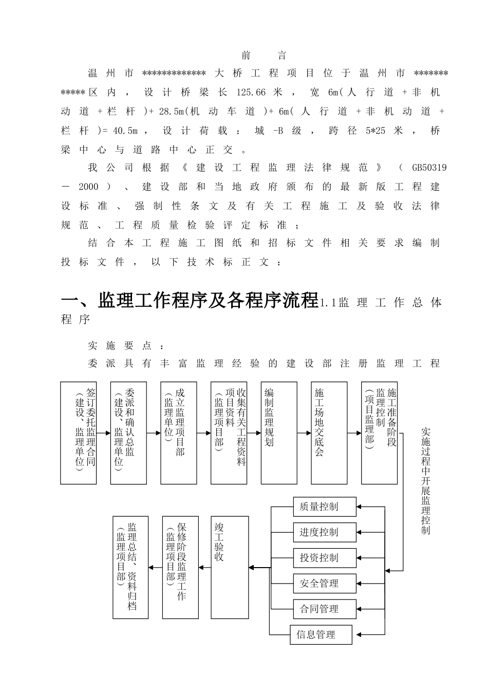
目 录一、监理工作程序及各程序流程..................21.1 监理工作总体程序........................................21.2 材料审批流程及实施要点.............................31.3 质量控制工作流程及实施要点......................41.4 工程质量事故处理流程及要点......................51.5 文明、安全施工监理工作流程......................61.6 进度控制流程及要点....................................71.7 工程投资控制工作流程.................................81.8 工程竣工验收流程........................................91.9 信息资料管理工作流程...............................101.10 单位工程竣工验收备案流程......................11二、工程进度控制措施....................................122.1 施工准备阶段............................................122.2 施工实施阶段.............................................122.3 竣工验收阶段............................................132.4 监理对进度控制所实行的措施....................13三、工程质量控制措施....................................153.1 工程质量事前控制....................................153.2 工程质量事中控制....................................163.3 工程质量事后控制....................................173.4 质量控制的措施........................................17四、安全文明施工监理措施.............................194.1 安全监理主要任务......................................194.2 安全监理计划文件......................................194.3 准备阶段的安全监理工作...........................194.4 施工过程中安全监理工作...........................204.5 文明施工监理措施......................................214.6 施工过程中检查以下内容...........................224.7 针对现场交通组织的监理措施....................22五、监理组织协调工作方法.............................225.1 监理协调的主要内容..................................225.2 与参建各方的组织协调...............................235.3 与设计单位之间的组织协调.......................235.4 与承包单位之间的组织协调.......................235.5 监理协调方法....................

1、当您付费下载文档后,您只拥有了使用权限,并不意味着购买了版权,文档只能用于自身使用,不得用于其他商业用途(如 [转卖]进行直接盈利或[编辑后售卖]进行间接盈利)。
2、本站所有内容均由合作方或网友上传,本站不对文档的完整性、权威性及其观点立场正确性做任何保证或承诺!文档内容仅供研究参考,付费前请自行鉴别。
3、如文档内容存在违规,或者侵犯商业秘密、侵犯著作权等,请点击“违规举报”。

碎片内容

温州市某大桥工程项目监理技术标

确认删除?
VIP
微信客服
  • 扫码咨询
会员Q群
  • 会员专属群点击这里加入QQ群
客服邮箱
回到顶部