电脑桌面
添加小米粒文库到电脑桌面
安装后可以在桌面快捷访问

直流电焊机检查表

直流电焊机检查表_第1页
1/1
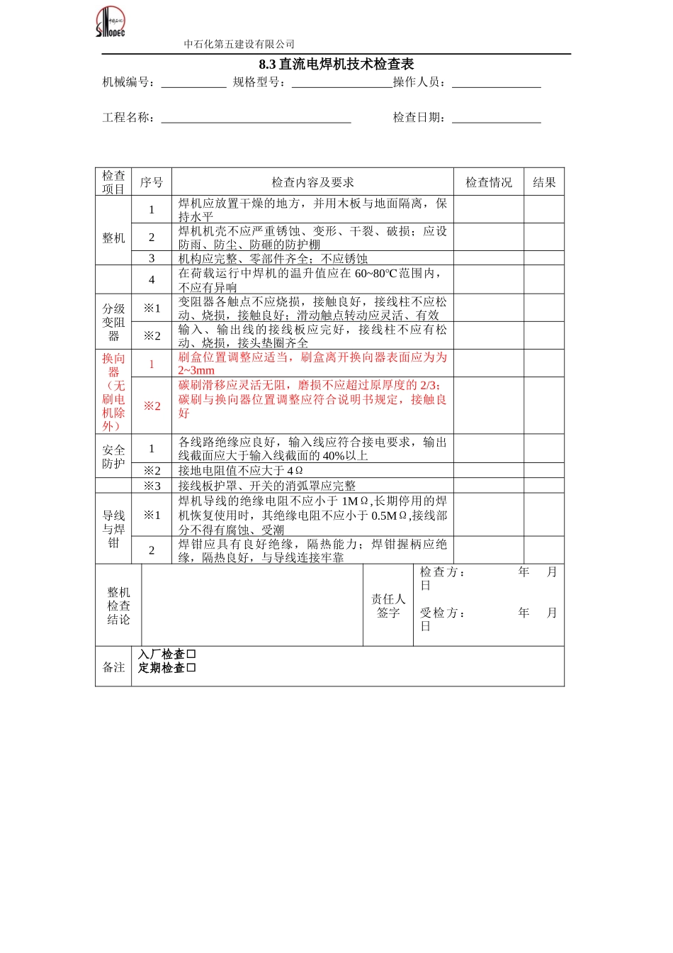
中石化第五建设有限公司8.3 直流电焊机技术检查表机械编号: 规格型号: 操作人员: 工程名称: 检查日期: 检查项目序号检查内容及要求检查情况结果整机1焊机应放置干燥的地方,并用木板与地面隔离,保持水平2焊机机壳不应严重锈蚀、变形、干裂、破损;应设防雨、防尘、防砸的防护棚3机构应完整、零部件齐全;不应锈蚀4在荷载运行中焊机的温升值应在 60~80℃范围内,不应有异响分级变阻器※1变阻器各触点不应烧损,接触良好,接线柱不应松动、烧损,接触良好;滑动触点转动应灵活、有效※2输入、输出线的接线板应完好,接线柱不应有松动、烧损,接头垫圈齐全换向器(无刷电机除外)1刷盒位置调整应适当,刷盒离开换向器表面应为为2~3mm※2碳刷滑移应灵活无阻,磨损不应超过原厚度的 2/3;碳刷与换向器位置调整应符合说明书规定,接触良好安全防护1各线路绝缘应良好,输入线应符合接电要求,输出线截面应大于输入线截面的 40%以上※2接地电阻值不应大于 4Ω※3接线板护罩、开关的消弧罩应完整导线与焊钳※1焊机导线的绝缘电阻不应小于 1MΩ,长期停用的焊机恢复使用时,其绝缘电阻不应小于 0.5MΩ,接线部分不得有腐蚀、受潮2焊钳应具有良好绝缘,隔热能力;焊钳握柄应绝缘,隔热良好,与导线连接牢靠整机检查结论 责任人签字检查方: 年 月 日受检方: 年 月 日备注入厂检查□定期检查□

1、当您付费下载文档后,您只拥有了使用权限,并不意味着购买了版权,文档只能用于自身使用,不得用于其他商业用途(如 [转卖]进行直接盈利或[编辑后售卖]进行间接盈利)。
2、本站所有内容均由合作方或网友上传,本站不对文档的完整性、权威性及其观点立场正确性做任何保证或承诺!文档内容仅供研究参考,付费前请自行鉴别。
3、如文档内容存在违规,或者侵犯商业秘密、侵犯著作权等,请点击“违规举报”。

碎片内容

直流电焊机检查表

您可能关注的文档

确认删除?
VIP
微信客服
  • 扫码咨询
会员Q群
  • 会员专属群点击这里加入QQ群
客服邮箱
回到顶部