电脑桌面
添加小米粒文库到电脑桌面
安装后可以在桌面快捷访问

移动通讯基站防雷接地方案展示

移动通讯基站防雷接地方案展示_第1页
1/4
移动通讯基站防雷接地方案展示_第2页
2/4
移动通讯基站防雷接地方案展示_第3页
3/4
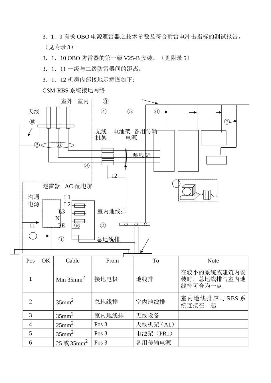
移动通信基站防雷与接地设计及维护解决方案一、 前言1.1 移动通信基站的雷电过电压及电磁干扰防护,是保护通信线路、设备及人生安全的重要技术手段,是确保通信线路及设备运行不可缺少的技术环节,也是通信网建设及运行管理工作的重要组成部分。1.2 制定本方案的目的在于阐述移动系统移动基站的防雷措施,及运行和维护管理。1.3 本方案中的过电压保护器采纳符合国际 IEC 、德国 VDE 标准的德国 OBO BETTERMANN 公司生产的 OBO 品牌之过电压保护器。二、 方案设计依据:2.1 、建筑物防雷设计法律规范(GB 50057-94)2.2、雷电电磁脉冲的防护(IEC 61632-1,2,3)2.3 、过电压放电保护器(VDE0675-6)2.4、过电压保护器的安装(VDE0100-534)2.5、移动通信基站的防雷设计法律规范(YD5068-98)三、 方案设计 3.1、供电系统的防雷与接地3.1.1 对于新建的移动通信基站的沟通供电系统应采纳三相五线(TN-S)制供电方式(如图,附录 1,TN-S 传输方式)3.1.2 对于采纳租赁商品房的三相四线制的供电,宜采纳 TT 供电方式,(见附录 1 之 TT 供电方式)3.1.3 移动通信基站宜设置专用电力变压器,电力线宜采纳具有金属护套或绝缘套电缆穿钢管埋地移入基站机房,电力电缆金属护套或钢 接 地。3.1.4 当电力变压器设在站内时, 接地。3.1.5 当电力变压器设在站内时,其高压电力线采纳 就近接地。3.1.6 移动通信基站沟通电力变压器高压侧的三根相线 避雷器。3.1.7 进入移动通信基站的低压电力电缆宜从地下 重复接地。3.1.8 移动通信基站的分级防护装置。沟通屏、整流屏(或高频开关电源)应分别设有 OBO 的分级防护措施。(见附录 2,配电系统防雷图)3.1.9 有关 OBO 电源避雷器之技术参数及符合耐雷电冲击指标的测试报告。(见附录 3)3.1.10 OBO 防雷器的第一级 V25-B 安装。(见附录 5)3.1.11 一级与二级防雷器间的距离。3.1.12 机房内部接地示意图如下:GSM-RBS 系统接地网络 室外 室内 ③天线 ④ ⑤ ⑥ ⑩ ⑦ 无线 电池架 备用传输 机架 电源 ⑧ ⑧ 跳线架 ⑧ 12避雷器 AC-配电屏 沟通 L1 电源 L2 L3 室内地线排 N 11 PE ⑨ ② ① 总地线排PosOKCableFromToNote1Min 35mm2接地电极地线排在较小的系统或建筑内安装时,总地线排与室内地线排可合为一点235mm2总地线排室内地线排室内地线排应与 RBS 系统连接在一起335mm2室...

1、当您付费下载文档后,您只拥有了使用权限,并不意味着购买了版权,文档只能用于自身使用,不得用于其他商业用途(如 [转卖]进行直接盈利或[编辑后售卖]进行间接盈利)。
2、本站所有内容均由合作方或网友上传,本站不对文档的完整性、权威性及其观点立场正确性做任何保证或承诺!文档内容仅供研究参考,付费前请自行鉴别。
3、如文档内容存在违规,或者侵犯商业秘密、侵犯著作权等,请点击“违规举报”。

碎片内容

移动通讯基站防雷接地方案展示

您可能关注的文档

确认删除?
VIP
微信客服
  • 扫码咨询
会员Q群
  • 会员专属群点击这里加入QQ群
客服邮箱
回到顶部