电脑桌面
添加小米粒文库到电脑桌面
安装后可以在桌面快捷访问

第五册--静置设备与工艺金属结构制作安装工程

第五册--静置设备与工艺金属结构制作安装工程_第1页
1/150
第五册--静置设备与工艺金属结构制作安装工程_第2页
2/150
第五册--静置设备与工艺金属结构制作安装工程_第3页
3/150
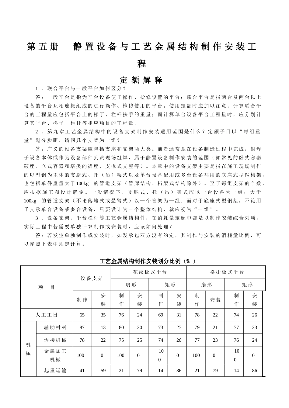
第 五 册 静 置 设 备 与 工 艺 金 属 结 构 制 作 安 装 工程定 额 解 释1 . 联 合 平 台 与 一 般 平 台 如 何 区 分 ?答 : 一 般 平 台 是 指 为 平 台 设 备 便 于 操 作 、 检 修 设 置 的 平 台 ; 联 合 平 台 是 指 两 台 及 两 台 以 上设 备 的 平 台 互 相 连 接 组 成 的 进 行 操 作 、 检 修 使 用 的 平 台 。 使 用 定 额 时 应 加 以 注 意 : 计 算 联 合 平台 的 工 程 量 应 包 括 平 台 上 的 梯 子 、 栏 杆 扶 手 的 重 量 ; 而 计 算 单 台 设 备 平 台 工 程 量 时 , 应 分 别 计算 其 平 台 、 梯 子 、 栏 杆 等 相 应 项 目 的 工 程 量 。2 . 第 九 章 工 艺 金 属 结 构 中 的 设 备 支 架 制 作 安 装 适 用 范 围 是 什 么 ? 定 额 子 目 以 “ 每 组 重量 ” 划 分 步 距 , 请 问 几 个 支 架 为 一 组 ?答 : 广 义 的 设 备 支 架 应 包 括 支 座 和 支 架 两 大 类 。 前 者 通 常 是 在 设 备 制 造 过 程 中 完 成 , 组 焊于 设 备 本 体 或 作 为 设 备 部 件 到 货 现 场 组 焊 , 属 于 静 置 设 备 制 作 安 装 的 范 围 ( 如 常 见 的 卧 式 容 器鞍 座 、 立 式 容 器 和 塔 类 的 裙 座 、 支 撑 式 支 座 等 ) 。 本 章 中 的 设 备 支 架 主 要 是 指 在 施 工 现 场 制 作的 以 型 钢 为 主 体 的 支 腿 式 、 托 ( 吊 ) 架 式 以 及 单 台 设 备 配 用 或 多 台 设 备 共 用 的 底 座 式 型 钢 构 架 ,也 包 括 单 件 重 量 大 于 100kg的 管 道 支 架 ( 管 廊 结 构 、 桁 架 式 结 构 除 外 ) 。 至 于 每 组 支 架 的 个 数 ,应 根 据 施 工 图 设 计 确 定 。 一 般 情 况 下 , 支 腿 式 、 托 ( 吊 ) 架 式 应 以 一 台 设 备 为 一 组 ; 大 于100kg的 管 道 支 架 ( 不 论 落 地 式 或 悬 臂 式 ) 以 一 个 管 架 为 一 组 ; 而 对 于 ...

1、当您付费下载文档后,您只拥有了使用权限,并不意味着购买了版权,文档只能用于自身使用,不得用于其他商业用途(如 [转卖]进行直接盈利或[编辑后售卖]进行间接盈利)。
2、本站所有内容均由合作方或网友上传,本站不对文档的完整性、权威性及其观点立场正确性做任何保证或承诺!文档内容仅供研究参考,付费前请自行鉴别。
3、如文档内容存在违规,或者侵犯商业秘密、侵犯著作权等,请点击“违规举报”。

碎片内容

第五册--静置设备与工艺金属结构制作安装工程

您可能关注的文档

确认删除?
VIP
微信客服
  • 扫码咨询
会员Q群
  • 会员专属群点击这里加入QQ群
客服邮箱
回到顶部