电脑桌面
添加小米粒文库到电脑桌面
安装后可以在桌面快捷访问

第十一章-基础配筋计算

第十一章-基础配筋计算_第1页
1/14
第十一章-基础配筋计算_第2页
2/14
第十一章-基础配筋计算_第3页
3/14
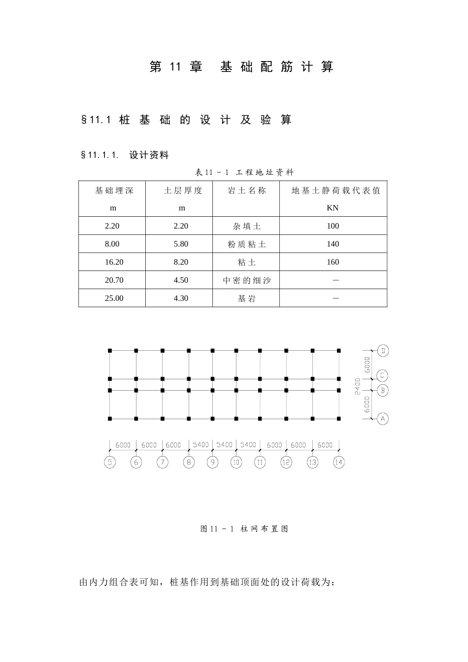
第 11 章 基 础 配 筋 计 算§11.1 桩基础的设计及验算§11.1.1. 设计资料表 11 - 1 工 程 地 址 资 料基 础 埋 深m土 层 厚 度m岩 土 名 称地 基 土 静 荷 载 代 表 值KN2.202.20杂 填 土1008.005.80粉 质 粘 土14016.208.20粘 土16020.704.50中 密 的 细 沙-25.004.30基 岩-图 11 - 1 柱 网 布 置 图由内力组合表可知,桩基作用到基础顶面处的设计荷载为:M=470.8KN.m N=2392.28KN V=-114.35KN基础梁及底层半墙自重: 设计值: 实际的内力控制值:M=470.8KN.m N=2392.28+87.99=2480.27 KN V=-114.35KN§11.1.2.确定桩的规格数量及初定承台的尺寸根据《建筑桩基础设计法律规范》(JGT194-94法):采纳干作业钻孔灌注桩,据地质勘探资料,混凝土采纳C30, HRB=235 ,确定第三层为持力层。具体桩尺寸详见图11.2 , 图 11.3§11.1.3. 单桩竖向承载力特征值 式中::桩端土的承载力标准值,查法律规范得 :桩身的恒截面面积 :桩身的周长 :桩周土的摩擦力标准值 :按土壤划分的各段桩长§11.1.4.确定桩的数量不计承台的重量,因偏心荷载受荷,桩数初选:桩心距 3d=3×0.4=1.2m§11.1.5.桩承台的设计一 . 承台尺寸:设计桩承台尺寸长2400㎜,宽2400㎜因为边桩中心至承台边缘的距离不宜小于桩的直径,且桩的外边缘至承台的边缘距离不小于150 ㎜,所以承台的尺寸取2400㎜×2400 ㎜。二. 承台及上覆土重,取承台及覆土的平均重度。桩的位置如下图所示:图 11 - 2 桩 位 置 布 置 图图 11 - 2 桩 的 尺 寸§11.1.6.单桩承载力的验算承台及上覆土自重:§11.1.7.偏心荷载验算按偏心荷载验算,计算承台四周边缘最不利的受力情况: 在偏心作用下,单桩满足承载力的要求。§11.2 承台的结构计算§11.2.1. 承台高度验算承台高度h=1500 ㎜, 采纳C30 混凝土,,,钢筋采纳HRB335 ,考虑到桩顶伸入承台的深度为100 ㎜,故取保护层厚度为: (35 +100 )=135mm>70 ㎜承台有效高度为:§11.2.2. 柱对承台的冲切验算 因冲切锥体内没有桩,故 , , 取 , 取 冲切比: 冲切系数:所以: 柱对承台的冲切满足要求。§11.2.3. 角柱对承台的冲切验算式中: 0.6m 0.6m 角桩冲垮比: 角桩冲切系数: 所以代入公式得:角桩对承台的冲切满足要求。§11.2.4 承台抗剪承载力验算 ( 11-1 )取 式中: 代入公式得: 承台抗剪承载力满足要...

1、当您付费下载文档后,您只拥有了使用权限,并不意味着购买了版权,文档只能用于自身使用,不得用于其他商业用途(如 [转卖]进行直接盈利或[编辑后售卖]进行间接盈利)。
2、本站所有内容均由合作方或网友上传,本站不对文档的完整性、权威性及其观点立场正确性做任何保证或承诺!文档内容仅供研究参考,付费前请自行鉴别。
3、如文档内容存在违规,或者侵犯商业秘密、侵犯著作权等,请点击“违规举报”。

碎片内容

第十一章-基础配筋计算

您可能关注的文档

办公文档专营+ 关注
实名认证
内容提供者

大量办公文档,欢迎选择

确认删除?
VIP
微信客服
  • 扫码咨询
会员Q群
  • 会员专属群点击这里加入QQ群
客服邮箱
回到顶部