电脑桌面
添加小米粒文库到电脑桌面
安装后可以在桌面快捷访问

管道支吊架制作与安装技术交底

管道支吊架制作与安装技术交底_第1页
1/2
管道支吊架制作与安装技术交底_第2页
2/2
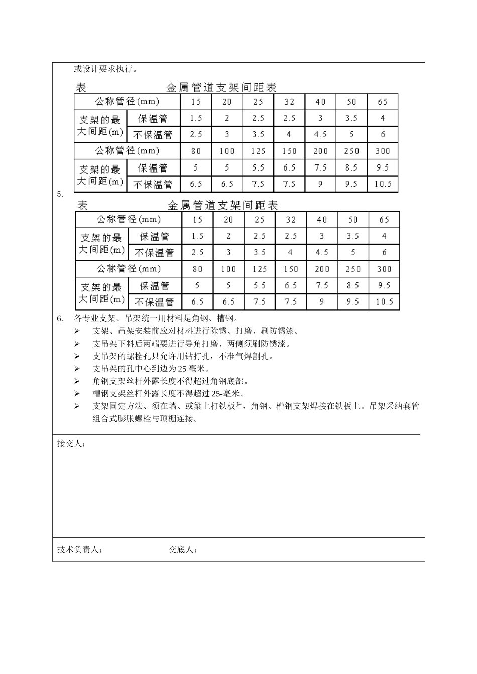
表 C1-3 技术交底记录 No: 工程名称交底部位给排水与空调水管道支吊架安装工程编号日 期交底内容:1.薄壁不锈钢管道支吊架预制安装及特别处理采纳管道支吊架,间距参照下表执行。大于 DN60 的管道支架间距可根据管道材料的刚度适当的放宽。 管道支架间距(mm)管道固定支架的间距不宜大于固 定 支架 应 设置在变径、分支、接口及穿越承重墙、楼板的两侧等处。管道材料与镀锌金属关卡之间应加垫 1mm 厚橡胶板或塑料带,或采纳带橡胶垫的管道吊卡。公称直径不大于 25mm 时可采纳塑料管卡。在给水栓和配水点处采纳应采纳金属管卡或吊架固定,管卡或吊架设置在距配件40~80mm 处。2.UPVC 管道支吊架预制安装非固定支承件的内壁应光滑,与管壁之间应留有间隙。支承件可采纳注塑或成型塑料墙卡、吊卡等;伸顶透气帽高出屋面(含隔热层)不得小于 0.3mm,且应大于最大积雪厚度。管道支承件的间距,立管管径为 50mm 的,不得大于 1.2m;管径大于或等于 75mm 的,不得大于 2m;横管直线管段支承件间距宜符合下表的规定。 管道支架间距管径(mm)40507590110125160间距(m)0.400.500.750.901.101.251.603.雨水管道支架间距参照下表执行。大于 DN60 的管道支架间距可根据管道材料的刚度适当的放宽。 雨水管道支架间距(mm)公称直径(DN)100150200立管4.空调水管道支架:冷(热)水管管道支架应与管道之间绝热处理,采纳垫木托支吊架;蒸汽系统支架采纳热力管道必须的滑动支架和固定支架;管道支架间距依据相应的施工验收法律规范工称直径(DN)10~1520~2532~4050~60水平管1000150020002500立管1500200025003000或设计要求执行。 5.蒸汽系统管道支架采纳热力管道必须的滑动支架和固定支架;6.各专业支架、吊架统一用材料是角钢、槽钢。支架、吊架安装前应对材料进行除锈、打磨、刷防锈漆。支吊架下料后两端要进行导角打磨、两侧须刷防锈漆。支吊架的螺栓孔只允许用钻打孔,不准气焊割孔。支吊架的孔中心到边为 25 毫米。角钢支架丝杆外露长度不得超过角钢底部。槽钢支架丝杆外露长度不得超过 25-亳米。支架固定方法、须在墙、或粱上打铁板 ,角钢、槽钢支架焊接在铁板上。吊架采纳套管组合式膨胀螺栓与顶棚连接。接交人: 技术负责人: 交底人:

1、当您付费下载文档后,您只拥有了使用权限,并不意味着购买了版权,文档只能用于自身使用,不得用于其他商业用途(如 [转卖]进行直接盈利或[编辑后售卖]进行间接盈利)。
2、本站所有内容均由合作方或网友上传,本站不对文档的完整性、权威性及其观点立场正确性做任何保证或承诺!文档内容仅供研究参考,付费前请自行鉴别。
3、如文档内容存在违规,或者侵犯商业秘密、侵犯著作权等,请点击“违规举报”。

碎片内容

管道支吊架制作与安装技术交底

雏圣文化+ 关注
实名认证
内容提供者

欢迎光临,大量办公文档供您挑选。

确认删除?
VIP
微信客服
  • 扫码咨询
会员Q群
  • 会员专属群点击这里加入QQ群
客服邮箱
回到顶部