电脑桌面
添加小米粒文库到电脑桌面
安装后可以在桌面快捷访问

综合楼项目脚手架工程施工方案

综合楼项目脚手架工程施工方案_第1页
1/17
综合楼项目脚手架工程施工方案_第2页
2/17
综合楼项目脚手架工程施工方案_第3页
3/17
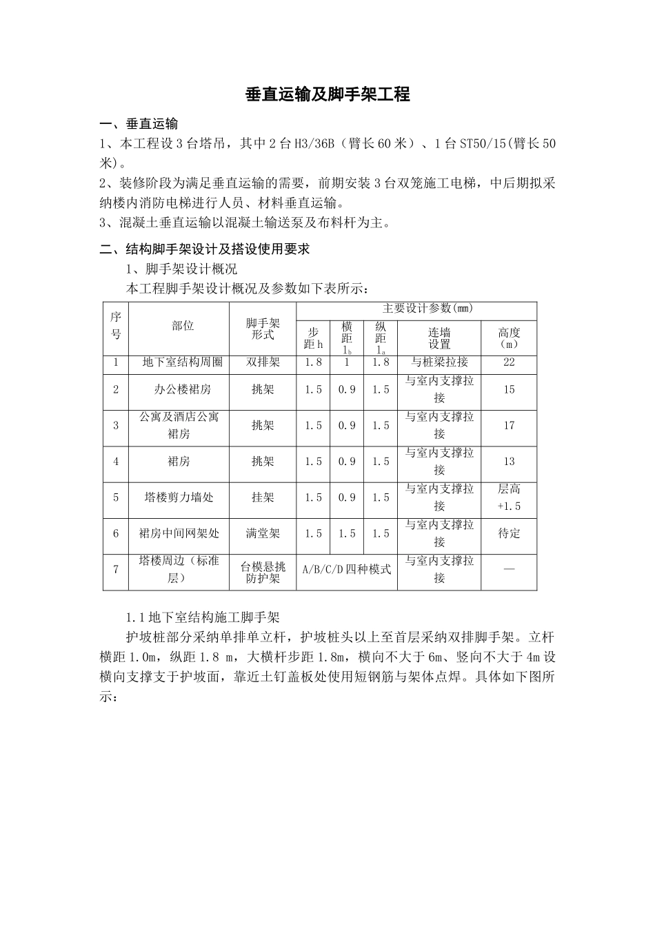
垂直运输及脚手架工程一、垂直运输1、本工程设 3 台塔吊,其中 2 台 H3/36B(臂长 60 米)、1 台 ST50/15(臂长 50米)。 2、装修阶段为满足垂直运输的需要,前期安装 3 台双笼施工电梯,中后期拟采纳楼内消防电梯进行人员、材料垂直运输。3、混凝土垂直运输以混凝土输送泵及布料杆为主。二、结构脚手架设计及搭设使用要求1、脚手架设计概况本工程脚手架设计概况及参数如下表所示:序号部位脚手架形式主要设计参数(㎜)步距 h横距lb纵距la连墙设置高度(m)1地下室结构周圈双排架1.811.8与桩梁拉接222办公楼裙房挑架1.50.91.5与室内支撑拉接153公寓及酒店公寓裙房挑架1.50.91.5与室内支撑拉接174裙房挑架1.50.91.5与室内支撑拉接135塔楼剪力墙处挂架1.50.91.5与室内支撑拉接层高+1.56裙房中间网架处满堂架1.51.51.5与室内支撑拉接待定7塔楼周边(标准层)台模悬挑防护架A/B/C/D 四种模式与室内支撑拉接— 1.1 地下室结构施工脚手架护坡桩部分采纳单排单立杆,护坡桩头以上至首层采纳双排脚手架。立杆横距 1.0m,纵距 1.8 m,大横杆步距 1.8m,横向不大于 6m、竖向不大于 4m 设横向支撑支于护坡面,靠近土钉盖板处使用短钢筋与架体点焊。具体如下图所示:1.2 裙房施工脚手架裙房结构施工采纳挑架,其中办公楼裙房、住宅及酒店式公寓裙房及裙房部分挑架形式分别如下图所示:1.3 塔楼施工脚手架本工程办公楼、住宅及酒店式公寓地上标准层结构施工使用台架。作为临边结构模板的支撑架,同时其悬挑部分作为结构施工期间外防护架。一次投入四层,利用塔吊从已浇注完毕的楼层中吊运至上层重复使用,中途不落地,具有方便、经济等特点。1.3.1 台架简介台架由支撑架、吊装系统和移动系统三部分组成。支架立杆为可调支撑,横杆和斜杆为普通钢管,吊装系统包括吊具和移动系统中的行走轮升降机。台架第一次装时按图组装,以后不再组装。拆模简单,施工方便,大大降低了工人的劳动强度。以往工程实际图片如下:1.3.1.1 单榀架体(未挂安全网之前)搭设比较简单。1.3.1.2 单榀架体就位后,此时架体也作为柱间主梁支撑使用。(楼内侧观看)1.3.1.3 单榀架体就位后(楼外侧观看)1.3.1.4 整体应用情况:此点通常为吊点可调支撑相邻两榀之间以钢管相连后,满挂密目网1.3.2 本工程台架设计1.3.2.1 根据三个塔楼结构平面的具体情况设计 4 种形式的架体,如下图所示:1.3.2.2 剖面图及上下层布置如下图所示:1.3.2.3 住宅、办公楼及...

1、当您付费下载文档后,您只拥有了使用权限,并不意味着购买了版权,文档只能用于自身使用,不得用于其他商业用途(如 [转卖]进行直接盈利或[编辑后售卖]进行间接盈利)。
2、本站所有内容均由合作方或网友上传,本站不对文档的完整性、权威性及其观点立场正确性做任何保证或承诺!文档内容仅供研究参考,付费前请自行鉴别。
3、如文档内容存在违规,或者侵犯商业秘密、侵犯著作权等,请点击“违规举报”。

碎片内容

综合楼项目脚手架工程施工方案

您可能关注的文档

确认删除?
VIP
微信客服
  • 扫码咨询
会员Q群
  • 会员专属群点击这里加入QQ群
客服邮箱
回到顶部