电脑桌面
添加小米粒文库到电脑桌面
安装后可以在桌面快捷访问

耐火材料厂环境影响评价报告书

耐火材料厂环境影响评价报告书_第1页
1/10
耐火材料厂环境影响评价报告书_第2页
2/10
耐火材料厂环境影响评价报告书_第3页
3/10
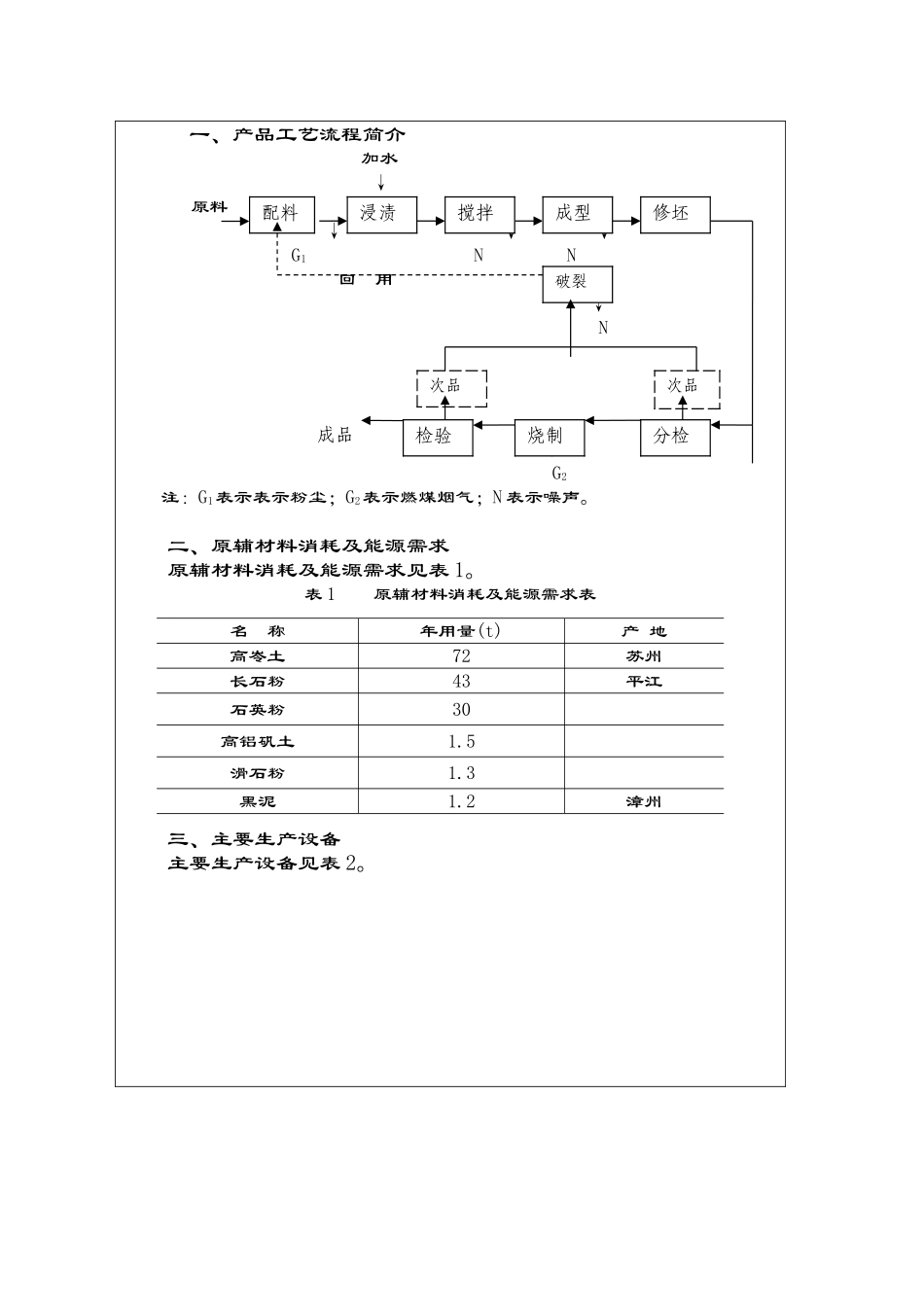
建设项目环境影响报告表 项目名称: 耐 火 材 料 项 目 建设单位(盖章): 运 输 公 司 编制日期:2025 年 10 月 一、产品工艺流程简介 加水 ↓原料↓ ↓ ↓ G1 N N 回 用 ↓ N ↓ G2注:G1表示表示粉尘;G2表示燃煤烟气;N 表示噪声。二、原辅材料消耗及能源需求原辅材料消耗及能源需求见表 1。表 1 原辅材料消耗及能源需求表名 称年用量(t)产 地高岺土72苏州长石粉43平江石英粉30高铝矾土1.5滑石粉1.3黑泥1.2漳州三、主要生产设备 主要生产设备见表 2。成品检验分检烧制破裂浸渍次品次品配料成型搅拌修坯表 2 生产设备一览表序号设 备 名 称数 量备 注1瓷珠搅拌机1 台瓷珠搅拌工段2标管机1 台瓷珠成型工段3电炉夹板锤2 台电炉盘成型工段4摩擦压力机1 台耐火砖成型工段560t 压力机1 台电炉盘成型工段6搅拌机2 台电炉盘及耐火砖搅拌工段7破裂机1 台次品回用工段四、主要污染物分析1、废水项目在生产过程中先将原料按比例配料,然后加水浸渍保养,需用水 10.5 吨/年,该水在坯制成型及烧制工段以水蒸气形式挥发至环境空气中,没有工艺废水外排。营运期间食堂、办公室等生活用水需 200 吨/年,产生生活污水160 吨/年,废水主要污染物有 CODCr 400mg/L、SS 250mg/L。2、废气a、粉尘项目所用的高苓土、长石粉、石英粉、滑石粉、黑泥等原料为粉状物质,在配料过程中会在投料口产生粉尘,生坯分检出来的次品以及烧制后检验出来的次品,用破裂机破裂,次品为干状物,破裂时会有工业粉尘产生。。 b、燃煤烟气项目配置 25t/a 耐火材料烧结炉一台,烟囱几何高度 25 米,内径0.9 米,材质为砖结构,燃料为烟煤。年耗煤 80 吨,其中主要污染物:烟尘 2.4 吨,SO2 1.6 吨。3、噪声项目主要声源为瓷珠搅拌机、电炉夹板锤、摩擦压力机、60 吨压力机、搅拌机、破裂机以及锅炉风机,以上声源正常工作时声级为 73-105dB(A)之间,其中电炉夹板锤声级高达 105dB(A),具体详见“项目主要污染物产生及估计排放情况表”。4、固体废物项目固体废物主要有修坯工段及烧制工段分检出来的次品,全年约 18 吨;耐火材料窑燃煤产生燃煤灰渣约 24 吨/年。项目主要污染物产生及排放情况 内容类型排放源(编号)污染物名称处理前产生浓度及产生量(单位)排放浓度及排放量(单位)大气污染物生产车间石英粉厂界外浓最高点1.0mg/m3其他粉尘厂界外浓最高点1.0mg/m3排气筒烟尘SO21852mg/m3 2.4t/a1235mg/m3...

1、当您付费下载文档后,您只拥有了使用权限,并不意味着购买了版权,文档只能用于自身使用,不得用于其他商业用途(如 [转卖]进行直接盈利或[编辑后售卖]进行间接盈利)。
2、本站所有内容均由合作方或网友上传,本站不对文档的完整性、权威性及其观点立场正确性做任何保证或承诺!文档内容仅供研究参考,付费前请自行鉴别。
3、如文档内容存在违规,或者侵犯商业秘密、侵犯著作权等,请点击“违规举报”。

碎片内容

耐火材料厂环境影响评价报告书

领读文化+ 关注
实名认证
内容提供者

传播文化,铸就未来

确认删除?
VIP
微信客服
  • 扫码咨询
会员Q群
  • 会员专属群点击这里加入QQ群
客服邮箱
回到顶部