电脑桌面
添加小米粒文库到电脑桌面
安装后可以在桌面快捷访问

自动上料配料系统方案DOC

自动上料配料系统方案DOC_第1页
1/16
自动上料配料系统方案DOC_第2页
2/16
自动上料配料系统方案DOC_第3页
3/16
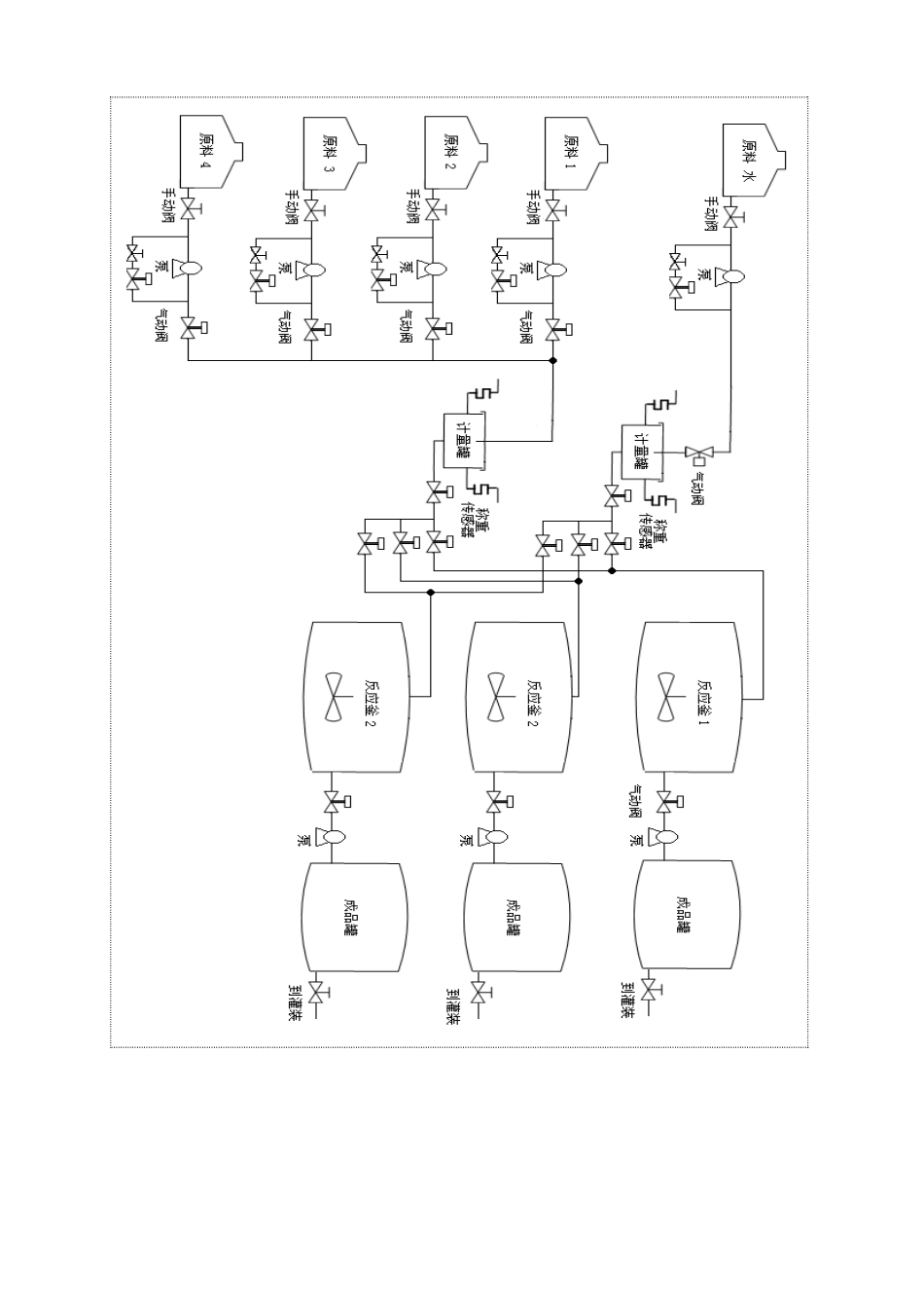
自动配料灌装生产线计量系统方案一、 企业现有生产过程情况概述目前企业的生产过程基本为:粉料采纳人工称料用行车或叉车人工运料、手工填料的方式,液料采纳称重计量,人工泵送料,反应釜一般采纳手动变频启动方式、水计量采纳就地显示流量计,需要人工看数手动控制开关,从以上看出企业目前基本没有自动计量及传输控制设备。1、现存问题(1)、人工上料,劳动强度大,速度慢;(2)、液体原料采纳桶装称重计量或流量计显示,桶内残留和流量计显示误差,造成计量精度差。(3)、整个产品生产过程采纳人工手动控制,劳动强度大,差错率高,废品率高,致使产品质量控制困难大、生产效率低。 (4)、为了适应产品规模化、高质量生产的需要,系统的布局、控制模式、管理软件系统均需要有重新设计、实施。2、用户需求分析(1)、产品规模生产要求系统具有更大的产能、更高的稳定性;(2)、降低人工上料劳动强度、提高计量精度;(3)、固体及液体物料均应自动上料、自动计量;(4)、每次生产的不同配方(原料配比)均可在电脑上进行操作;(5)、生产过程实现自动化控制。 二、 本方案自动上料配料系统组成生产线配料主要完成水和 4 中液料的配料混合。计量罐单独设置,液体原料分开计量加料,现场 3 排搅拌釜分别为 1 排 3 个搅拌罐、2 排 3 个搅拌罐、3 排 5 个搅拌罐。1、 原料罐四个,分别盛放四种不同的液体原料;水料罐 1 个,用于暂存水,预留用水量。现场分别在 3 排搅拌罐的上部设置 5T 原料计量罐 1 台,15T 水计量罐 1 台;2、 每个原料罐底部都安装有送料管道(管道口径 DN65),分别由自动阀门和手动阀门控制开关,每种液料的自动阀门安装在靠近管道出口位置,由送料泵负责将料通过管道打到计量罐,送料泵两端预留回流管及回流阀(回流管口径与主管道相同),在计量罐进料口处的安装自动阀门,实现物料的快投和慢投料控制;3、 液料或水通过管道可直接加进计量罐,计量罐的四个支撑底脚与支撑架基础之间各安装一只称重压力传感器模块,负责计量进入计量罐的物料重量,支撑架基础需做水平调试;4、 液体原料计量完毕通过计量罐底部的的自动分流装置,分别自动加到相应的搅拌罐中。自动分流装置结构(见图一):在计量罐的总卸料阀后水平安装到各个搅拌釜的分料自动阀门,把各个分料自动阀门的前端进料管用管道联通,这样可以保证卸料后基本无存料,到各个搅拌釜的卸料管道水和液料管道可以合并一条管...

1、当您付费下载文档后,您只拥有了使用权限,并不意味着购买了版权,文档只能用于自身使用,不得用于其他商业用途(如 [转卖]进行直接盈利或[编辑后售卖]进行间接盈利)。
2、本站所有内容均由合作方或网友上传,本站不对文档的完整性、权威性及其观点立场正确性做任何保证或承诺!文档内容仅供研究参考,付费前请自行鉴别。
3、如文档内容存在违规,或者侵犯商业秘密、侵犯著作权等,请点击“违规举报”。

碎片内容

自动上料配料系统方案DOC

您可能关注的文档

确认删除?
VIP
微信客服
  • 扫码咨询
会员Q群
  • 会员专属群点击这里加入QQ群
客服邮箱
回到顶部