电脑桌面
添加小米粒文库到电脑桌面
安装后可以在桌面快捷访问

表3--拟投入本项目施工机械设备一览表

表3--拟投入本项目施工机械设备一览表_第1页
1/3
表3--拟投入本项目施工机械设备一览表_第2页
2/3
表3--拟投入本项目施工机械设备一览表_第3页
3/3
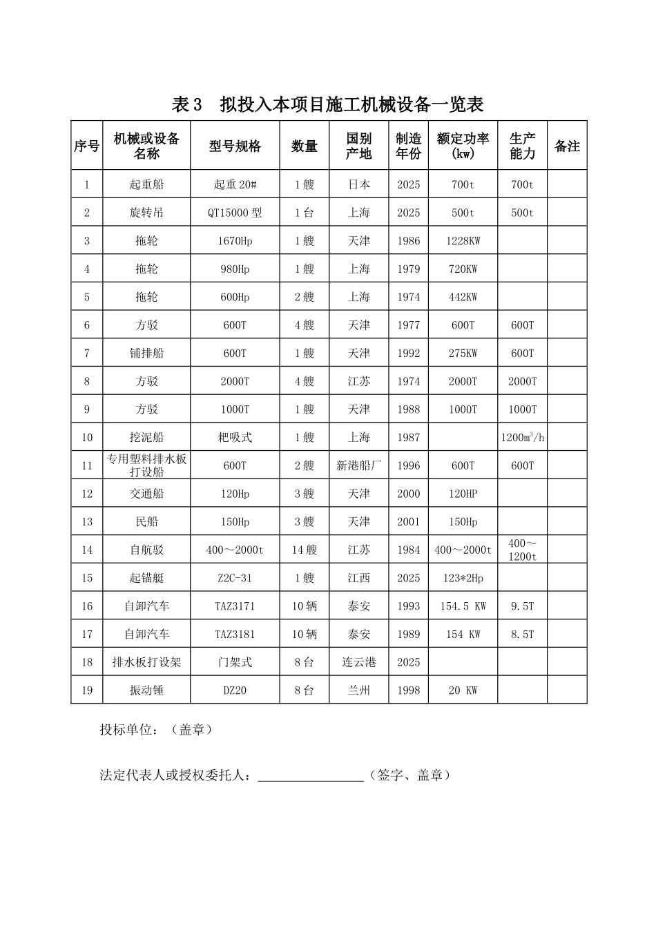
表 3 拟投入本项目施工机械设备一览表序号机械或设备名称型号规格数量国别产地制造年份额定功率(kw)生产能力备注1起重船起重 20#1 艘日本2025700t700t2旋转吊QT15000 型1 台上海2025500t500t3拖轮1670Hp1 艘天津19861228KW4拖轮980Hp1 艘上海1979720KW5拖轮600Hp2 艘上海1974442KW6方驳600T4 艘天津1977600T600T7铺排船600T1 艘天津1992275KW600T8方驳2000T4 艘江苏19742000T2000T9方驳1000T1 艘天津19881000T1000T10挖泥船耙吸式1 艘上海19871200m3/h11专用塑料排水板打设船600T2 艘新港船厂1996600T600T12交通船120Hp3 艘天津2000120HP13民船150Hp3 艘天津2001150Hp14自航驳400~2000t14 艘江苏1984400~2000t400~1200t15起锚艇Z2C-311 艘江西2025123*2Hp16自卸汽车TAZ317110 辆泰安1993154.5 KW9.5T17自卸汽车TAZ318110 辆泰安1989154 KW8.5T18排水板打设架门架式8 台连云港202519振动锤DZ208 台兰州199820 KW投标单位:(盖章)法定代表人或授权委托人: (签字、盖章) 日期: XX 年 7 月 13 日表 3 拟投入本项目施工机械设备一览表序号机械或设备名称型号规格数量国别产地制造年份额定功率(kw)生产能力备注20履带吊35t2 台日本1996159KW35t21装载机ZL50C4 台柳州2000150KW22龙门吊20t3 台河南200120t20t23发电机组120~250KW5 台天津2025120~250KW2436t 汽车吊36t2 台美国1996144KW36t2550t 汽车吊50t1 台日本1998155KW50t26履带挖掘机1.5m310 台卡特比勒1999196KW1.5m327混凝土泵车BPL802 台德国2000143KW28混凝土运输罐车MP604 台日本2001208KW6m329砼拌和站HZS50D3 台山东2001157KW30电焊机BX-5008 台天津电焊机厂199930KVA31钢筋对焊机UN1002 台天津1996100KW32钢筋切断机GQ405 台山东19974KW33钢筋弯筋机GW405 台山东19974KW34空压机KY-9/72 台柳州20019m39m335打桩船打桩 8 号1 艘日本19863000t36打桩锤D125-31 台上海199837混凝土拌合船拌合 5 号1 艘天津1990120 m3/h120 m3/h投标单位:(盖章)法定代表人或授权委托人: (签字、盖章) 日期: XX 年 7 月 13 日

1、当您付费下载文档后,您只拥有了使用权限,并不意味着购买了版权,文档只能用于自身使用,不得用于其他商业用途(如 [转卖]进行直接盈利或[编辑后售卖]进行间接盈利)。
2、本站所有内容均由合作方或网友上传,本站不对文档的完整性、权威性及其观点立场正确性做任何保证或承诺!文档内容仅供研究参考,付费前请自行鉴别。
3、如文档内容存在违规,或者侵犯商业秘密、侵犯著作权等,请点击“违规举报”。

碎片内容

表3--拟投入本项目施工机械设备一览表

您可能关注的文档

确认删除?
VIP
微信客服
  • 扫码咨询
会员Q群
  • 会员专属群点击这里加入QQ群
客服邮箱
回到顶部