电脑桌面
添加小米粒文库到电脑桌面
安装后可以在桌面快捷访问

超高层办公楼防水工程施工方案

超高层办公楼防水工程施工方案_第1页
1/15
超高层办公楼防水工程施工方案_第2页
2/15
超高层办公楼防水工程施工方案_第3页
3/15
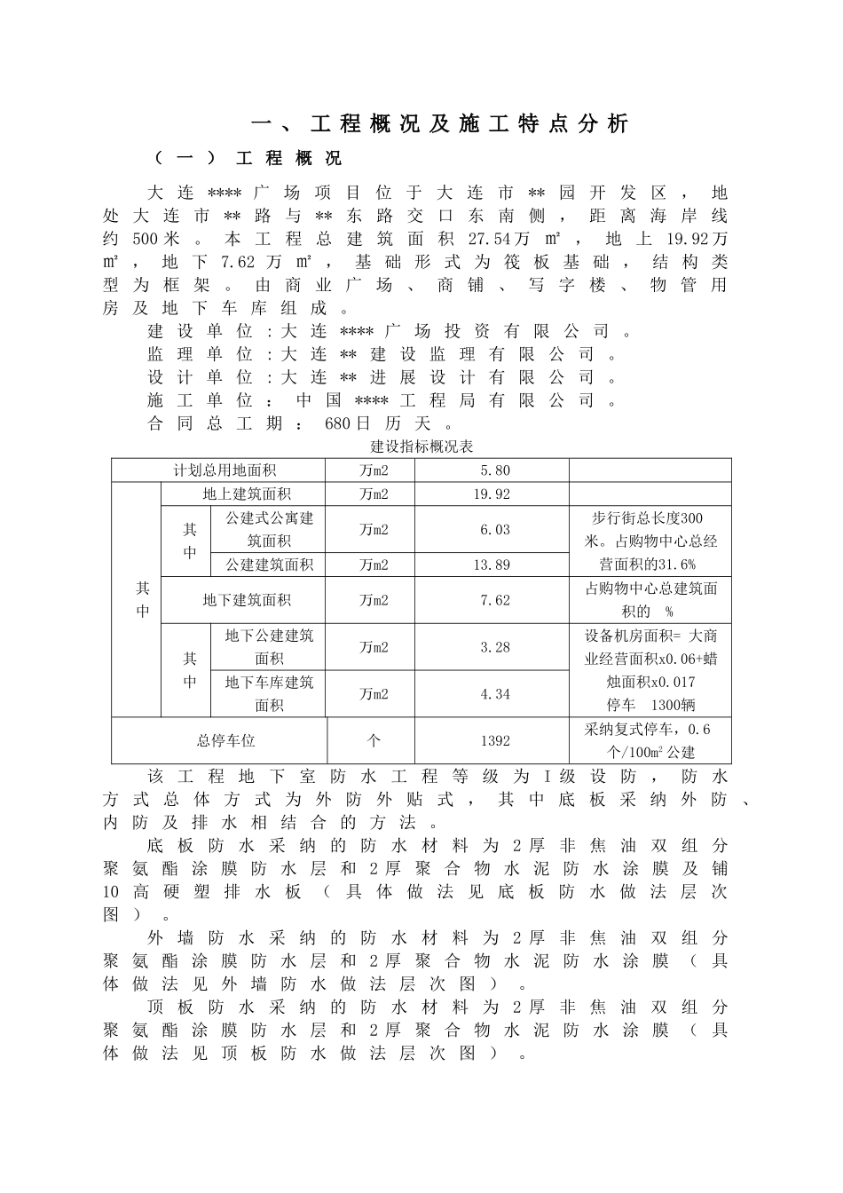
大连****广场防水工程施工组织方 案编制:审核:辽宁****工程有限公司2011 年 7 月 15 日一 、 工 程 概 况 及 施 工 特 点 分 析( 一 ) 工 程 概 况大 连**** 广 场 项 目 位 于 大 连 市** 园 开 发 区 , 地处 大 连 市** 路 与 ** 东 路 交 口 东 南 侧 , 距 离 海 岸 线约 500 米 。 本 工 程 总 建 筑 面 积27.54 万 ㎡ , 地 上 19.92 万㎡ , 地 下 7.62 万 ㎡ , 基 础 形 式 为 筏 板 基 础 , 结 构 类型 为 框 架 。 由 商 业 广 场 、 商 铺 、 写 字 楼 、 物 管 用房 及 地 下 车 库 组 成 。建 设 单 位 : 大 连 **** 广 场 投 资 有 限 公 司 。监 理 单 位 : 大 连 ** 建 设 监 理 有 限 公 司 。设 计 单 位 : 大 连 ** 进 展 设 计 有 限 公 司 。施 工 单 位 : 中 国 **** 工 程 局 有 限 公 司 。合 同 总 工 期 : 680 日 历 天 。建设指标概况表计划总用地面积万m25.80其中地上建筑面积万m219.92其中公建式公寓建筑面积万m26.03步行街总长度300米。占购物中心总经营面积的31.6%公建建筑面积万m213.89地下建筑面积万m27.62占购物中心总建筑面积的 %其中地下公建建筑面积万m23.28设备机房面积= 大商业经营面积x0.06+蜡烛面积x0.017 停车 1300辆 地下车库建筑面积万m24.34总停车位个1392采纳复式停车,0.6个/100m2 公建该 工 程 地 下 室 防 水 工 程 等 级 为I 级 设 防 , 防 水方 式 总 体 方 式 为 外 防 外 贴 式 , 其 中 底 板 采 纳 外 防、内 防 及 排 水 相 结 合 的 方 法 。底 板 防 水 采 纳 的 防 水 材 料 为2 厚 非 焦 油 双 组 分聚 氨 酯 涂 膜 防 水 层 和 2 厚 聚 合 物 水 泥 防 水 涂 膜 及 铺10 高 硬 塑 排 水 板 ( 具 体 做 法 见 底 板 防 水 做 法 层 次图 ) 。外 墙 防 水 采 纳 的 防 水 材 料 为2 厚 非 焦 油 双 组 分聚 氨 酯 涂 膜 防 水 层 和 2 厚 聚 合 物 水 泥 防 水 涂 膜 ( 具体 做 法 见 外 墙 防 水 做 法 层 次 图 ) 。顶 板 防 水 采 纳 的 防 水 材 料 为2 厚 ...

1、当您付费下载文档后,您只拥有了使用权限,并不意味着购买了版权,文档只能用于自身使用,不得用于其他商业用途(如 [转卖]进行直接盈利或[编辑后售卖]进行间接盈利)。
2、本站所有内容均由合作方或网友上传,本站不对文档的完整性、权威性及其观点立场正确性做任何保证或承诺!文档内容仅供研究参考,付费前请自行鉴别。
3、如文档内容存在违规,或者侵犯商业秘密、侵犯著作权等,请点击“违规举报”。

碎片内容

超高层办公楼防水工程施工方案

您可能关注的文档

确认删除?
VIP
微信客服
  • 扫码咨询
会员Q群
  • 会员专属群点击这里加入QQ群
客服邮箱
回到顶部