电脑桌面
添加小米粒文库到电脑桌面
安装后可以在桌面快捷访问

软基和岸坡开挖单元工程表格

软基和岸坡开挖单元工程表格_第1页
1/9
软基和岸坡开挖单元工程表格_第2页
2/9
软基和岸坡开挖单元工程表格_第3页
3/9
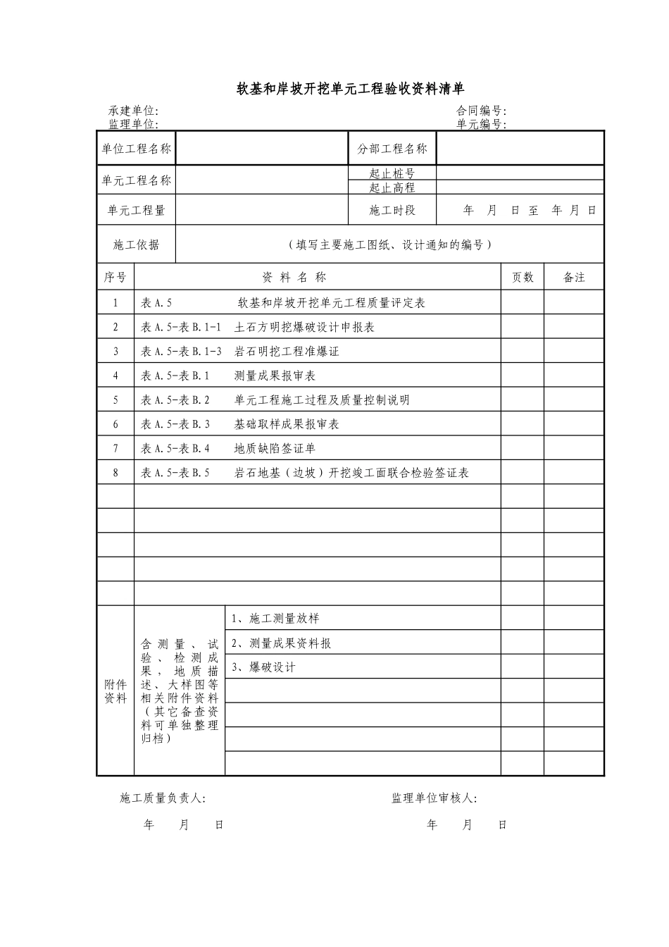
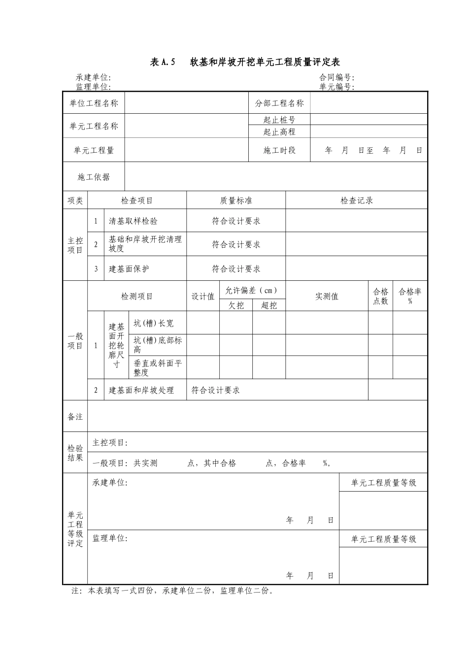
软基和岸坡开挖单元工程验收资料清单承建单位: 合同编号:监理单位: 单元编号:单位工程名称分部工程名称单元工程名称起止桩号起止高程单元工程量施工时段年 月 日 至 年 月 日施工依据(填写主要施工图纸、设计通知的编号)序号资 料 名 称页数备注1表 A.5 软基和岸坡开挖单元工程质量评定表2表 A.5-表 B.1-1 土石方明挖爆破设计申报表3表 A.5-表 B.1-3 岩石明挖工程准爆证4表 A.5-表 B.1 测量成果报审表5表 A.5-表 B.2 单元工程施工过程及质量控制说明6表 A.5-表 B.3 基础取样成果报审表7表 A.5-表 B.4 地质缺陷签证单8表 A.5-表 B.5 岩石地基(边坡)开挖竣工面联合检验签证表附件资料含 测 量 、 试验 、 检 测 成果 , 地 质 描述、大样图等相关附件资料(其它备查资料可单独整理归档)1、施工测量放样2、测量成果资料报3、爆破设计施工质量负责人: 监理单位审核人:年 月 日 年 月 日表 A.5 软基和岸坡开挖单元工程质量评定表承建单位: 合同编号:监理单位: 单元编号:单位工程名称分部工程名称单元工程名称起止桩号起止高程单元工程量施工时段年 月 日至 年 月 日施工依据项类检查项目质量标准检查记录主控项目1清基取样检验符合设计要求2基础和岸坡开挖清理坡度符合设计要求3建基面保护符合设计要求一般项目检测项目设计值允许偏差(cm)实测值合格点数合格率%欠挖超挖1建基面开挖轮廓尺寸坑(槽)长宽坑(槽)底部标高垂直或斜面平整度2建基面和岸坡处理符合设计要求备注检验结果主控项目:一般项目:共实测 点,其中合格 点,合格率 %。单元工程等级评定承建单位:年 月 日单元工程质量等级监理单位:年 月 日单元工程质量等级注:本表填写一式四份,承建单位二份,监理单位二份。表 A.5-表 B.1-1 土石方明挖工程爆破设计申报表承建单位: 合同编号:监理单位: 单元编号:单位工程名称分部工程名称单元工程名称起止桩号起止高程单元工程量施工时段年 月 日至 年 月 日施工依据申报作业部位作业方式□梯段爆破□预裂爆破□光面爆破□保护层爆破岩体地质特性钻孔设备及型号钻孔平面布置钻孔直径(mm)梯段高度(m)钻孔深度(m)钻孔角度爆孔间排距(m)抵抗线(m)炮孔底部至建基面距离(m)装药结构药卷直径(mm)周边孔线装药密度(g/m)垫层段长度(m)单位耗药量(kg/m3)单孔药量(kg)起爆网络堵塞长度(m)引爆分段单响药量(kg)总装药量(kg)...

1、当您付费下载文档后,您只拥有了使用权限,并不意味着购买了版权,文档只能用于自身使用,不得用于其他商业用途(如 [转卖]进行直接盈利或[编辑后售卖]进行间接盈利)。
2、本站所有内容均由合作方或网友上传,本站不对文档的完整性、权威性及其观点立场正确性做任何保证或承诺!文档内容仅供研究参考,付费前请自行鉴别。
3、如文档内容存在违规,或者侵犯商业秘密、侵犯著作权等,请点击“违规举报”。

碎片内容

软基和岸坡开挖单元工程表格

领读文化+ 关注
实名认证
内容提供者

传播文化,铸就未来

相关文档

确认删除?
VIP
微信客服
  • 扫码咨询
会员Q群
  • 会员专属群点击这里加入QQ群
客服邮箱
回到顶部