电脑桌面
添加小米粒文库到电脑桌面
安装后可以在桌面快捷访问

通风与空调工程施工方案

通风与空调工程施工方案_第1页
1/5
通风与空调工程施工方案_第2页
2/5
通风与空调工程施工方案_第3页
3/5
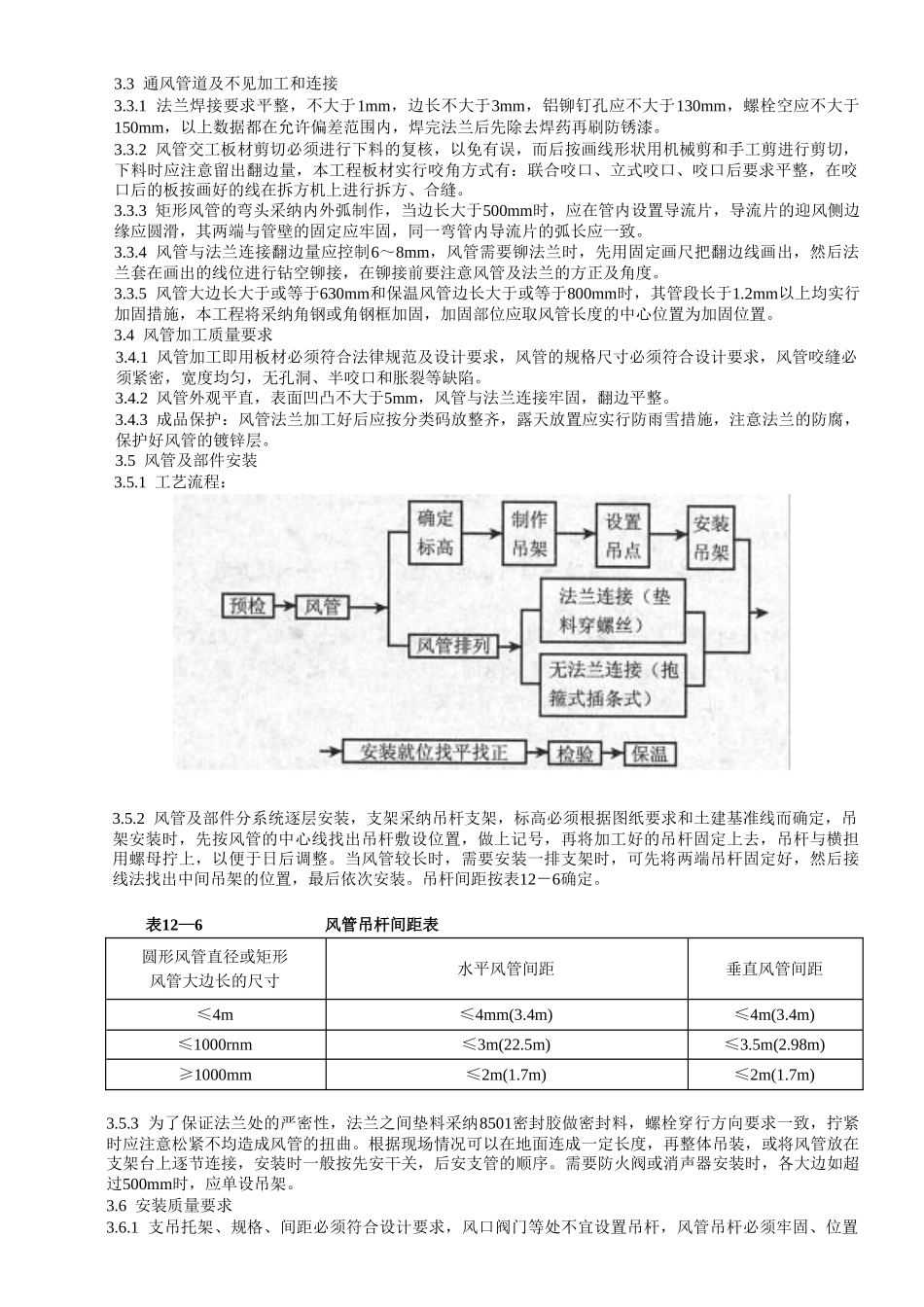
通风与空调工程施工方案1.工程概况该工程地上1~16层为讨论、实验、办公部分,通风空调采纳风机盘管加新风系统,每层设2台新风机组,B1层为设备部分,内设空调机房,采纳大风道系统,南北各设轴流风机1台。2.施工组织2.1 劳动组织准备:本工程的总承包单位为北京××建设工程有限责任公司第××项月经理部,机电设备部分分包给北京××公司水电分公司,在总承包单位统一领导下开展工作,针对新承包的工程项目,配备相应施工人员,建立质量管理体系,对工程进度、质量、造价进行严格控制,保证施工顺利进行,各专业、项目设有专业人员专业管理。2.2 技术准备:组织技术人员熟悉施工图纸和有关的设计资料,对相关的技术、经济和自然条件进行调查分析,讨论可行的施工方案。针对图纸中存在的问题及时记录,为施工作出准确的、科.学的技术指导。2.3 施工现场准备:施工道路、施工用水、施工用电和加工场地由总承包单位统一规划,生产、办公、生活用房等临时用房由总承包单位提供。2.4 本专业空调系统由施工班组加工、制作、安装、保温,根据专业进程由项目负责人统一调配劳动力,劳动力的安排详见表12—1。表12-1 劳动力计划表工种名称计划人数工种名称计划人数通风工30保 温15电气焊5钳 工5空调水工20普 工15油漆工5安全员1临 电2材料、机械员12.5 施工机具准备具体施工用机具见表12—2。表12-2 施工机具计划表机具名称数量机具名称数量龙门剪板2台电动剪刀2把拆方机2台手动电钻6把联合咬口机2台电 锤6把立式咬口机2台倒链(10T)2个单边咬口机2台对讲机5组电焊机3台风速仪1台砂轮切割机4台转速仪1台套丝机2台风压测试仪1台台钻2台声级计1台冲击钻2把电动打击泵1台3.主要项目施工方法及要求3.1 预留预埋3.1.1 通风预埋、预留洞的工作跟随土建结构工程进行,主要工作为竖井穿楼板洞和穿墙洞,为便于拆除预留和预埋,采纳木盒预埋方式,按风管规格尺寸四边各放大100mm,固定要稳固和方正,不影响合模,拆模后应立即剔出木盒。3.1.2 空调水系统需要在楼板或墙体上用钢管预埋留洞,待土建打完混凝土达到一定强度时钢管松动,并在混凝土能上人的时候把钢管拔出,拔出后及时清理洁净,然后刷上机油以备下次使用。预埋要求详见表12-3。表12-3 空调水管预埋、预留洞规格表空调水管规格D < 3232~5070~100125~150200250洞口尺寸(钢管)ф100ф150ф200木盒木盒尺寸100 × 100150 ×150200 × 200250×250300 ×300400 × 400...

1、当您付费下载文档后,您只拥有了使用权限,并不意味着购买了版权,文档只能用于自身使用,不得用于其他商业用途(如 [转卖]进行直接盈利或[编辑后售卖]进行间接盈利)。
2、本站所有内容均由合作方或网友上传,本站不对文档的完整性、权威性及其观点立场正确性做任何保证或承诺!文档内容仅供研究参考,付费前请自行鉴别。
3、如文档内容存在违规,或者侵犯商业秘密、侵犯著作权等,请点击“违规举报”。

碎片内容

通风与空调工程施工方案

确认删除?
VIP
微信客服
  • 扫码咨询
会员Q群
  • 会员专属群点击这里加入QQ群
客服邮箱
回到顶部