电脑桌面
添加小米粒文库到电脑桌面
安装后可以在桌面快捷访问

道路养护施工方案

道路养护施工方案_第1页
1/45
道路养护施工方案_第2页
2/45
道路养护施工方案_第3页
3/45
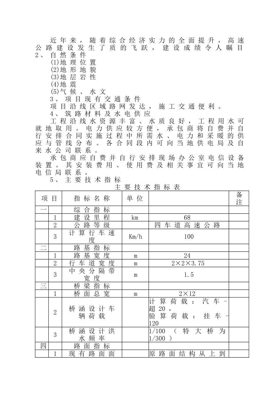
施 工 技 术 方 案第 一 章 工 程 概 况( 一 ) 、 编 制 说 明 , 是 我 省 一 条 重 要 的 高 速 公 路 。 对 提 升 我 省 对外 形 象 , 促 进 地 方 建 设 进 展 , 改 善 人 居 交 通 环 境 ,加 快 我 省 经 济 进 展 有 着 举 足 经 重 的 作 用 。 我 公 司于 2025 年 8月 1日 中 标 K0+000~K68+000 段 养 护 施 工 ,对 本 项 工 程 高 度 重 视 , 在 熟 悉 工 程 概 况 和 对 现 场认 真 认 真 勘 察 的 基 础 上 , 以 科 学 、 认 真 、 实 事 求是 的 态 度 编 写 了 本 施 工 组 织 设 计 。 1 、 编 制 目 的 为 本 工 程 提 供 完 整 的 组 织 框 架 体 系 , 用 以 指 导本 工 程 的 养 护 施 工 管 理 , 做 到 统 筹 规 划 、 合 理 布置 、 化 害 为 利 , 确 保 优 质 、 高 效 、 安 全 、 文 明 地完 成 沪 陕 高 速 公 里 豫 皖 省 界 段 路 面 改 善 工 程 的 施工 任 务 。 把 沪 陕 高 速 公 路 改 善 成 “ 精 品 工 程 、 窗口 工 程 、 形 象 工 程 ” 。 2 、 编 制 依 据 (1) 、 根 据 《 高 速 公 路 小 修 保 养 工 程 施 工 招 标 文件 》 、 《 高 速 公 路 小 修 保 养 工 程 施 工 招 标 图 纸 》及 补 遗 书 和 工 程 说 明 所 包 含 的 内 容 , 以 及 国 家 高速 公 路 养 护 工 程 行 业 重 要 文 件 法 规 。(2)、 国 家 有 关 公 路 设 计 法 律 规 范 、 施 工 法 律 规范 、 养 护 法 律 规 范 、 国 家 标 准 、 河 南 省 高 发 司 养护 管 理 办 法 及 有 关 资 料 、 验 收 法 律 规 范 、 工 程 质量 检 验 评 定 标 准 及 有 关 资 料 。(3)、 考 察 、 调 查 、 采 集 、 咨 询 所 猎 取 的 有 关 资料 。(4)、 我 公 司 拥 有 的 最 新 的 科 学 技 术 、 成 功 的 施工 方 法 、 先 进 的 机 械 设 备 、 成 熟 的 管 理 水 平 及 施工 类 似 工 程 所 积 累 的 施 工 经...

1、当您付费下载文档后,您只拥有了使用权限,并不意味着购买了版权,文档只能用于自身使用,不得用于其他商业用途(如 [转卖]进行直接盈利或[编辑后售卖]进行间接盈利)。
2、本站所有内容均由合作方或网友上传,本站不对文档的完整性、权威性及其观点立场正确性做任何保证或承诺!文档内容仅供研究参考,付费前请自行鉴别。
3、如文档内容存在违规,或者侵犯商业秘密、侵犯著作权等,请点击“违规举报”。

碎片内容

道路养护施工方案

确认删除?
VIP
微信客服
  • 扫码咨询
会员Q群
  • 会员专属群点击这里加入QQ群
客服邮箱
回到顶部