电脑桌面
添加小米粒文库到电脑桌面
安装后可以在桌面快捷访问

道路给排水工程施工组织设计方案

道路给排水工程施工组织设计方案_第1页
1/18
道路给排水工程施工组织设计方案_第2页
2/18
道路给排水工程施工组织设计方案_第3页
3/18
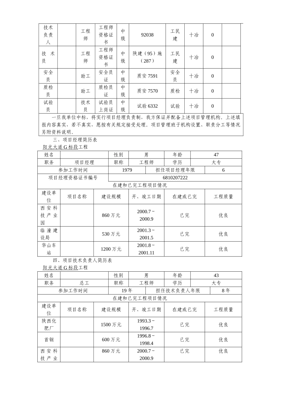
前 言编制总说明一、编制依据、范围及目的1.编制依据 根据招标单位提供的招标文件,在仔细学习领悟设计意图的基础上,结合现场实地察看情况,出席了标前会议和确认答疑书的内容后,针对本工程特点和单位自身施工组织能力相同相似工程中的实际经验而编制。 2.编制范围 桩号 4+894.612~5+880 红线范围内图示道路、排水工程。 3.编制目的 满足招标要求和用于指导施工的全过程,既是对业主的承诺,也是优质、高效和按期完成施工任务的前提和基础,以确保早日通车。 二、工程概况本工程西起钓台路,经安谷路、段家路、广成路、崇文路、白马河路、河南街路、沣滨西路、沣滨东路、企业路,东至上林路,设计全长 5880 米。本标段为:4+894.612~5+880 。 本工程规划红线宽度 60 米,三块板型式,其中:机动车道 23 米,隔离带为 2×3.5 米,非机动车道为 2×5 米,绿化带 2×6 米,人行道为 2×4 米。三、主要技术指标 1.道路等级:城市主干道 II 级2.设计车速:50km/h 3.道路设计使用年限:12 年 4.道路设计横坡:2% 5.人行道设计横坡:2% 6.雨水设计重现期:P=1 年第一节项目部的组成 一、组织机构: 为了确保该工程的顺利进行,经单位领导讨论决定,组建一支年富力强,工作作风过硬的项目工程施工队伍, 由工作责任心强,组织能力高,经验丰富的同志担任该工程项目部经理,将从施工组织调配、施工方案制订、施工管理、技术、质量管理保障等方面,广泛综合地运用现代科学技术和手段,对施工的全过程进行有效的控制和管理。并配备一批技术业务精通、熟练、管理意识、质量意识、施工管理、现场管理等水平高的多名同志,组建一支团结、奋战、具备强有力战斗性的班子。本工程施工经理部下设一室六组、三队。详见附图一(组织机构图)。二、项目管理机构配备情况表阳光大道 G 标段 工程职务姓名职称执业或职业资格证明已承担在建工程情况证书名称级别证号专业原服务单位项目数主要项目名称项目经理工程师项目经理证贰6810207222工民建十冶0技术负责人工程师工程师资格证书中级92038工民建十冶0技 术员工程师工程师资格证书中级陕建(95)施(287)工民建十冶0安全员助工安全员证中级质安 7591安全员十冶0质检员助工质检员证中级质安 7570质检十冶0试验员技术员试验员上岗证中级试验 6332试验十冶0一旦我单位中标,将实行项目经理负责制,我方保证并配备上述项目管理机构。上述填报内容真实,若不真...

1、当您付费下载文档后,您只拥有了使用权限,并不意味着购买了版权,文档只能用于自身使用,不得用于其他商业用途(如 [转卖]进行直接盈利或[编辑后售卖]进行间接盈利)。
2、本站所有内容均由合作方或网友上传,本站不对文档的完整性、权威性及其观点立场正确性做任何保证或承诺!文档内容仅供研究参考,付费前请自行鉴别。
3、如文档内容存在违规,或者侵犯商业秘密、侵犯著作权等,请点击“违规举报”。

碎片内容

道路给排水工程施工组织设计方案

确认删除?
VIP
微信客服
  • 扫码咨询
会员Q群
  • 会员专属群点击这里加入QQ群
客服邮箱
回到顶部