电脑桌面
添加小米粒文库到电脑桌面
安装后可以在桌面快捷访问

钢筋混凝土楼盖设计计算书

钢筋混凝土楼盖设计计算书_第1页
1/14
钢筋混凝土楼盖设计计算书_第2页
2/14
钢筋混凝土楼盖设计计算书_第3页
3/14
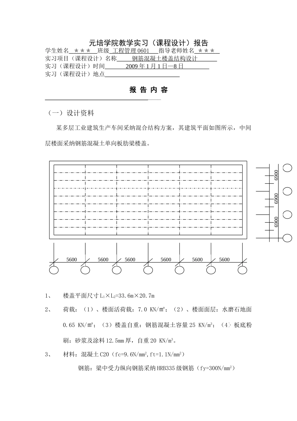
钢筋混凝土楼盖课 程 设 计 计 算 书姓 名:*** 专 业:工程管理指导老师:***2025 年 1 月元培学院教学实习(课程设计)报告学生姓名 *** 班级 工程管理 0601 指导老师姓名 *** 实习项目(课程设计)名称 钢筋混凝土楼盖结构设计 实习(课程设计)时间 2009 年 1 月 1 日— 8 日 实习(课程设计)地点 报 告 内 容 (一)设计资料 某多层工业建筑生产车间采纳混合结构方案,其建筑平面如图所示,中间层楼面采纳钢筋混凝土单向板肋梁楼盖。1、楼盖平面尺寸 L1×L2=33.6m×20.7m2、荷载:(1)、楼面活荷载:7.0 KN/㎡;(2)、楼面面层:水磨石地面 0.65 KN/㎡;(3)楼盖自重:钢筋混凝土容量 25 KN/m3;(4)板底粉刷:砂浆及涂料 12.5mm 厚,自重 20 KN/m3。3、材料:混凝土 C20(fc=9.6N/mm2,ft=1.1N/mm2) 钢筋:梁中受力纵向钢筋采纳 HRB335 级钢筋(fy=300N/mm2)560056005600560056005600690069006900 其他钢筋均采纳 HPB235 级钢筋(fy=210N/mm2)(二)板的计算1、荷载计算: 水磨石地面 0.65KN/㎡ 80mm 厚先浇钢筋混凝土板 25×0.08=2.00KN/㎡ 12.5mm 厚砂浆及涂料抹底 20×0.0125=0.25 KN/㎡ 恒载标准值:=0.65+2.00+0.25=2.90 KN/㎡ 活载标准值:=7.00 KN/㎡ 经试算,永久荷载效应控制的组合为最不利组合,因此取荷载设计值 =1.2×2.9+1.0×1.3×7.0=12.58 KN/㎡ 每米板宽上 q=12.58KN/m2、计算简图取 1m 板宽作为计算单元,各跨的计算跨度为:中间跨:==2300-200=2100mm23002300100100100100120120q=12.58 KN/madcb212021002100边跨:=2300-100-120+80/2=2120mm>1.025=2130mm故取=2120mm平均跨度: =(2100+2120)/2=2110mm3、内力计算因跨度差:(2120-2100)/2100=1%<10%故可按等跨连续板计算内力各截面的弯矩计算见表 1板的弯矩计算 表 1截面边跨中B 支座中间跨中中间支座弯矩系数1/11-1/111/16-1/14(kN·m)1/11×12.58×2.122=5.14-1/11×12.58×2.122=-5.141/16×12.58×2.12=3.47-1/14×12.58×2.12=-3.964、截面强度计算=210N/mm2 , =9.6 N/mm2, =1.0, = 80-25=55mm板的配筋计算 表 2板带部位边区板带(①~②,⑥~⑦轴线间)中间区板带(②~⑥轴线间)截面边跨跨中离端第二支座离端第二跨跨中中间跨跨中中间支座边跨跨中离端第二支座离端第二跨跨中中间跨跨中中间支座M(KN·m)5.14-5.143.47-3.965.14-5.143.47×0.8...

1、当您付费下载文档后,您只拥有了使用权限,并不意味着购买了版权,文档只能用于自身使用,不得用于其他商业用途(如 [转卖]进行直接盈利或[编辑后售卖]进行间接盈利)。
2、本站所有内容均由合作方或网友上传,本站不对文档的完整性、权威性及其观点立场正确性做任何保证或承诺!文档内容仅供研究参考,付费前请自行鉴别。
3、如文档内容存在违规,或者侵犯商业秘密、侵犯著作权等,请点击“违规举报”。

碎片内容

钢筋混凝土楼盖设计计算书

范哲铺+ 关注
实名认证
内容提供者

想你所想,急你所急,你需要的都在店铺里可以找到。

确认删除?
VIP
微信客服
  • 扫码咨询
会员Q群
  • 会员专属群点击这里加入QQ群
客服邮箱
回到顶部